G5S资料(1).pdf - 第66页
1-13 5OM-1750 エア配管図及び実装図 ノズルストッカ ( エア配管図 ) No. 名 称 個数 No. 名 称 個数 No. 名 称 個数 No. 名 称 個数 1 チューブφ 8 1 2 チューブφ 6 1 3 チューブφ 4 1 4 ソレノイドバルブ 1 5 シリンダ 1 6 シリンダ 1 8 ニードル 1 9 ユニオンワイ 1 1305-002 8 4 5 6 2 3 9 1 本体より ストッカ1上下 シャッタ 1開閉

1-12
5OM-1750
エア配管図及び実装図
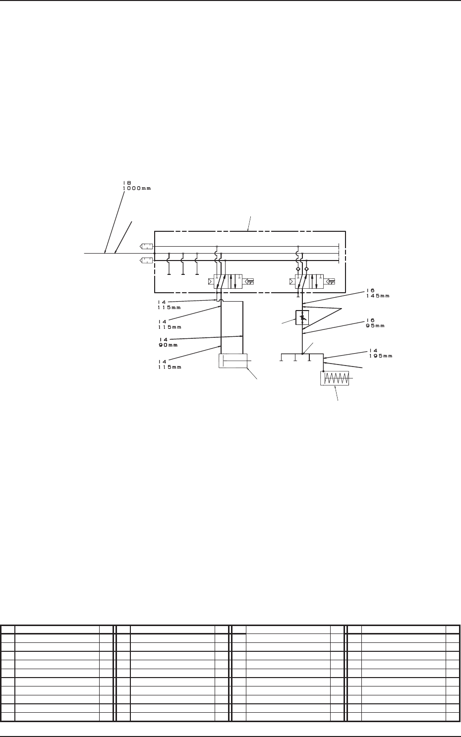
位置決めユニット ( 実装図 ) 落下防止ユニット取付時
No. 名 称 個数 No. 名 称 個数 No. 名 称 個数 No. 名 称 個数
7 ソレノイドバルブ 1
9 シリンダ 2
10 ソレノイドバルブ 1
11 シリンダ 2
1305-002
9
7
9
9
10
11
11

1-13
5OM-1750
エア配管図及び実装図
ノズルストッカ ( エア配管図 )
No. 名 称 個数 No. 名 称 個数 No. 名 称 個数 No. 名 称 個数
1 チューブφ 8 1
2 チューブφ 6 1
3 チューブφ 4 1
4 ソレノイドバルブ 1
5 シリンダ 1
6 シリンダ 1
8 ニードル 1
9 ユニオンワイ 1
1305-002
8
4
5
6
2
3
9
1
本体より
ストッカ1上下
シャッタ 1開閉

1-14
5OM-1750
エア配管図及び実装図
ノズルストッカ ( 実装図 )
No. 名 称 個数 No. 名 称 個数 No. 名 称 個数 No. 名 称 個数
4 ソレノイドバルブ 1
5 シリンダ 1
6 シリンダ 1
9 ユニオンワイ
1305-002
9
4
5
6