G5S资料(1).pdf - 第141页
4-18 5OM-1750 1303-001-(31010WB---1006) X30B コネクタ接続回路 ‹óˆ³ from U27-CN153 [D-/04/1E] :5 :1 :2 :3 X30A2-B 445 Connector X30B [B-/02/7E] from U27-CN111 10 10 10 24G1A 24G1B 24G1B [B-/01/4E] from Q201 :1 :2 :1 :2 X30A1-B L1…

4-17
5OM-1750
1303-001-(31010WB---1005)
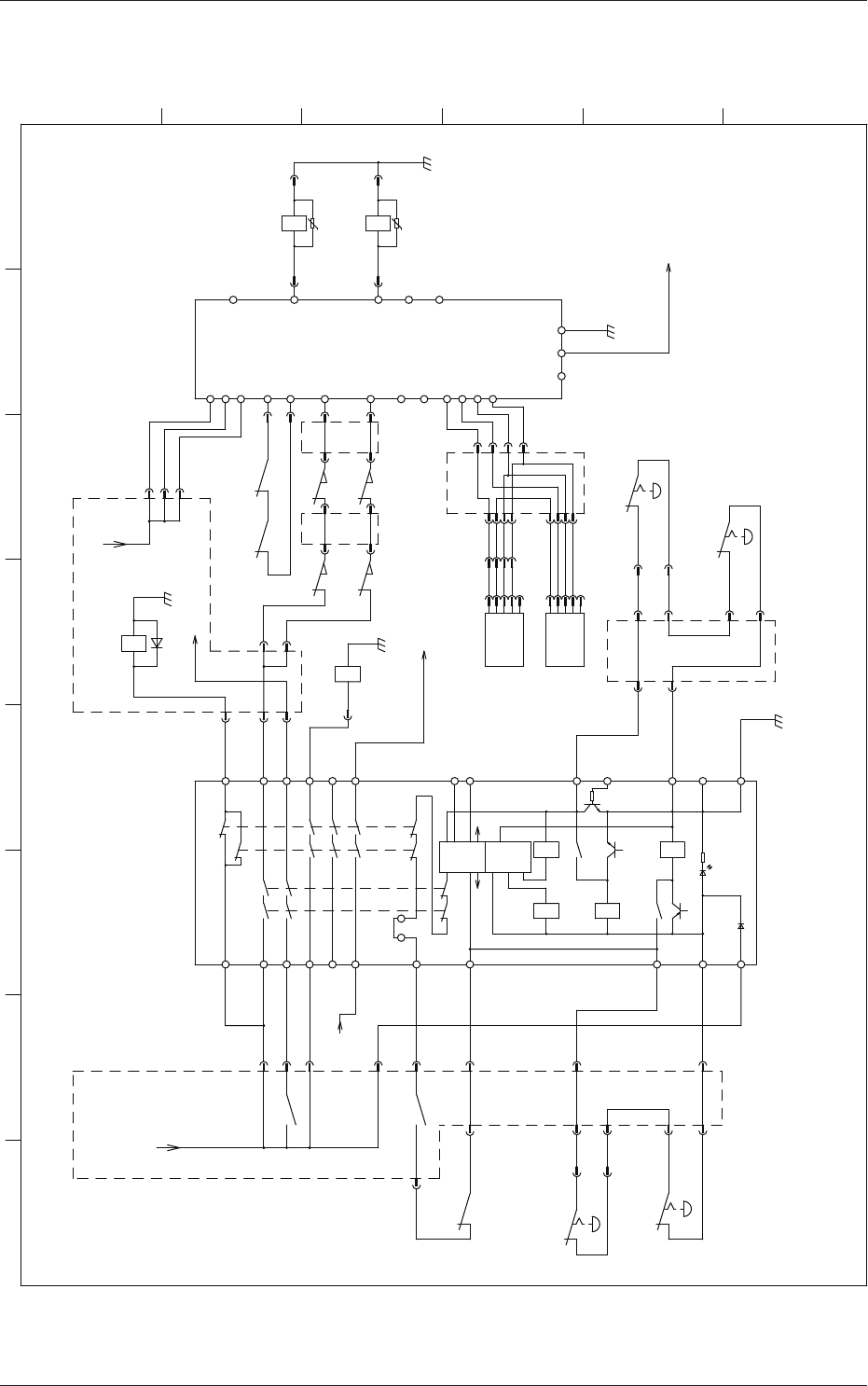
安全リレー回路
U
U
K1 K2
K4K3
b
a
b
a
Control
CircuitTimer
OFF Delay
K4
K3
K2
K1
54
44
34
24
14
A
B
T22
T21
PET11
T12
T31
T32
13
23
33
43
53
A2A1
62
61
T32
Y1
A1
T33
T31
T22
T12
T42
T41
S14
S24
D1
D2
D3
D4
A2X1X2
S44
S54
L1
X2709
:5
:6
:7
:8
X2704
:9
:8
:10
:7
X:S151F
:3
:2
:4
:1
:5
X2705
:9
:8
:10
:7
X:S151B
:3
:2
:4
:1
:5
21 22
6 8
6 9
21 22 22 21
K10
S105F
S105B
K2B
K22
S105F
K33A K33B
S131
S131
S132
S132
31 32
11 12
31 32
11 12
K31
K33A
K33B
11 12
11 12
22 21
1 12
A1 A2
A1 A2
K10
A1 A2
K3 K4
24A2
24A2
W
BK
BR
BL
Y
S151B
W
BK
BR
BL
Y
S151F
[D-/02/1F]
to U27-CN9:9
[D-/02/1C]
to U27-CN150:10
U27 U27
U27
U27
U27 U27
[B-/04/5E]
24A2
24A2
331
10
420
24A2
405B
405A
401
24A2
336
441
445
334
500
408
412
10
416415
429
430
446
D2
D3
D4
D1
440
443
420A
414
S105B
22 21
X202704
:9
:8
:10
:7
10
[D-/02/1C]
from U27-CN150:9
Safety Relay Safety Relay
:11
:12
:14
:8
:7
:4
:3
:1
X27150
X27150
X27150
X27150
X27150
X27150
:2
X2704
:1
X2704
:2
X2705
:1
X2705
:2
:1
X202704
X202704
:2
X2723
:1
X2723
:3
X2705
:4
X2705
:3
X2704
:4
X2704
:3
X202704
:4
X202704
:6
X27150
:5
X27150
:13
:15
:16
X27150
:5
X2731
:1
:2
X20520
:1
X2709
:11
:10
X2732:6
X2732:2 X2709:3
X2709:4X2731:6
X2731:2 X2732:1
X2732:5
X10520:3
X10520:6
X10520:2
X10520:5
X10520:1
X10520:4
JP
3 4
to U27-CN1153:2,4
1 2 3 4 5 6 7 8
A
B
C
D
E
F
非常停止スイッチ ( 前 )
非常停止スイッチ ( 後 )
フィーダカバー検出
( 前 )
フィーダカバー検出
( 前 )
安全扉スイッチ
( 前 )
安全扉スイッチ
( 後 )
非常停止スイッチ ( 前 )
非常停止スイッチ ( 後 )
XY ビーム主電源投入
XY ビーム主電源投入

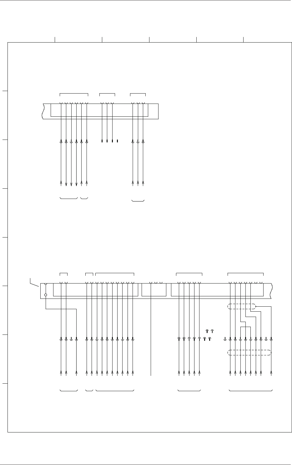
4-18
5OM-1750
1303-001-(31010WB---1006)
X30B コネクタ接続回路
‹óˆ³
from U27-CN153
[D-/04/1E]
:5
:1
:2
:3
X30A2-B
445
Connector X30B
[B-/02/7E]
from U27-CN111
10
10
10
24G1A
24G1B
24G1B
[B-/01/4E]
from Q201
:1
:2
:1
:2
X30A1-B
L120
L220
:4
:A1
:3
SG
[D-/08/2D]
to U01-CN30,48
:1
:2
:3
:1
:2
:3
X30D1-B
10
648
540
:7
:8
:9
:A1
:A2
:B1
X30D2-B
:4
from A63B-CN2
[DC/01/7C]
:12
:2
:3
COM B
GND
:10
COM A
:1
X30D3-B
:11
E
:4
512
10
10
24A2
24G1A
:3
:B1
:4
:A2
:5
:B2
:6
:A3
:7
:B3
:8
:A4
:9
:B4
:10
:A5
:11
:B5
:12
[N-/05/7C]
from U08-CN2
:1
:2
:3
:4
:5
:1
X30C1-B
DN:RX+
DN:RX-
DN:TX+
DN:TX-
SG
:2
:3
:6
:4
:5
:7
:8
:9
[F-/01/7B]
from U81-SERIAL1
:7
:8
:9
:6
:10
:2
:3
:4
:5
:6
:7
:8
TxD
DTR
GND
RxD
DSR
RTS
CTS
:1
X30C2-B
FG
:9
:6
500
:6
:5
:B2
-CN112
from U27-CN121
[B-/02/7D]
RS232C
1 2 3 4 5 6 7 8
A
B
C
D
E
F
A モジュール
トレイ用
AC200V 電源
B モジュール
C モジュール
EMI ケース
トレイ用
DC24V 電源
フィーダ用
DC24V 電源
高速 IO(HSIO)
D モジュール
SV-NET(1ch)
接続確認 1(B1)
接続確認 2(B1)
トレイインターロック (B1)
トレイ電源投入 (B1)
非常停止信号 ( 本体 )
多段トレイ (ACV)(OP)
ID Controller へ

4-19
5OM-1750
1303-001-(31010WB---1007)
X30F コネクタ接続回路
‹óˆ³
from U27-CN153
[B-/04/1E]
:5
:1
:2
:3
X30A2-F
445
Connector X30F
10
10
10
24G1A
24G1A
24G1B
[B-/01/4E]
from Q201
:1
:2
:1
:2
X30A1-F
L120
L220
:4
:A1
:3
SG
[D-/08/7D]
to U01-CN32,49
:1
:2
:3
:1
:2
:3
X30D1-F
10
680
538
:7
:8
:9
:A1
:A2
:B1
X30D2-F
:4
:12
:2
:3
COM B
GND
:10
COM A
:1
X30D3-F
:11
E
:4
513
10
10
24A2
24G1A
:3
:B1
:4
:A2
:5
:B2
:6
:A3
:7
:B3
:8
:A4
:9
:B4
:10
:A5
:11
:B5
:12
[D-/09/8C]
from U01-CN2
:1
:2
:3
:4
:5
:1
X30C1-F
DN:RX+
DN:RX-
DN:TX+
DN:TX-
SG
:2
:3
:6
:4
:5
:7
:8
:9
[F-/01/7D]
from U81-SERIAL2
:7
:8
:9
:6
:10
:2
:3
:4
:5
:6
:7
:8
TxD
DTR
GND
RxD
DSR
RTS
CTS
:1
X30C2-F
FG
:9
:6
500
:6
:5
:B2
[B-/02/7F]
from U27-CN113
-CN114
from U27-CN122
[B-/02/7E]
:11
:12
from A63F-CN2
[DC/02/7C]
RS232C
1 2 3 4 5 6 7 8
A
B
C
D
E
F
A モジュール
トレイ用
AC200V 電源
B モジュール
C モジュール
EMI ケース
トレイ用
DC24V 電源
フィーダ用
DC24V 電源
高速 IO(HSIO)
D モジュール
SV-NET(1ch)
接続確認 1(B1)
接続確認 2(B1)
トレイインターロック (B1)
トレイ電源投入 (B1)
非常停止信号 ( 本体 )
多段トレイ (ACV)(OP)
ID Controller へ