YS100操作.pdf - 第40页
1-10 1 SF规格 Type31X (FNC-A) H5-315A H3-315A H1-315A H7-314A H5-313A H1-314A H3-314A H5-314A H3-313A H7-315A H7-313A H1-313A H1-302A H1-312A H3-312A H5-312A H7-312A 35 32 31 30 29 28 27 26 25 38 37 40 39 24 23 22 21 20 19…

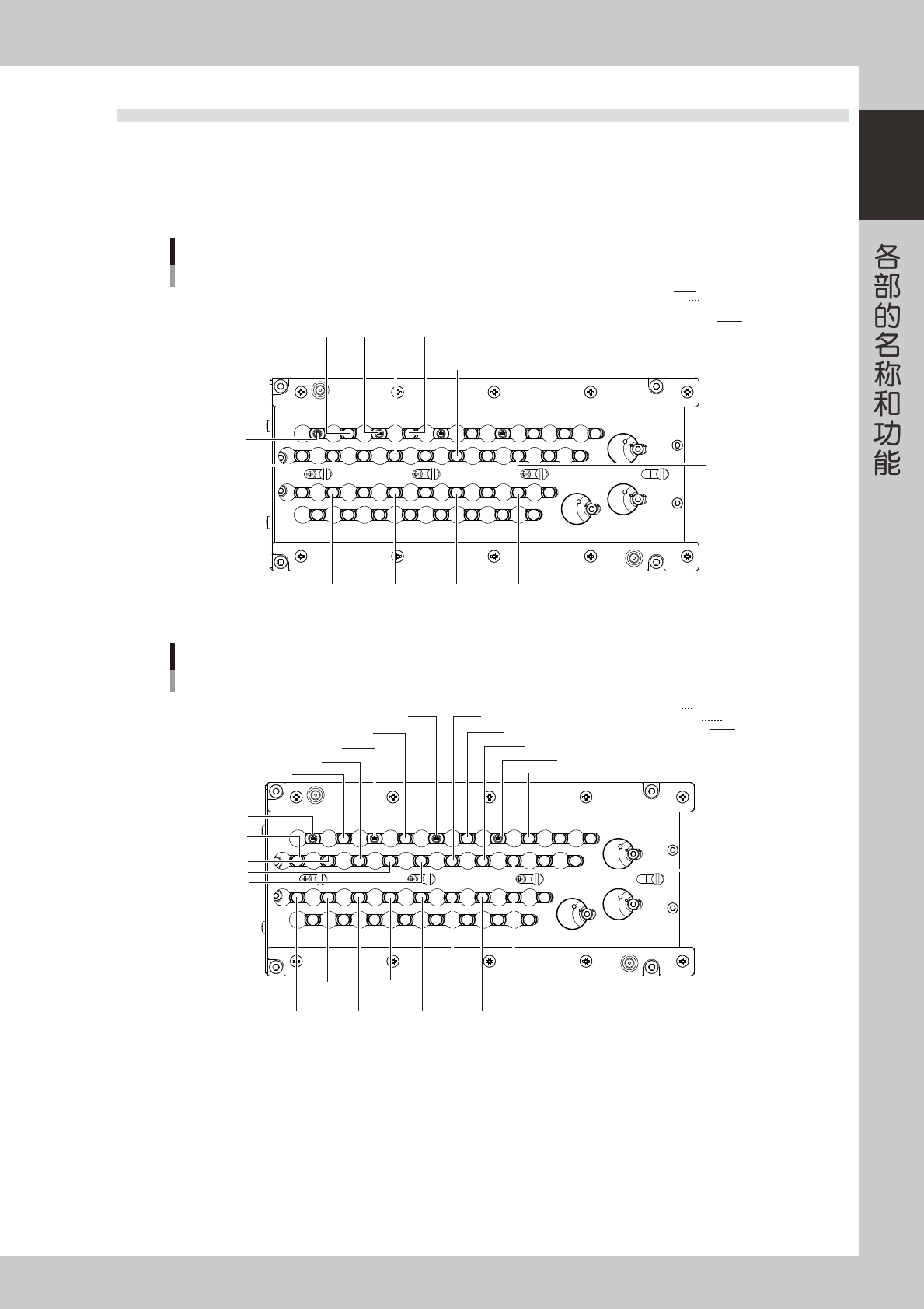
1-9
1
3.3 吸嘴交换站 ( 选配 )
如果配备了吸嘴交换站 , 就可以装备用于自动交换的各种吸嘴。
YS100 SF 型贴装头的 1、3、5、7 号贴装头可以自动交换吸嘴(2、4、6、8 号贴装头无法自动交换)。
YS100 FNC 型贴装头的所有贴装头都可以自动交换吸嘴。
适用吸嘴交换站的贴装头和吸嘴类型 (Type) 如下图所示。
FNC规格
Type30X
H1-304A
H1-301A
H7-304A
H3-304A
H1-302A
H3-302AH5-302A
H7-302A
H3-301AH5-301AH7-301A
8 7 6 5 4 3 2 1
33
34
35
32 31 30 29 28 27 26 25
38 37
36
40 39
16 15 14 13 12 11 10 9
24 23 22 21 20 19 18 17
H3-304A
H1-302A
吸嘴号码
贴装头号码
25113-L1-00
SF规格
Type30X
H4-302A
H5-304A
H3-304A
H6-302A
H1-304A
H8-303A
H5-302A
H2-303A
H4-303A
H2-302A
H6-303A
H3-302A
H8-302A
H7-304A
H7-302A
H1-302A
H1-302A
H1-301A
H2-301AH4-301AH6-301AH8-301A
H3-301AH5-301AH7-301A
35
32 31 30 29 28 27 26 25
38 37
40 39
24 23 22 21 20 19 18 17
8 7 6 5 4 3 2 1
33
34
36
16 15 14 13 12 11 10 9
吸嘴号码
贴装头号码
25112-L1-00

1-10
1
SF规格
Type31X (FNC-A)
H5-315A
H3-315A
H1-315A
H7-314A
H5-313A
H1-314A
H3-314A
H5-314A
H3-313A
H7-315A
H7-313A
H1-313A
H1-302A
H1-312AH3-312AH5-312AH7-312A
35
32 31 30 29 28 27 26 25
38 37
40 39
24 23 22 21 20 19 18 17
8 7 6 5 4 3 2 1
33
34
36
16 15 14 13 12 11 10 9
吸嘴号码
贴装头号码
25116-L1-00
FNC规格
Type31X (FNC-B)
H1-315A
H1-312A
H1-311A
H3-311A
H5-311A
H7-311A
H7-315A
H3-315A
H1-313A
H3-313AH5-313A
H7-313A
H3-312AH5-312AH7-312A
8 7 6 5 4 3 2 1
33
34
35
32 31 30 29 28 27 26 25
38 37
36
40 39
16 15 14 13 12 11 10 9
24 23 22 21 20 19 18 17
H5-315A
H1-302A
吸嘴号码
贴装头号码
25124-L1-00
SF规格
Type31X
H4-313A
H5-315A
H3-315A
H6-313A
H1-315A
H8-314A
H5-313A
H2-314A
H4-314A
H2-313A
H6-314A
H3-313A
H8-313A
H7-315A
H7-313A
H1-313A
H1-302A
H1-312A
H1-311A
H1-316A
H2-311AH7-311A
H8-311A
H2-312AH6-312A
H3-311AH6-311A
H3-312AH5-312A
H4-311A
H4-312A
H5-311A
H8-312A
H7-312A
35
32 31 30 29 28 27 26 25
38 37
40 39
24 23 22 21 20 19 18 17
8 7 6 5 4 3 2 1
33
34
36
16 15 14 13 12 11 10 9
吸嘴号码
贴装头号码
25127-L1-00

1-11
1
4.元件供给部
送料器安装部中配备着安装带式送料器的送料器架,驱动选配装置的电源和气源插口。
4.1 从送料器架供给元件
4.1.1 固定送料器架
在送料器架上安装带式送料器、散装送料器、杆式送料器,由贴片机供给的气压驱动。
送料器部
25108-L1-00
电源插口
杆式送料器等选配装置使用的电源插口。
气源插口
杆式送料器、气枪等选配装置使用的气源插口。连接外径 Φ4 的输气管,由主机向选配装置供给压缩空气。