M10_PartsList PDFA.pdf - 第100页
M 1 0 / M 2 0 9 7 0 2 1 8. R 0 0 9 8 0 0 0 1 . R 0 1 6 x 2 H E A D S E C P A R T S L I S T

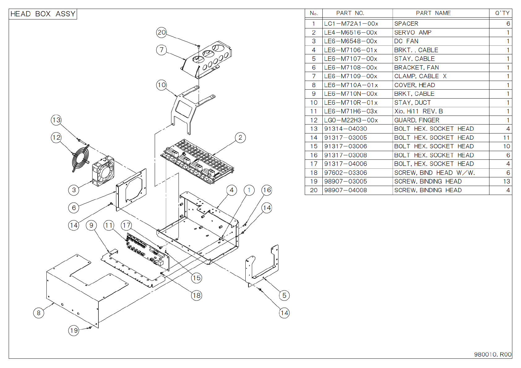
H E A D B O X A S S Y
P A R T N O . P A R T N A M E. Q ’ T Y
O
N
S P A C E R1 6L C 1 - M 7 2 A 1 - 0 0 x
S E R V O A M P2 1L E 4 - M 6 5 1 6 - 0 0 x
1D C F A N3 L E 6 - M 6 5 4 8 - 0 0 x
1B R K T . , C A B L E4 L E 6 - M 7 1 0 6 - 0 1 x
1S T A Y , C A B L E5 L E 6 - M 7 1 0 7 - 0 0 x
1B R A C K E T , F A N6 L E 6 - M 7 1 0 8 - 0 0 x
C L A M P , C A B L E X7 L E 6 - M 7 1 0 9 - 0 0 x 1
C O V E R , H E A D8 L E 6 - M 7 1 0 A - 0 1 x 1
B R K T , C A B L E9 L E 6 - M 7 1 0 N - 0 0 x 1
S T A Y , D U C T1 0 L E 6 - M 7 1 0 R - 0 1 x 1
1 1 1
G U A R D , F I N G E R1 2 L G 0 - M 2 2 H 3 - 0 0 x 1
B O L T H E X . S O C K E T H E A D1 3 9 1 3 1 4 - 0 4 0 3 0 4
B O L T H E X . S O C K E T H E A D1 4 9 1 3 1 7 - 0 3 0 0 5
B O L T H E X . S O C K E T H E A D1 5 9 1 3 1 7 - 0 3 0 0 6 1 0
B O L T H E X . S O C K E T H E A D1 6 9 1 3 1 7 - 0 3 0 0 8 6
B O L T , H E X . S O C K E T H E A D1 7 9 1 3 1 7 - 0 4 0 0 6 4
S C R E W , B I N D H E A D W / W .1 8 9 7 6 0 2 - 0 3 3 0 6 6
S C R E W , B I N D I N G H E A D1 9 9 8 9 0 7 - 0 3 0 0 5 1 3
S C R E W , B I N D I N G H E A D2 0 9 8 9 0 7 - 0 4 0 0 8 4
1 1
L E 6 - M 7 1 H 6 - 0 3 x X i o . H i 1 1 R E V . B
9 8 0 0 1 0 . R 0 0
5
1 4
1 9
8
1 3
1 2
3
6
7
4
2 0
1 6
1 4
1 0
2
1 4
1
1 71 19
1 8
1 5

M 1 0 / M 2 0
9 7 0 2 1 8. R 0 0
9 8 0 0 0 1. R 0 1
6 x 2 H E A D S E C
P A R T S L I S T

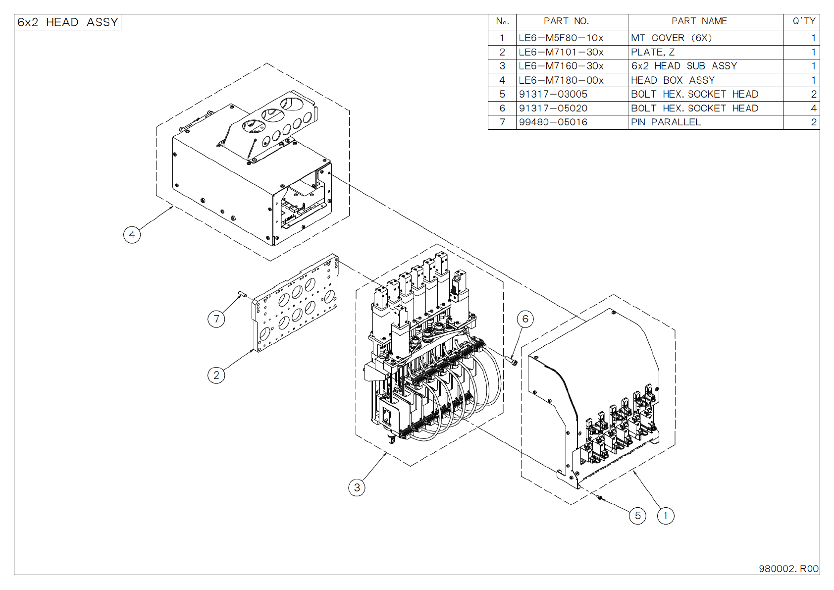
6 x 2 H E A D A S S Y
P A R T N O . P A R T N A M E. Q ’ T Y
O
N
1 L E 6 - M 5 F 8 0 - 1 0 x M T C O V E R ( 6 X ) 1
2 L E 6 - M 7 1 0 1 - 3 0 x P L A T E , Z 1
3 6 x 2 H E A D S U B A S S Y 1
4 L E 6 - M 7 1 8 0 - 0 0 x H E A D B O X A S S Y 1
5 9 1 3 1 7 - 0 3 0 0 5 B O L T H E X . S O C K E T H E A D 2
6 9 1 3 1 7 - 0 5 0 2 0 B O L T H E X . S O C K E T H E A D 4
7 9 9 4 8 0 - 0 5 0 1 6 P I N P A R A L L E L 2
L E 6 - M 7 1 6 0 - 3 0 x
9 8 0 0 0 2 . R 0 0
2
5
6
1
4
7
3