M10_PartsList PDFA.pdf - 第41页
P A R T N O . P A R T N A M E . Q ’ T Y O N 1 L E 4 - M 6 5 A 1 - 0 0 x F A N 8 A S S Y . 1 2 L E 6 - M 2 6 2 1 - 0 0 x B R K T . , F A N 1 1 3 L E 6 - M 2 6 2 3 - 0 0 x B R K T . , F A N 3 1 4 L E 6 - M 2 6 2 5 - 0 0 x …

P A R T N O . P A R T N A M E Q ’ T Y
Y - A X I S A S S Y
9 8 0 0 2 5 . R 0 0
S H T . 2 / 2
1 L C 0 - M 2 2 A 1 - 0 1 x C O U P L I N G , X 2
2 L C 1 - M 2 2 A A - 0 0 x B R G , A N G U L A R 2
3 L C 1 - M 2 2 A D - 0 0 x L O C K N U T 2
4 L C 2 - M 2 6 0 L - 0 1 x T A P E R P I N 8
5 L E 6 - M 2 2 1 2 - 0 1 x P L A T E , F L A N G E 2
6 L E 6 - M 2 6 0 1 - 0 0 x B A L L S C R E W , Y 2
7 L E 6 - M 2 6 0 2 - 0 0 x S T A Y , C A B L E 1
8 L E 6 - M 2 6 0 3 - E 1 x C L A M P , C A B L E 1
9 L E 6 - M 2 6 0 4 - 0 0 x C O V E R , S C R E W 1
1 0 L E 6 - M 2 6 0 6 - 0 0 x P L A T E S E N S O R , Y 1
1 1 L E 6 - M 2 6 0 6 - 1 0 x P L A T E S E N S O R , Y 1
1 2 L E 6 - M 2 6 0 8 - 0 0 x L M G U I D E 1
1 3 L E 6 - M 2 6 1 0 - 0 1 x H O L D E R S E T , Y 2
1 4 L E 6 - M 2 6 1 3 - 0 0 x S P A C E R 2
1 5 L E 6 - M 2 6 2 0 - 0 0 x Y 1 C O O L I N G F A N A S S Y 1
1 6 L E 6 - M 2 6 2 0 - 1 0 x Y 2 C O O L I N G F A N A S S Y 1
1 7 L E 6 - M 2 6 A 1 - 0 0 x G O M , S T O P P E R 1 2
1 8 L E 6 - M 2 6 A 2 - E 1 x G O M 1
1 9 L E 6 - M 2 6 A 4 - 0 0 x G O M , S T O P P E R 2 2
2 0 L E 6 - M 2 6 A 5 - 0 1 x S P A C E R 4
2 1 L E 6 - M 6 5 E E - 0 0 x Y S E N S O R A S S Y . 1
2 2 L E 6 - M 6 5 E E - 1 0 x Y S E N S O R A S S Y . 1
2 3 L E 6 - M 6 5 M 1 - 0 0 x Y 1 M O T O R A S S Y . 1
2 4 L E 6 - M 6 5 M 1 - 1 0 x Y 2 M O T O R A S S Y . 1
2 5 L E 7 - M 6 6 A 1 - 2 2 x H N S , X - Y F L A T C A B L E 1
2 6 L G 1 - M 1 7 A K - 0 0 x B E A R I N G 4
2 7 9 0 9 9 0 - 1 2 J 0 0 3 S C R E W , B I N . H E A D W / W 4
2 8 9 0 9 9 0 - 4 6 J 0 0 1 B O L T , T H I N H E A D 4
2 9 9 1 3 1 7 - 0 3 0 0 6 B O L T H E X . S O C K E T H E A D 4
3 0 9 1 3 1 7 - 0 3 0 0 8 B O L T H E X . S O C K E T H E A D 4
3 1 9 1 3 1 7 - 0 4 0 1 8 B O L T H E X . S O C K E T H E A D 4
3 2 9 1 3 1 7 - 0 5 0 1 6 B O L T H E X . S O C K E T H E A D 8
3 3 9 1 3 1 7 - 0 5 0 2 0 B O L T H E X . S O C K E T H E A D 5 4
3 4 9 1 3 1 7 - 0 6 0 2 0 B O L T H E X . S O C K E T H E A D 8
3 5 9 1 3 1 7 - 0 6 0 3 0 B O L T H E X . S O C K E T H E A D 8
3 6 9 2 9 0 7 - 0 3 2 0 0 W A S H E R P L A I N 4
3 7 9 9 0 0 9 - 1 5 4 0 0 C I R C L I P 6
N o .P A R T N O . P A R T N A M E Q ’ T YN o .

P A R T N O . P A R T N A M E. Q ’ T Y
O
N
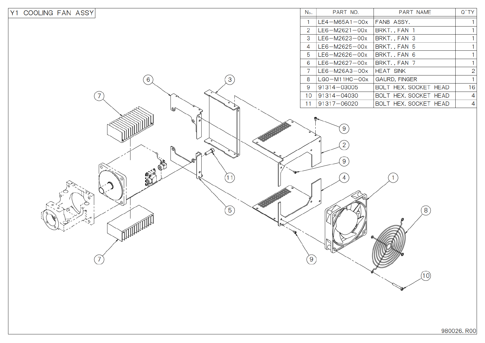
1 L E 4 - M 6 5 A 1 - 0 0 x F A N 8 A S S Y . 1
2 L E 6 - M 2 6 2 1 - 0 0 x B R K T . , F A N 1 1
3 L E 6 - M 2 6 2 3 - 0 0 x B R K T . , F A N 3 1
4 L E 6 - M 2 6 2 5 - 0 0 x B R K T . , F A N 5 1
5 L E 6 - M 2 6 2 6 - 0 0 x B R K T . , F A N 6 1
6 L E 6 - M 2 6 2 7 - 0 0 x B R K T . , F A N 7 1
7 L E 6 - M 2 6 A 3 - 0 0 x H E A T S I N K 2
8 L G 0 - M 1 1 H C - 0 0 x G A U R D , F I N G E R 1
9 9 1 3 1 4 - 0 3 0 0 5 B O L T H E X . S O C K E T H E A D 1 6
1 0 9 1 3 1 4 - 0 4 0 3 0 B O L T H E X . S O C K E T H E A D 4
1 1 9 1 3 1 7 - 0 6 0 2 0 B O L T H E X . S O C K E T H E A D 4
Y 1 C O O L I N G F A N A S S Y
9 8 0 0 2 6 . R 0 0
7
7
6
1 1 4
8
1 0
9
5
3
1
9
2
9

P A R T N O . P A R T N A M E. Q ’ T Y
O
N
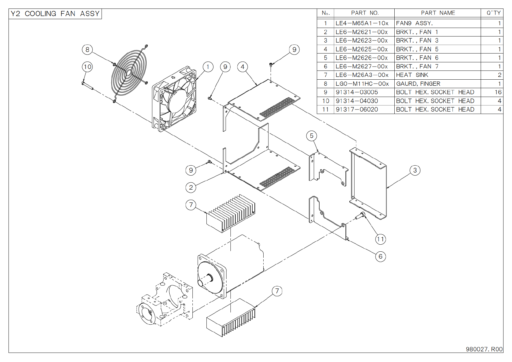
Y 2 C O O L I N G F A N A S S Y
1 L E 4 - M 6 5 A 1 - 1 0 x F A N 9 A S S Y . 1
2 L E 6 - M 2 6 2 1 - 0 0 x B R K T . , F A N 1 1
3 L E 6 - M 2 6 2 3 - 0 0 x B R K T . , F A N 3 1
4 L E 6 - M 2 6 2 5 - 0 0 x B R K T . , F A N 5 1
5 L E 6 - M 2 6 2 6 - 0 0 x B R K T . , F A N 6 1
6 L E 6 - M 2 6 2 7 - 0 0 x B R K T . , F A N 7 1
7 L E 6 - M 2 6 A 3 - 0 0 x H E A T S I N K 2
8 L G 0 - M 1 1 H C - 0 0 x G A U R D , F I N G E R 1
9 9 1 3 1 4 - 0 3 0 0 5 B O L T H E X . S O C K E T H E A D 1 6
1 0 9 1 3 1 4 - 0 4 0 3 0 B O L T H E X . S O C K E T H E A D 4
1 1 9 1 3 1 7 - 0 6 0 2 0 B O L T H E X . S O C K E T H E A D 4
9 8 0 0 2 7 . R 0 0
3
7
5
2
9
8
1 0
7
1 1
6
9 41
9