M10_PartsList PDFA.pdf - 第91页
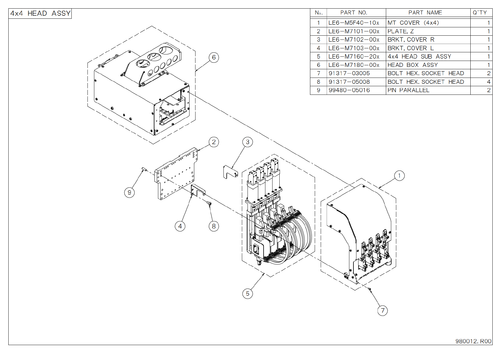
4 x 4 H E A D A S S Y P A R T N O . P A R T N A M E . Q ’ T Y O N 1 L E 6 - M 5 F 4 0 - 1 0 x M T C O V E R ( 4 x 4 ) 1 2 L E 6 - M 7 1 0 1 - 0 0 x P L A T E , Z 1 3 L E 6 - M 7 1 0 2 - 0 0 x B R K T , C O V E R R 1 4 L …

M 1 0 / M 2 0
9 7 0 2 1 8. R 0 0
9 8 0 0 1 1. R 0 1
4 x 4 H E A D S E C
P A R T S L I S T

4 x 4 H E A D A S S Y
P A R T N O . P A R T N A M E. Q ’ T Y
O
N
1 L E 6 - M 5 F 4 0 - 1 0 x M T C O V E R ( 4 x 4 ) 1
2 L E 6 - M 7 1 0 1 - 0 0 x P L A T E , Z 1
3 L E 6 - M 7 1 0 2 - 0 0 x B R K T , C O V E R R 1
4 L E 6 - M 7 1 0 3 - 0 0 x B R K T , C O V E R L 1
5 L E 6 - M 7 1 6 0 - 2 0 x 4 x 4 H E A D S U B A S S Y 1
6 L E 6 - M 7 1 8 0 - 0 0 x H E A D B O X A S S Y 1
7 9 1 3 1 7 - 0 3 0 0 5 B O L T H E X . S O C K E T H E A D 2
8 9 1 3 1 7 - 0 5 0 0 8 B O L T H E X . S O C K E T H E A D 4
9 9 9 4 8 0 - 0 5 0 1 6 P I N P A R A L L E L 2
9 8 0 0 1 2 . R 0 0
2
9
6
1
7
5
3
4 8

P A R T N O . P A R T N A M E. Q ’ T Y
O
N
M T C O V E R ( 4 x 4 )
M A G N E T A S S Y1 L E 6 - M 5 F 9 0 - 0 0 x 1
Z S E N S O R A S S Y2 L E 6 - M 6 5 E A - 0 0 x 1
B R K T , V A L V E3 L E 6 - M 7 1 0 4 - 0 0 x 1
S T A Y , C O V E R R4 L E 6 - M 7 1 0 K - 0 1 x 1
5 L E 6 - M 7 1 0 L - 0 1 x 1
C O V E R , H E A D6 L E 6 - M 7 1 0 M - 0 0 x 1
G R O M M E T7 L E 6 - M 7 1 2 E - 0 0 x 8
S O L . V A L V E A S S Y .8 L E 6 - M 7 1 A 2 - 0 0 x 1
B O L T H E X . S O C K E T H E A D9 9 1 3 1 7 - 0 3 0 0 5 1 4
B O L T H E X . S O C K E T H E A D1 0 9 1 3 1 7 - 0 3 0 1 6 3
S C R E W , B I N D I N G H E A D1 1 9 8 9 0 7 - 0 3 0 0 5 6
S T A Y , C O V E R L
9 8 0 0 1 3 . R 0 0
4
3
5
6
1 1
8 1 0
9
9
2
7
1