M10_PartsList PDFA.pdf - 第108页
P A R T N O . P A R T N A M E . Q ’ T Y O N S P L I N E S H A F T A S S Y 1 L E 6 - M 7 1 1 8 - 0 0 x P U L L E Y 1 2 L E 6 - M 7 1 1 9 - 0 0 x H O L D E R , S P L I N E 1 3 L E 6 - M 7 1 1 G - 0 0 x 1 4 L E 6 - M 7 1 A …

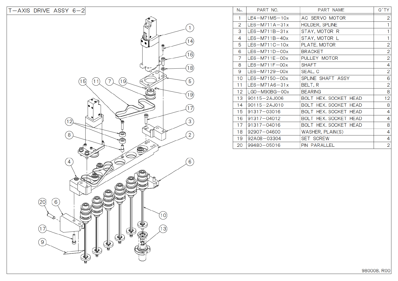
T - A X I S D R I V E A S S Y 6 - 2
P A R T N O . P A R T N A M E. Q ’ T Y
O
N
A C S E R V O M O T O R1 L E 4 - M 7 1 M 5 - 1 0 x 2
H O L D E R , S P L I N E2 1L E 6 - M 7 1 1 A - 3 1 x
S T A Y , M O T O R R3 1L E 6 - M 7 1 1 B - 3 1 x
4 1L E 6 - M 7 1 1 B - 4 0 x
5 2L E 6 - M 7 1 1 C - 1 0 x
B R A C K E T6 2L E 6 - M 7 1 1 D - 0 0 x
P U L L E Y M O T O R7 L E 6 - M 7 1 1 E - 0 0 x 2
S H A F T8 L E 6 - M 7 1 1 F - 0 0 x 4
S E A L , C9 L E 6 - M 7 1 2 9 - 0 0 x 2
S P L I N E S H A F T A S S Y1 0 L E 6 - M 7 1 5 0 - 0 0 x 6
B E L T , R1 1 L E 6 - M 7 1 A 6 - 3 1 x 2
B E A R I N G1 2 L G 0 - M 9 0 B G - 0 0 x 8
B O L T H E X . S O C K E T H E A D1 3 9 0 1 1 5 - 2 A J 0 0 6 1 2
B O L T H E X . S O C K E T H E A D1 4 9 0 1 1 5 - 2 A J 0 1 0 8
B O L T H E X . S O C K E T H E A D1 5 9 1 3 1 7 - 0 3 0 1 6 4
B O L T H E X . S O C K E T H E A D1 6 9 1 3 1 7 - 0 4 0 1 2 4
B O L T H E X . S O C K E T H E A D1 7 9 1 3 1 7 - 0 4 0 1 6 8
1 8 9 2 9 0 7 - 0 4 6 0 0 4
S E T S C R E W1 9 9 2 A 0 8 - 0 3 3 0 4 4
P I N P A R A L L E L2 0 9 9 4 8 0 - 0 5 0 1 6 2
W A S H E R , P L A I N ( S )
P L A T E , M O T O R
S T A Y , M O T O R L
9 8 0 0 0 8 . R 0 0
1 4
1
1 6
1 8
5
1 7
1 3
62 0
1 0
1 9
4
1 7
9
2
3
8
1 2
1 5 1 1 7 1 9
6

P A R T N O . P A R T N A M E. Q ’ T Y
O
N
S P L I N E S H A F T A S S Y
1 L E 6 - M 7 1 1 8 - 0 0 x P U L L E Y 1
2 L E 6 - M 7 1 1 9 - 0 0 x H O L D E R , S P L I N E 1
3 L E 6 - M 7 1 1 G - 0 0 x 1
4 L E 6 - M 7 1 A 7 - 0 0 x B R G . 1
5 L E 7 - M 7 1 A 3 - 0 0 x B A L L S P L I N E 1
6 L G 1 - M 2 6 A D - 0 0 x B R G . 1
7 L G 7 - M 7 1 B 1 - 0 0 x B A L L B E A R I N G 1
8 9 2 A 0 8 - 0 2 3 0 3 S E T S C R E W M 2 X 3 1
9 9 2 A 0 8 - 0 3 3 0 3 S E T S C R E W M 3 X 3 2
1 0 9 9 0 0 1 - 0 3 6 0 0 C I R C L I P 2
H O L D E R , B R G
9 8 0 0 0 9 . R 0 0
9
1
2
5
8
1 0 3
4
6
7

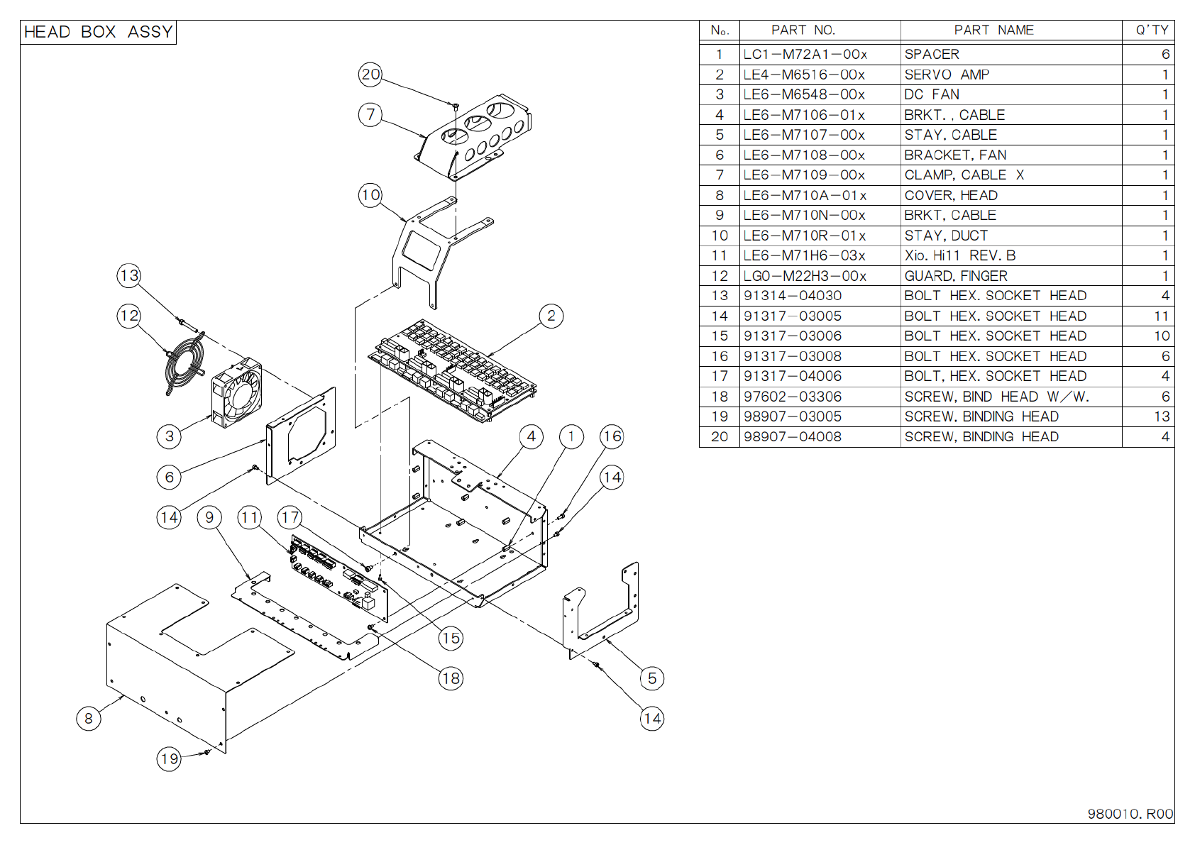
H E A D B O X A S S Y
P A R T N O . P A R T N A M E. Q ’ T Y
O
N
S P A C E R1 6L C 1 - M 7 2 A 1 - 0 0 x
S E R V O A M P2 1L E 4 - M 6 5 1 6 - 0 0 x
1D C F A N3 L E 6 - M 6 5 4 8 - 0 0 x
1B R K T . , C A B L E4 L E 6 - M 7 1 0 6 - 0 1 x
1S T A Y , C A B L E5 L E 6 - M 7 1 0 7 - 0 0 x
1B R A C K E T , F A N6 L E 6 - M 7 1 0 8 - 0 0 x
C L A M P , C A B L E X7 L E 6 - M 7 1 0 9 - 0 0 x 1
C O V E R , H E A D8 L E 6 - M 7 1 0 A - 0 1 x 1
B R K T , C A B L E9 L E 6 - M 7 1 0 N - 0 0 x 1
S T A Y , D U C T1 0 L E 6 - M 7 1 0 R - 0 1 x 1
1 1 1
G U A R D , F I N G E R1 2 L G 0 - M 2 2 H 3 - 0 0 x 1
B O L T H E X . S O C K E T H E A D1 3 9 1 3 1 4 - 0 4 0 3 0 4
B O L T H E X . S O C K E T H E A D1 4 9 1 3 1 7 - 0 3 0 0 5
B O L T H E X . S O C K E T H E A D1 5 9 1 3 1 7 - 0 3 0 0 6 1 0
B O L T H E X . S O C K E T H E A D1 6 9 1 3 1 7 - 0 3 0 0 8 6
B O L T , H E X . S O C K E T H E A D1 7 9 1 3 1 7 - 0 4 0 0 6 4
S C R E W , B I N D H E A D W / W .1 8 9 7 6 0 2 - 0 3 3 0 6 6
S C R E W , B I N D I N G H E A D1 9 9 8 9 0 7 - 0 3 0 0 5 1 3
S C R E W , B I N D I N G H E A D2 0 9 8 9 0 7 - 0 4 0 0 8 4
1 1
L E 6 - M 7 1 H 6 - 0 3 x X i o . H i 1 1 R E V . B
9 8 0 0 1 0 . R 0 0
5
1 4
1 9
8
1 3
1 2
3
6
7
4
2 0
1 6
1 4
1 0
2
1 4
1
1 71 19
1 8
1 5