M10_PartsList PDFA.pdf - 第363页
P A R T N O . P A R T N A M E Q ’ T Y N o . 1 L E 6 - M 5 J 3 6 - 0 0 x C L A M P , P L A T E 2 2 L E 6 - M 5 J 3 7 - 0 0 x P L A T E 1 3 L E 6 - M 5 J 3 A - 0 0 x C L A M P , P L A T E 2 4 L E 6 - M 5 J 3 G - 0 0 x C O …

P A R T N O . P A R T N A M E Q ’ T YN o .
M O T O R A S S Y
9 8 0 3 3 4 . R 0 0
1 L C 2 - M 8 8 0 6 - 0 0 x N E E D L E P I N 1
2 L E 6 - M 5 J 1 1 - 0 0 x B R C K E T , M O T O R 1
3 L E 6 - M 5 J 1 2 - 0 0 x B O L C K , J O I N T 1
4 L E 6 - M 5 J 1 3 - 0 0 x C O U P U L I N G 1
5 L E 6 - M 5 J 1 6 - 0 0 x B E A R I N G 1
6 L E 6 - M 5 J 1 7 - 0 0 x P L A T E , D O G 1
7 L E 6 - M 5 J 1 8 - 0 0 x H O L D E R , C O U P U L I N G 1
8 L E 6 - M 5 J 1 C - 0 0 x S P R I N G , W I R E 1
9 L E 6 - M 5 J H 6 - 0 0 x P O S I T I O N S E N S . A S S Y 1
1 0 L E 6 - M 5 J H 7 - 0 0 x D C M O T O R A S S Y 1
1 1 9 1 3 1 4 - 0 3 0 0 6 B O L T H E X . S O C K E T H E A D 2
1 2 9 1 3 1 4 - 0 4 0 0 8 B O L T H E X . S O C K E T H E A D 4
1 3 9 1 3 1 7 - 0 3 0 0 8 B O L T H E X . S O C K E T H E A D 3
1 4 9 2 A 0 8 - 0 3 3 0 3 S E T S C R E W M 3 X 3 4
1 5 9 8 7 0 4 - 0 3 0 0 6 S C R E W , F L A T H E A D ( + ) 3
1 0
1 4
1 2
1 1
6
1 3
3 4
1
8
1 4
7
9
1 5
2
5

P A R T N O . P A R T N A M E Q ’ T YN o .
1 L E 6 - M 5 J 3 6 - 0 0 x C L A M P , P L A T E 2
2 L E 6 - M 5 J 3 7 - 0 0 x P L A T E 1
3 L E 6 - M 5 J 3 A - 0 0 x C L A M P , P L A T E 2
4 L E 6 - M 5 J 3 G - 0 0 x C O V E R , S E A T 1
5 L E 6 - M 5 J H 5 - 0 0 x A R E A S E N S . A S S Y 1
6 9 0 1 6 6 - 0 2 J 2 0 5 S C R E W , P A N H E A D 4
7 9 1 3 1 4 - 0 4 0 0 6 B O L T H E X . S O C K E T H E A D 4
8 9 2 D 1 8 - 0 2 0 1 0 B O L T H E X . S O C K E T H E A D 4
A R E A S E N S O R A S S Y
9 8 0 3 3 5 . R 0 0
4
2
1
5
8
6
1 8
3
7

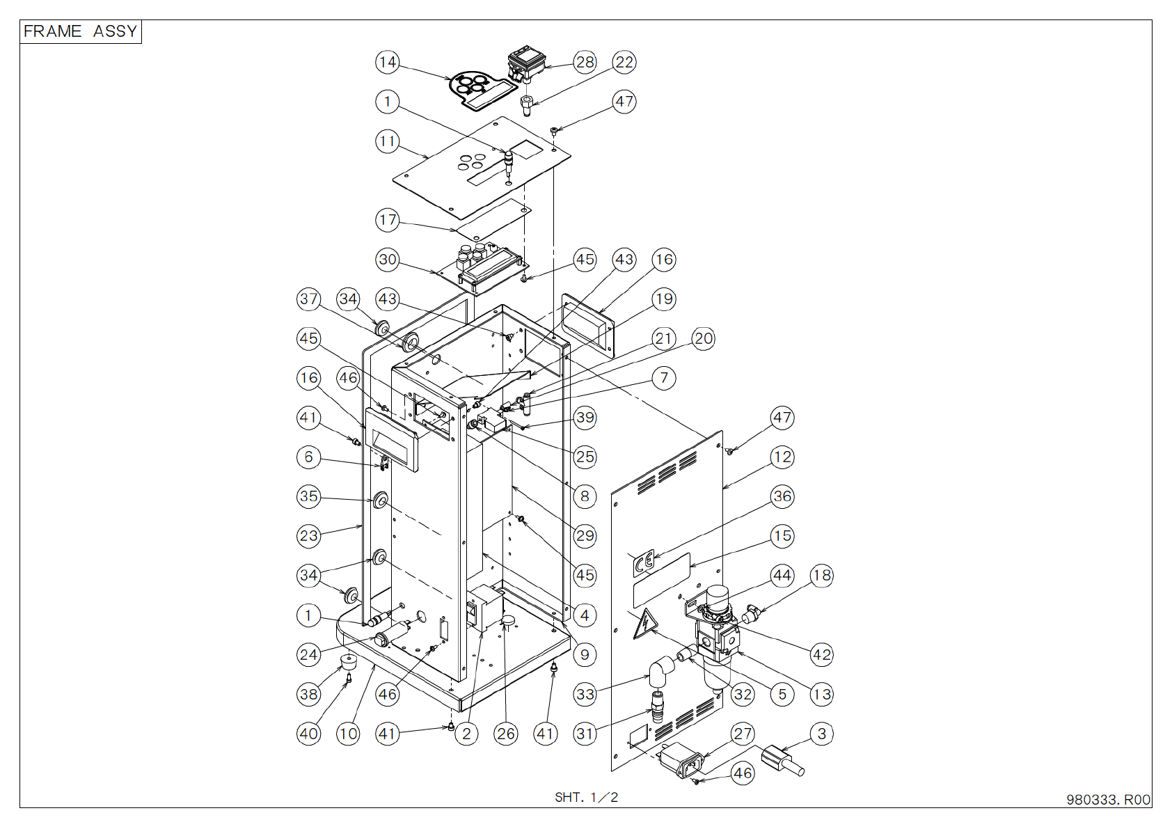
F R A M E A S S Y
9 8 0 3 3 3 . R 0 0
S H T . 1 / 2
1
2
1
2 8
3 4
3 0
1 7
4 5
4 7
4 3
4 6
4 1
6
1 6
4 5
3 5
3 8
4 0
4 6
4 1 4 11 0
8
2 9
4 5
4
9
4 3 1 6
3 9
7
4 7
4 6
2 73 1
3 3 5 1 3
1 2
4 2
3 6
1 5
4 4
3 2
2 6
3 7
1 4
1 1
2 3
2 4
1 9
2 02 1
1 8
2 2
2 5
3 4
3