M10_PartsList PDFA.pdf - 第276页
P A R T N O . P A R T N A M E Q ’ T Y N o . Z - A X I S S U B A S S Y 9 8 0 3 0 1 . R 0 0 1 L C 3 - M 2 2 0 2 - 0 0 x L M G U I D E 1 2 L E 6 - M 5 B 3 5 - A 0 x E L E V A T O R A S S Y 1 3 L E 6 - M 5 B 3 D - A 0 x E V …

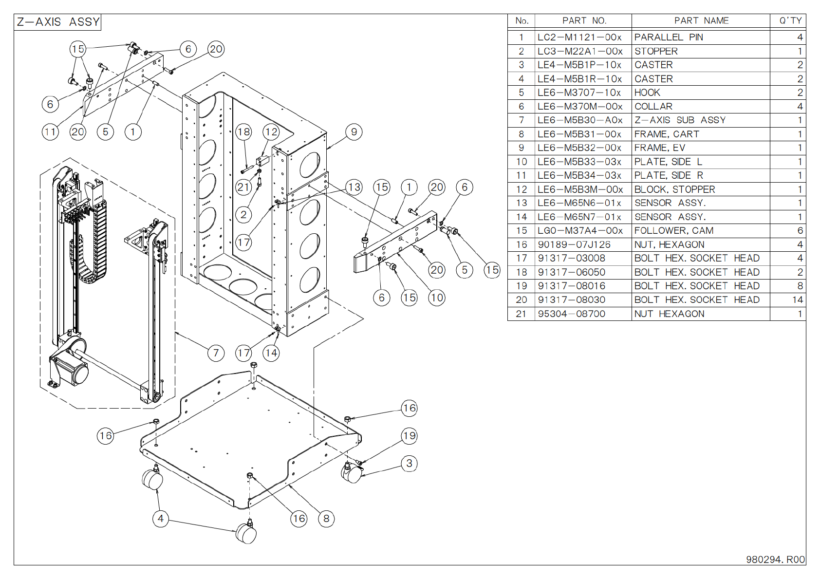
P A R T N O . P A R T N A M E Q ’ T YN o .
Z - A X I S A S S Y
9 8 0 2 9 4 . R 0 0
1 L C 2 - M 1 1 2 1 - 0 0 x P A R A L L E L P I N 4
2 L C 3 - M 2 2 A 1 - 0 0 x S T O P P E R 1
3 L E 4 - M 5 B 1 P - 1 0 x C A S T E R 2
4 L E 4 - M 5 B 1 R - 1 0 x C A S T E R 2
5 L E 6 - M 3 7 0 7 - 1 0 x H O O K 2
6 L E 6 - M 3 7 0 M - 0 0 x C O L L A R 4
7 L E 6 - M 5 B 3 0 - A 0 x Z - A X I S S U B A S S Y 1
8 L E 6 - M 5 B 3 1 - 0 0 x F R A M E , C A R T 1
9 L E 6 - M 5 B 3 2 - 0 0 x F R A M E , E V 1
1 0 L E 6 - M 5 B 3 3 - 0 3 x P L A T E , S I D E L 1
1 1 L E 6 - M 5 B 3 4 - 0 3 x P L A T E , S I D E R 1
1 2 L E 6 - M 5 B 3 M - 0 0 x B L O C K , S T O P P E R 1
1 3 L E 6 - M 6 5 N 6 - 0 1 x S E N S O R A S S Y . 1
1 4 L E 6 - M 6 5 N 7 - 0 1 x S E N S O R A S S Y . 1
1 5 L G 0 - M 3 7 A 4 - 0 0 x F O L L O W E R , C A M 6
1 6 9 0 1 8 9 - 0 7 J 1 2 6 N U T , H E X A G O N 4
1 7 9 1 3 1 7 - 0 3 0 0 8 B O L T H E X . S O C K E T H E A D 4
1 8 9 1 3 1 7 - 0 6 0 5 0 B O L T H E X . S O C K E T H E A D 2
1 9 9 1 3 1 7 - 0 8 0 1 6 B O L T H E X . S O C K E T H E A D 8
2 0 9 1 3 1 7 - 0 8 0 3 0 B O L T H E X . S O C K E T H E A D 1 4
2 1 9 5 3 0 4 - 0 8 7 0 0 N U T H E X A G O N 1
4
6
1 55
61 5
81 6
2 0
3
2 0
2 01
1
1 56
1 5
1 0
6
1 1 5
1 6
1 9
2 0
1 6
1 41 7
2
2 1
1 21 8
1 7
1 3
7
9

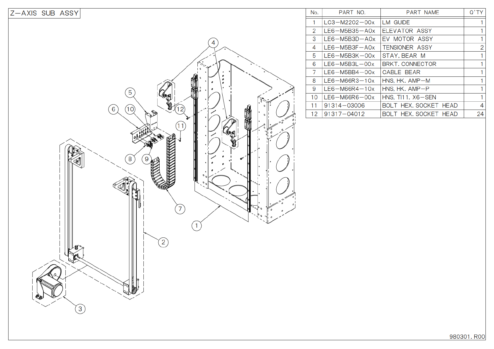
P A R T N O . P A R T N A M E Q ’ T YN o .
Z - A X I S S U B A S S Y
9 8 0 3 0 1 . R 0 0
1 L C 3 - M 2 2 0 2 - 0 0 x L M G U I D E 1
2 L E 6 - M 5 B 3 5 - A 0 x E L E V A T O R A S S Y 1
3 L E 6 - M 5 B 3 D - A 0 x E V M O T O R A S S Y 1
4 L E 6 - M 5 B 3 F - A 0 x T E N S I O N E R A S S Y 2
5 L E 6 - M 5 B 3 K - 0 0 x S T A Y , B E A R M 1
6 L E 6 - M 5 B 3 L - 0 0 x B R K T . C O N N E C T O R 1
7 L E 6 - M 5 B B 4 - 0 0 x C A B L E B E A R 1
8 L E 6 - M 6 6 R 3 - 1 0 x H N S , H K . A M P - M 1
9 L E 6 - M 6 6 R 4 - 1 0 x H N S , H K . A M P - P 1
1 0 L E 6 - M 6 6 R 6 - 0 0 x H N S , T I 1 1 . X 6 - S E N 1
1 1 9 1 3 1 4 - 0 3 0 0 6 B O L T H E X . S O C K E T H E A D 4
1 2 9 1 3 1 7 - 0 4 0 1 2 B O L T H E X . S O C K E T H E A D 2 4
1
2
3
4
5
1 2
1 1
6
8 9
1 0
7

P A R T N O . P A R T N A M E Q ’ T YN o .
E L E V A T O R A S S Y
9 8 0 3 0 2 . R 0 0
1 L C 3 - M 2 2 A 1 - 0 0 x S T O P P E R 2
2 L E 4 - M 5 B 7 T - 0 0 x P L A T E , B E L T 2
3 L E 6 - M 5 B 3 5 - 0 0 x H O L D E R , D R I V E E V 2
4 L E 6 - M 5 B 3 6 - 0 0 x B A S E , E V L 1
5 L E 6 - M 5 B 3 7 - 0 0 x B A S E , E V R 1
6 L E 6 - M 5 B 3 8 - 0 0 x P L A T E , S T A Y E V 2
7 L E 6 - M 5 B 3 C - 0 0 x C O L L A R , D R I V E 2
8 L E 6 - M 5 B 3 J - 0 0 x D O G , E V 1
9 L E 6 - M 5 B 3 N - 0 0 x P U L L E Y , P 2 2 2
1 0 L E 6 - M 5 B B 1 - 0 0 x B E L T , 1 2
1 1 L E 6 - M 5 B B 3 - 0 0 x S H A F T , D R I V E 1
1 2 L E 6 - M 5 B B 5 - 0 0 x K E Y 3
1 3 L G 1 - M 1 7 A K - 0 0 x B E A R I N G 4
1 4 9 1 3 1 7 - 0 3 0 0 6 B O L T H E X . S O C K E T H E A D 2
1 5 9 1 3 1 7 - 0 4 0 2 5 B O L T H E X . S O C K E T H E A D 1 6
1 6 9 1 3 1 7 - 0 5 0 1 4 B O L T H E X . S O C K E T H E A D 1 2
1 7 9 1 3 1 7 - 0 8 0 1 6 B O L T H E X . S O C K E T H E A D 4
1 8 9 1 3 1 7 - 0 8 0 5 5 B O L T H E X . S O C K E T H E A D 8
1 9 9 2 A 0 8 - 0 4 0 0 4 S E T S C R E W M 4 X 4 4
2 0 9 5 3 0 4 - 0 8 7 0 0 N U T H E X A G O N 2
2 1 9 8 9 0 4 - 0 4 0 0 6 S C R E W . B I N D I N G H E A D 8
1 7
1 5
6
1 0
1 4
8
4
2
1 5
1 6
2
1 6
1 2
1 21 1
1 3 7
1 3
3
1 8
1 379
1
1
5
2 0
2 02 1
1 9
1 9
9