M10_PartsList PDFA.pdf - 第322页
P A R T N O . P A R T N A M E Q ’ T Y N o . 1 K G G - M 1 2 2 7 - 1 0 x K N O B 1 2 K G G - M 1 2 2 8 - 1 0 x S T O P P I N 1 3 K G G - M 1 2 2 9 - 1 0 x P L A T E , C L A M P 1 4 K G G - M 1 2 3 9 - 1 1 x D I A L G A G …

P A R T N O . P A R T N A M E Q ’ T YN o .
1 L E 6 - M 5 P 1 E - 0 0 x T A B L E 1
2 L E 6 - M 5 P 1 F - 0 0 x O U T E R R I N G 1
3 L E 6 - M 5 P 1 G - 0 0 x I N N E R R I N G 1
4 L E 6 - M 5 P 1 H - 0 0 x O - R I N G 1
5 9 0 2 0 0 - 3 1 J 3 3 5 O - R I N G 1
6 9 1 3 1 4 - 0 4 0 0 8 B O L T H E X . S O C K E T H E A D 4
7 9 1 3 1 7 - 0 3 0 1 0 B O L T H E X . S O C K E T H E A D 6
8 9 1 3 1 7 - 0 8 0 2 5 B O L T H E X . S O C K E T H E A D 1
P L A T E , R O T A T I O N
9 8 0 3 4 4 . R 0 0
8 6
3
5
2
1
7
4

P A R T N O . P A R T N A M E Q ’ T YN o .
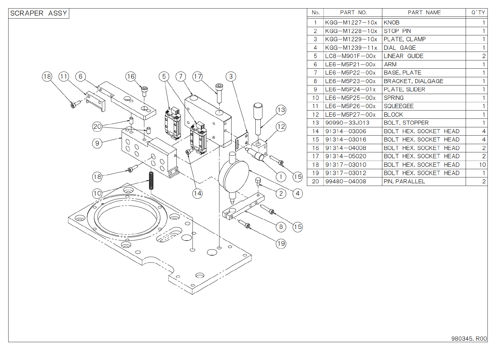
1 K G G - M 1 2 2 7 - 1 0 x K N O B 1
2 K G G - M 1 2 2 8 - 1 0 x S T O P P I N 1
3 K G G - M 1 2 2 9 - 1 0 x P L A T E , C L A M P 1
4 K G G - M 1 2 3 9 - 1 1 x D I A L G A G E 1
5 L C 8 - M 9 0 1 F - 0 0 x L I N E A R G U I D E 2
6 L E 6 - M 5 P 2 1 - 0 0 x A R M 1
7 L E 6 - M 5 P 2 2 - 0 0 x B A S E , P L A T E 1
8 L E 6 - M 5 P 2 3 - 0 0 x B R A C K E T , D I A L G A G E 1
9 L E 6 - M 5 P 2 4 - 0 1 x P L A T E , S L I D E R 1
1 0 L E 6 - M 5 P 2 5 - 0 0 x S P R I N G 1
1 1 L E 6 - M 5 P 2 6 - 0 0 x S Q U E E G E E 1
1 2 L E 6 - M 5 P 2 7 - 0 0 x B L O C K 1
1 3 9 0 9 9 0 - 3 3 J 0 1 3 B O L T , S T O P P E R 1
1 4 9 1 3 1 4 - 0 3 0 0 6 B O L T H E X . S O C K E T H E A D 4
1 5 9 1 3 1 4 - 0 3 0 1 6 B O L T H E X . S O C K E T H E A D 4
1 6 9 1 3 1 4 - 0 4 0 0 8 B O L T H E X . S O C K E T H E A D 2
1 7 9 1 3 1 4 - 0 5 0 2 0 B O L T H E X . S O C K E T H E A D 2
1 8 9 1 3 1 7 - 0 3 0 1 0 B O L T H E X . S O C K E T H E A D 1 0
1 9 9 1 3 1 7 - 0 3 0 1 2 B O L T H E X . S O C K E T H E A D 1
2 0 9 9 4 8 0 - 0 4 0 0 8 P I N , P A R A L L E L 2
S C R A P E R A S S Y
9 8 0 3 4 5 . R 0 0
1 2
5 1 71 61 1
9
2 0
1 8
1 0
3
1 4
1 5
1 51
2 4
1 9
8
1 3
61 8 7

C O V E R A S S Y
9 8 0 3 4 6 . R 0 0
S H T . 1 / 2
1 1
1
5
6
3
7
2
4
1
9
1 0
1
8
1
1 1 4
1 2
1
1 7
2 1
2 1
2 0
1 9
1 8
1 3
1 6
1 5