M10_PartsList PDFA.pdf - 第87页
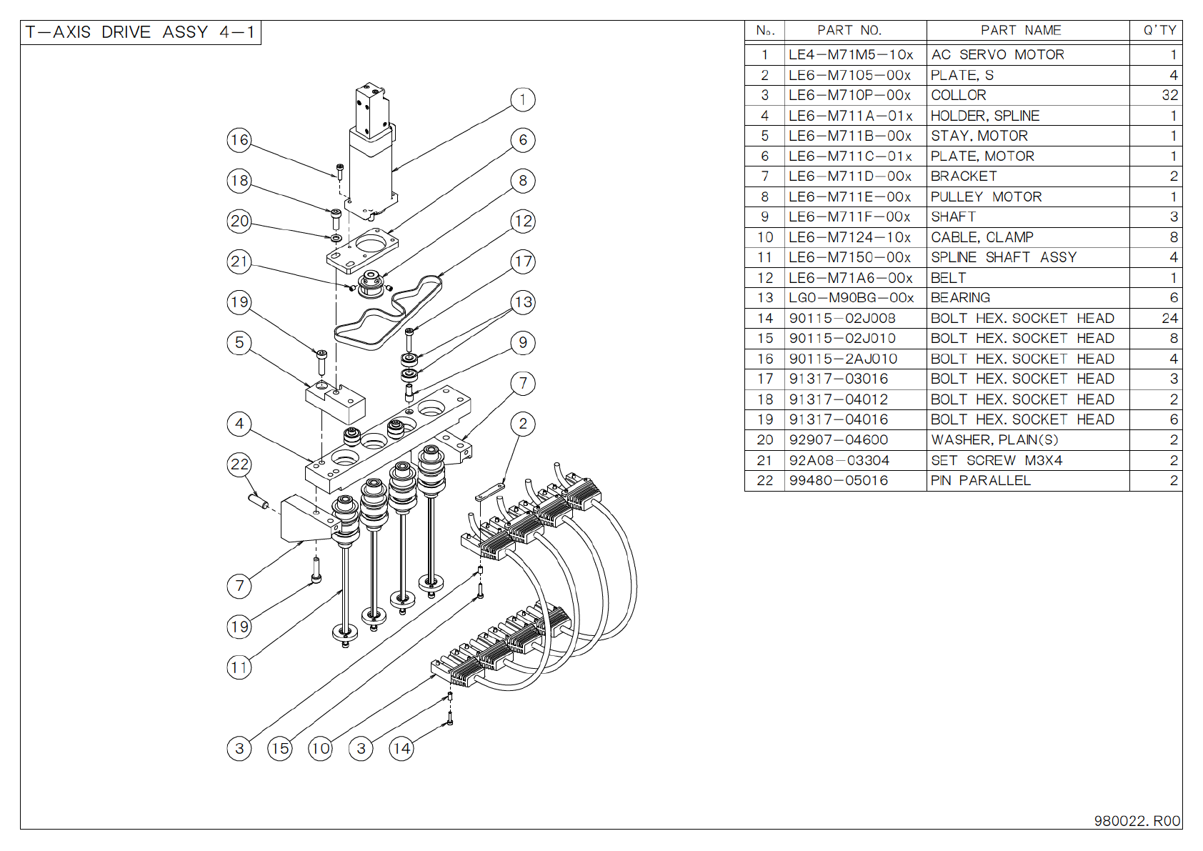
P A R T N O . P A R T N A M E . Q ’ T Y O N T - A X I S D R I V E A S S Y 4 - 1 1 L E 4 - M 7 1 M 5 - 1 0 x A C S E R V O M O T O R 1 2 L E 6 - M 7 1 0 5 - 0 0 x P L A T E , S 4 3 L E 6 - M 7 1 0 P - 0 0 x C O L L O R 3 …

P A R T N O . P A R T N A M E. Q ’ T Y
O
N
H O L D E R , N O Z Z L E A S S Y
1 L C 1 - M 7 1 G N - 3 0 x S C R E W , P A N H E A D 2
2 L C 6 - M 7 1 4 R - 0 0 x L E A F S P R I N G 1 1
3 L C 6 - M 7 1 4 S - 0 0 x L E A F S P R I N G 2 1
4 L C 6 - M 7 1 4 T - 0 0 x L E A F S P R I N G 3 1
5 L C 6 - M 7 1 4 U - 0 0 x L E A F S P R I N G 4 1
6 L C 6 - M 7 1 A Y - 0 0 x P I N , P A R A L L E L 1
7 L E 6 - M 7 1 4 M - 0 0 x H O L D E R , N O Z Z L E I 1
8 L E 6 - M 7 1 4 N - 0 1 x C O L L A R 1
9 L E 6 - M 7 1 6 E - 0 1 x F L A N G E 1
1 0 L E 6 - M 7 1 6 J - 0 0 x P L A T E , J O I N T 2 2
1 1 L E 6 - M 7 1 6 K - 0 0 x P L A T E , J O I N T 1 2
1 2 L E 6 - M 7 1 A 4 - 0 0 x B R G . 3
1 3 L E 6 - M 7 1 F 2 - 0 0 x N U T , H E X A G O N ( M 1 . 6 ) 1
1 4 9 0 9 9 0 - 2 2 J 0 1 0 P A C K I N G 2
1 5 9 2 D 1 8 - 1 G 0 0 6 B O L T H E X . S O C K E T H E A D 1
1 6 9 5 6 0 4 - 0 4 1 0 0 N U T , U 1
9 8 0 0 0 7 . R 0 0
1 2
1 4
1 0
1 2
1 1
1 0
1 4 2 6
5
3
7
1 5 1 1 1 3
9
8
1 6

P A R T N O . P A R T N A M E. Q ’ T Y
O
N
T - A X I S D R I V E A S S Y 4 - 1
1 L E 4 - M 7 1 M 5 - 1 0 x A C S E R V O M O T O R 1
2 L E 6 - M 7 1 0 5 - 0 0 x P L A T E , S 4
3 L E 6 - M 7 1 0 P - 0 0 x C O L L O R 3 2
4 H O L D E R , S P L I N E 1
5 L E 6 - M 7 1 1 B - 0 0 x S T A Y , M O T O R 1
6 L E 6 - M 7 1 1 C - 0 1 x P L A T E , M O T O R 1
7 L E 6 - M 7 1 1 D - 0 0 x B R A C K E T 2
8 L E 6 - M 7 1 1 E - 0 0 x P U L L E Y M O T O R 1
9 L E 6 - M 7 1 1 F - 0 0 x S H A F T 3
1 0 L E 6 - M 7 1 2 4 - 1 0 x C A B L E , C L A M P 8
1 1 L E 6 - M 7 1 5 0 - 0 0 x S P L I N E S H A F T A S S Y 4
1 2 L E 6 - M 7 1 A 6 - 0 0 x B E L T 1
1 3 L G 0 - M 9 0 B G - 0 0 x B E A R I N G 6
1 4 9 0 1 1 5 - 0 2 J 0 0 8 B O L T H E X . S O C K E T H E A D 2 4
1 5 9 0 1 1 5 - 0 2 J 0 1 0 B O L T H E X . S O C K E T H E A D 8
1 6 9 0 1 1 5 - 2 A J 0 1 0 B O L T H E X . S O C K E T H E A D 4
1 7 9 1 3 1 7 - 0 3 0 1 6 B O L T H E X . S O C K E T H E A D 3
1 8 9 1 3 1 7 - 0 4 0 1 2 B O L T H E X . S O C K E T H E A D 2
1 9 9 1 3 1 7 - 0 4 0 1 6 B O L T H E X . S O C K E T H E A D 6
2 0 9 2 9 0 7 - 0 4 6 0 0 2
2 1 9 2 A 0 8 - 0 3 3 0 4 S E T S C R E W M 3 X 4 2
2 2 9 9 4 8 0 - 0 5 0 1 6 P I N P A R A L L E L 2
W A S H E R , P L A I N ( S )
L E 6 - M 7 1 1 A - 0 1 x
9 8 0 0 2 2 . R 0 0
1 8
1 6
7
1 9
9
1 3
1 7
1 2
8
6
1
4 2
1 9
5
7
1 1
2 1
2 0
2 2
3 1 5 1 431 0

P A R T N O . P A R T N A M E. Q ’ T Y
O
N
S P L I N E S H A F T A S S Y
1 L E 6 - M 7 1 1 8 - 0 0 x P U L L E Y 1
2 L E 6 - M 7 1 1 9 - 0 0 x H O L D E R , S P L I N E 1
3 L E 6 - M 7 1 1 G - 0 0 x 1
4 L E 6 - M 7 1 A 7 - 0 0 x B R G . 1
5 L E 7 - M 7 1 A 3 - 0 0 x B A L L S P L I N E 1
6 L G 1 - M 2 6 A D - 0 0 x B R G . 1
7 L G 7 - M 7 1 B 1 - 0 0 x B A L L B E A R I N G 1
8 9 2 A 0 8 - 0 2 3 0 3 S E T S C R E W M 2 X 3 1
9 9 2 A 0 8 - 0 3 3 0 3 S E T S C R E W M 3 X 3 2
1 0 9 9 0 0 1 - 0 3 6 0 0 C I R C L I P 2
H O L D E R , B R G
9 8 0 0 0 9 . R 0 0
9
1
2
5
8
1 0 3
4
6
7