M10_PartsList PDFA.pdf - 第14页
S H T . 2 / 2 P A R T N O . P A R T N A M E Q ’ T Y N o . R I G H T C O V E R A S S Y 9 8 0 1 4 5 . R 0 0 1 L C 3 - M 7 6 1 3 - 0 0 x T H I N H E A D B O L T 1 3 2 L E 4 - M 1 3 0 1 - 0 0 x P A N E L , 1 1 3 L E 4 - M 1 …

R I G H T C O V E R A S S Y
9 8 0 1 4 5 . R 0 0
2 0
1 1
3
2 6
3 0
1 1
2 6
3 0
3
2 1
9
7
2
1 9
2 5
2 2
2 3
2 4
1 8
1
1
8
6
4 1 5
1 0 1 7
5
1 4
3 1
3 0
3 1 1 3
3 0
2 7
2 9
2 8
3 0
1 6
1 2

S H T . 2 / 2
P A R T N O . P A R T N A M E Q ’ T YN o .
R I G H T C O V E R A S S Y
9 8 0 1 4 5 . R 0 0
1 L C 3 - M 7 6 1 3 - 0 0 x T H I N H E A D B O L T 1 3
2 L E 4 - M 1 3 0 1 - 0 0 x P A N E L , 1 1
3 L E 4 - M 1 3 1 E - 0 0 x N U T , S Q U A R E 4
4 L E 4 - M 1 3 3 2 - 0 0 x P A N E L , T O P 1
5 L E 4 - M 1 3 3 8 - 0 0 x P A N E L , T O P 1
6 L E 4 - M 1 3 3 F - 0 0 x B E A M , 1 1
7 L E 6 - M 1 3 0 1 - 0 0 x P A N E L , 2 1
8 L E 6 - M 1 3 0 2 - 0 0 x P A N E L , 3 1
9 L E 6 - M 1 3 0 4 - 0 0 x P A N E L , 4 1
1 0 L E 6 - M 1 3 0 R - 0 0 x S T A Y , P A N E L 1
1 1 L E 6 - M 1 3 0 W - 0 0 x S T A Y , C O V E R 2
1 2 L E 6 - M 1 3 1 K - 0 0 x B R K T . , C O V E R , S I D E 1 1
1 3 L E 6 - M 1 3 1 M - 0 0 x B R K T . , C O V E R , S I D E 3 1
1 4 L E 6 - M 1 3 3 5 - 0 0 x S T A Y , P A N E L 1 1
1 5 L E 6 - M 1 3 3 7 - 0 0 x S T A Y , P A N E L 3 1
1 6 L E 6 - M 1 3 4 E - 0 0 x B R K T . , D A M P E R 1 1
1 7 L E 6 - M 1 3 4 F - 0 0 x B R K T . , D A M P E R 1
1 8 L E 6 - M 1 3 5 1 - 0 0 x M U Z Z L E 1 1
1 9 L E 6 - M 1 3 5 2 - 0 0 x M U Z Z L E 2 1
2 0 L E 7 - M 1 3 2 A - 8 0 x S T A Y , P A N E L 1 1
2 1 L E 7 - M 1 3 2 C - 0 0 x S T A Y , P A N E L 3 1
2 2 L E 7 - M 1 3 3 0 - A 0 x O P E R A T I O N A S S Y 1
2 3 L E 7 - M 1 3 8 0 - D 0 x D O O R S W I T C H A S S Y 1
2 4 L E 7 - M 1 3 8 0 - M 0 x M A G N E T A S S Y 1
2 5 L E 7 - M 1 3 8 0 - S 0 x S W I T C H A S S Y 1
2 6 9 0 1 5 9 - 0 4 J 0 1 S C R E W B I N . H E A D W / W 1 0
2 7 9 1 3 1 4 - 0 4 0 1 2 B O L T H E X . S O C K E T H E A D 1
2 8 9 1 3 1 4 - 0 5 0 0 8 B O L T H E X . S O C K E T H E A D 2
2 9 9 1 3 1 7 - 0 3 0 0 6 B O L T H E X . S O C K E T H E A D 4
3 0 9 1 3 1 7 - 0 5 0 0 8 B O L T H E X . S O C K E T H E A D 7
3 1 9 5 3 8 0 - 0 5 7 0 0 N U T , H E X A G O N 7

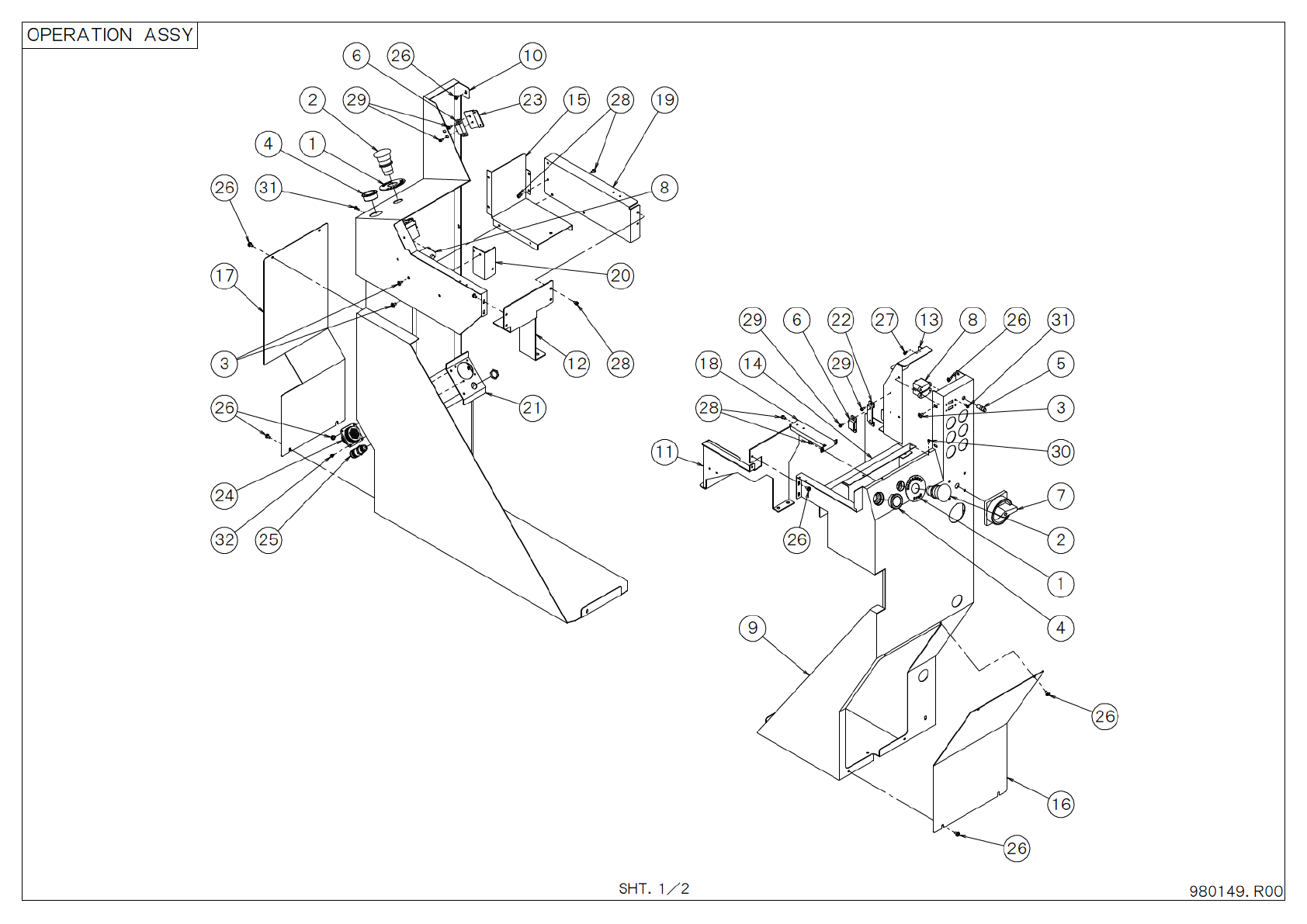
O P E R A T I O N A S S Y
9 8 0 1 4 9 . R 0 0
S H T . 1 / 2
1 5 2 8 1 9
1 2 2 8
2 0
6 2 6
2 92
14
2 3
1 0
3 1 8
3
2 6
3 2
2 4
2 5
2 6
2 1 2 8
8
1 6
2 6
2 6
2 6
9
1 8
7
2
1
4
3 1
3 0
2 61 32 72 9
1 4 2 9
1 1
3
5
2 26
1 7