M10_PartsList PDFA.pdf - 第367页
M 1 0 C o n v e y o r S e c ti o n > L E 6 - M 6 5 M 7 - 1 0 x W M O T O R A S S Y * 以 下 シ リ ア ル 番 号 の マ シ ン に は 、 L E 6 - M 6 5 M 7 - 1 0 x は 取 付 で き ま せ ん 。 代 わ り に L E 6 - M 6 5 M 7 - 0 0 x を ご 使 用 く だ さ い 。 * L E …

S H T . 2 / 2
P A R T N O . P A R T N A M E Q ’ T YN o .
F R A M E A S S Y
9 8 0 3 3 3 . R 0 0
P A R T N O . P A R T N A M E Q ’ T YN o .
1 K H J - M 6 6 2 B - 0 0 x H N S , L A M P 2
2 K J 3 - M 6 5 1 1 - 0 0 x C I R C U I T P R O T E C T O R , 1 1
3 K J 3 - M 6 6 2 A - x x x H N S . A C I N S E L 1
4 L C 2 - M 6 5 6 2 - 0 0 x P O W E R S U P P L Y 2 1
5 L C 3 - M 6 5 D 1 - 0 0 x S E A L , C H A R G E 1
6 L C 6 - M 5 U H 1 - 0 0 x B A S E , T I E 1
7 L E 2 - M 9 0 D 2 - 0 1 x J O I N T 1
8 L E 3 - M 9 2 A 5 - 1 0 x J O I N T 1
9 L E 6 - M 5 J 0 1 - 0 1 x C O V E R , M 1
1 0 L E 6 - M 5 J 0 2 - 0 0 x C O V E R , L 1
1 1 L E 6 - M 5 J 0 3 - 0 0 x C O V E R , T 1
1 2 L E 6 - M 5 J 0 4 - 0 0 x C O V E R , S 1
1 3 L E 6 - M 5 J 0 5 - 0 0 x R E G U R A T O R 1
1 4 L E 6 - M 5 J 0 6 - 0 0 x L A B E L 1
1 5 L E 6 - M 5 J 0 7 - x x x S E R I A L N O . S T I C K E R S E L 1
1 6 L E 6 - M 5 J 0 8 - 0 0 x H A N D L E 2
1 7 L E 6 - M 5 J 0 9 - 0 0 x C O V E R , P E T 1
1 8 L E 6 - M 5 J 0 E - 0 0 x J O I N T 1
1 9 L E 6 - M 5 J 0 F - 0 0 x D U C T 1
2 0 L E 6 - M 5 J 0 G - 0 0 x M U F F L E R 1
2 1 L E 6 - M 5 J 0 J - 0 0 x J O I N T 1
2 2 L E 6 - M 5 J 0 K - 0 0 x J O I N T 1
2 3 L E 6 - M 5 J 2 6 - 0 0 x T A P E 1
2 4 L E 6 - M 5 J H 3 - 0 0 x H N S , G S 2 1 - C P 1
2 5 L E 6 - M 5 J H E - 0 0 x V A L V E A S S Y 1
2 6 L E 6 - M 5 J H G - 0 0 x B U Z Z E R A S S Y 1
2 7 L E 6 - M 5 J J 3 - 0 0 x N O I S E F I L T E R 1
2 8 L E 6 - M 6 5 5 Y - 0 0 x P R E S S U R E S W I T C H 1
2 9 L E 6 - M 7 1 J 4 - 0 1 x D P S U C B O A R D A S S Y 1
3 0 L E 6 - M 7 1 J 6 - 0 0 x D P S U L B O A R D A S S Y 1
3 1 L G 0 - M 1 1 A 1 - 0 0 x C O U P L E R 1
3 2 L G 0 - M 1 1 A 3 - 0 0 x J O I N T , N I P P L E 1
3 3 L G 0 - M 1 1 A 4 - 0 0 x J O I N T , E L B O W 1
3 4 L G 0 - M 1 1 A F - 0 0 x G R O M M E T 3
3 5 L G 0 - M 1 1 A H - 0 0 x G R O M M E T 1
3 6 L G 0 - M 1 1 D 9 - 0 0 x S E A L , C E 1
3 7 L G 0 - M 1 3 A 2 - 0 0 x G R O M M E T ( 2 ) 1
3 8 L G 0 - M 3 4 A G - 0 0 x C U S H I O N , R U B B E R 4
3 9 L G 0 - M 7 8 F 0 - 0 0 x B O L T H E X . S O C K E T H E A D 2
4 0 9 1 3 1 4 - 0 3 0 0 8 B O L T H E X . S O C K E T H E A D 4
4 1 9 1 3 1 4 - 0 4 0 0 6 B O L T H E X . S O C K E T H E A D 5
4 2 9 1 3 1 4 - 0 5 0 1 0 B O L T H E X . S O C K E T H E A D 2
4 3 9 1 3 1 7 - 0 4 0 0 5 B O L T H E X . S O C K E T H E A D 8
4 4 9 2 9 0 3 - 0 5 6 0 0 W A S H E R 2
4 5 9 7 6 0 2 - 0 3 3 0 8 S C R E W , B I N D H E A D W / W . 1 2
4 6 9 8 9 0 7 - 0 3 0 0 6 S C R E W , B I N D I N G H E A D 6
4 7 9 8 9 0 7 - 0 4 0 0 6 S C R E W , B I N D I N G H E A D 1 0
1
1
1
1
K J 3 - M 6 6 2 A - 0 0 x
K J 3 - M 6 6 1 A - 0 0 x
H N S . A C I N 1
H N S . A C I N 1 ( f o r J A P A N )
L E 6 - M 5 J 0 7 - 0 0 x S E R I A L N O . S T I C K E R
L E 6 - M 5 J 0 7 - 1 0 x
S E R I A L N O . S T I C K E R ( f o r J A P A N )

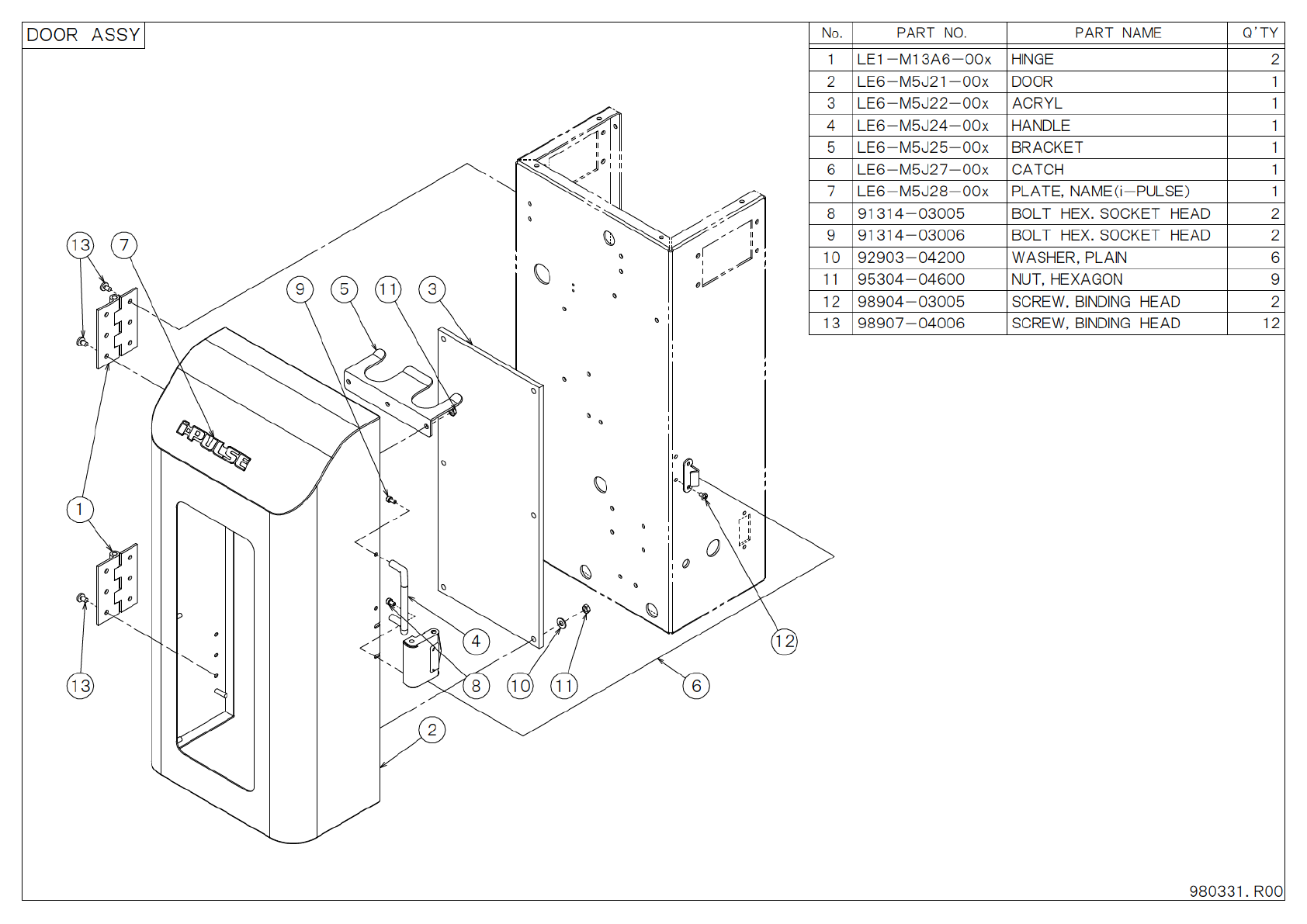
P A R T N O . P A R T N A M E Q ’ T YN o .
1 L E 1 - M 1 3 A 6 - 0 0 x H I N G E 2
2 L E 6 - M 5 J 2 1 - 0 0 x D O O R 1
3 L E 6 - M 5 J 2 2 - 0 0 x A C R Y L 1
4 L E 6 - M 5 J 2 4 - 0 0 x H A N D L E 1
5 L E 6 - M 5 J 2 5 - 0 0 x B R A C K E T 1
6 L E 6 - M 5 J 2 7 - 0 0 x C A T C H 1
7 L E 6 - M 5 J 2 8 - 0 0 x P L A T E , N A M E ( i - P U L S E ) 1
8 9 1 3 1 4 - 0 3 0 0 5 B O L T H E X . S O C K E T H E A D 2
9 9 1 3 1 4 - 0 3 0 0 6 B O L T H E X . S O C K E T H E A D 2
1 0 9 2 9 0 3 - 0 4 2 0 0 W A S H E R , P L A I N 6
1 1 9 5 3 0 4 - 0 4 6 0 0 N U T , H E X A G O N 9
1 2 9 8 9 0 4 - 0 3 0 0 5 S C R E W , B I N D I N G H E A D 2
1 3 9 8 9 0 7 - 0 4 0 0 6 S C R E W , B I N D I N G H E A D 1 2
D O O R A S S Y
9 8 0 3 3 1 . R 0 0
1
5
6
1 2
1 19 3
1 0 1 1
7
4
8
2
1 3
1 3

M 1 0 C o n v e y o r S e c ti o n > L E 6 - M 6 5 M 7 - 1 0 x W M O T O R A S S Y
* 以 下 シ リ ア ル 番 号 の マ シ ン に は 、 L E 6 - M 6 5 M 7 - 1 0 x は 取 付 で き ま せ ん 。 代 わ り に L E 6 - M 6 5 M 7 - 0 0 x を ご 使 用 く だ さ い 。
* L E 6 - M 6 5 M 7 - 1 0 x c a n n ot b e u s e d f or f oll o wi n g m a c hi n e s, pl e a s e u s e L E 6 - M 6 5 M 7 - 0 0 x i n st e a d.
シ リ ア ル N o. / S eri al N o. 号 機 / O ur R ef # シ リ ア ル N o. / S eri al N o. 号 機 / O ur R ef #
A 0 3 2 9 3 0 0 0 1 A 0 3 4 4 9 0 0 4 3
A 0 3 2 9 7 0 0 0 2 A 0 3 4 5 1 0 0 4 4
A 0 3 2 9 8 0 0 0 3 A 0 3 4 6 1 0 0 4 5
A 0 3 2 9 9 0 0 0 4 A 0 3 4 6 3 0 0 4 6
A 0 3 3 0 4 0 0 0 5 A 0 3 4 6 4 0 0 4 7
A 0 3 3 1 0 0 0 0 6 A 0 3 4 6 5 0 0 4 8
A 0 3 3 1 0 0 0 0 6 A 0 3 4 6 9 0 0 4 9
A 0 3 3 1 1 0 0 0 7 A 0 3 4 7 3 0 0 5 7
A 0 3 3 1 2 0 0 0 8 A 0 3 4 7 4 0 0 5 8
A 0 3 3 1 5 0 0 0 9 A 0 3 4 7 5 0 0 5 9
A 0 3 3 1 8 0 0 1 0 A 0 3 4 7 7 0 0 5 1
A 0 3 3 2 0 0 0 1 1 A 0 3 4 7 9 0 0 5 2
A 0 3 3 2 3 0 0 1 2 A 0 3 4 8 2 0 0 5 3
A 0 3 3 2 9 0 0 1 3 A 0 3 4 8 3 0 0 5 4
A 0 3 3 3 0 0 0 1 4 A 0 3 4 9 0 0 0 5 5
A 0 3 3 3 1 0 0 1 5 A 0 3 4 9 1 0 0 5 6
A 0 3 3 3 2 0 0 1 6 A 0 3 4 9 3 0 0 6 7
A 0 3 3 4 2 0 0 1 7 A 0 3 4 9 5 0 0 6 0
A 0 3 3 4 3 0 0 1 8 A 0 3 4 9 7 0 0 6 1
A 0 3 3 4 5 0 0 1 9 A 0 3 5 0 0 0 0 6 2
A 0 3 3 4 6 0 0 2 0 A 0 3 5 0 3 0 0 6 3
A 0 3 3 5 1 0 0 2 1 A 0 3 5 0 7 0 0 6 4
A 0 3 3 5 2 0 0 2 2 A 0 3 5 0 8 0 0 6 5
A 0 3 3 7 0 0 0 2 3 A 0 3 5 0 9 0 0 6 6
A 0 3 3 7 1 0 0 2 4 A 0 3 5 2 3 0 0 6 8
A 0 3 3 8 0 0 0 2 5 A 0 3 5 3 1 0 0 6 9
A 0 3 3 8 3 0 0 2 6 A 0 3 5 3 2 0 0 7 0
A 0 3 3 8 4 0 0 2 7 A 0 3 5 3 3 0 0 7 1
A 0 3 4 0 4 0 0 3 1 A 0 3 5 3 4 0 0 7 2
A 0 3 4 0 5 0 0 3 2 A 0 3 5 3 9 0 0 7 3
A 0 3 4 0 6 0 0 3 3 A 0 3 5 4 9 0 0 7 4
A 0 3 4 0 7 0 0 3 4 A 0 3 5 5 5 0 0 7 6
A 0 3 4 1 0 0 0 2 8 A 0 3 5 5 6 0 0 7 7
A 0 3 4 1 1 0 0 2 9 A 0 3 5 5 8 0 0 7 8
A 0 3 4 1 2 0 0 3 0 A 0 3 5 6 1 0 0 7 9
A 0 3 4 2 2 0 0 3 8 A 0 3 5 6 3 0 0 8 2
A 0 3 4 2 3 0 0 3 9 A 0 3 5 6 4 0 0 8 0
A 0 3 4 2 4 0 0 4 0 A 0 3 5 7 2 0 0 8 6
A 0 3 4 2 7 0 0 3 5 A 0 3 5 7 3 0 0 8 7
A 0 3 4 3 2 0 0 3 6 A 0 3 5 8 0 0 0 8 8
A 0 3 4 3 3 0 0 3 7 A 0 3 5 8 1 0 0 8 9
A 0 3 4 3 4 0 0 4 1 A 0 3 5 8 2 0 0 9 0
A 0 3 4 4 7 0 0 4 2 A 0 3 5 8 3 0 0 9 1