M10_PartsList PDFA.pdf - 第272页
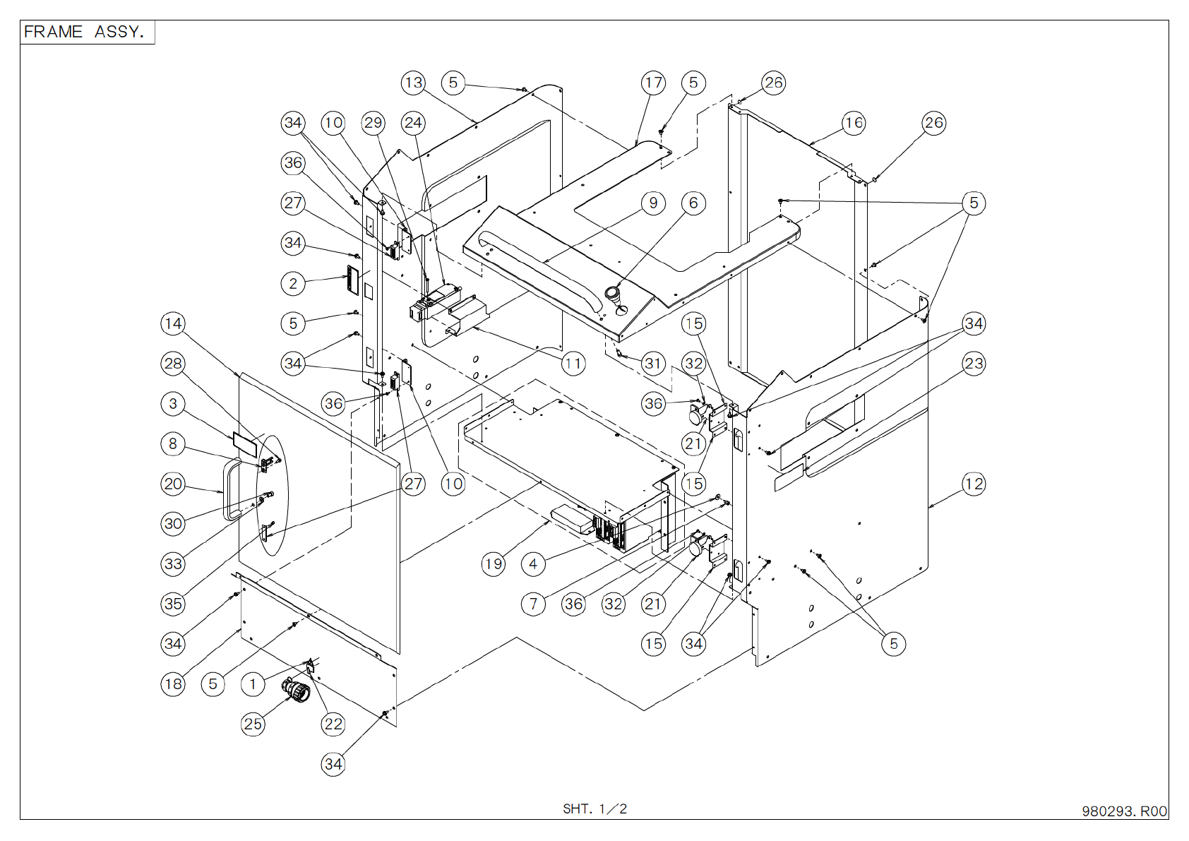
F R A M E A S S Y . 9 8 0 2 9 3 . R 0 0 S H T . 1 / 2 2 6 2 5 2 2 1 5 3 4 3 4 1 8 3 8 3 5 3 3 3 0 2 0 2 8 1 4 3 1 2 5 2 1 1 2 6 3 6 3 4 1 5 3 2 3 6 3 4 3 6 2 7 1 0 3 4 3 4 1 0 2 9 2 4 3 6 2 1 1 5 3 2 3 4 2 3 5 2 6 1 5 5 …

P A R T N O . P A R T N A M E Q ’ T YN o .
C T F - 4 0 A S S Y
9 8 0 2 9 2 . R 0 0
1 L E 6 - M 5 B 1 0 - 0 0 x F R A M E A S S Y . 1
2 L E 6 - M 5 B 3 0 - 0 0 x Z - A X I S A S S Y . 1
3 L E 6 - M 5 B 5 0 - 0 0 x R A C K A S S Y . 1
4 L E 6 - M 5 B 7 0 - 0 0 x H O O K - A X I S A S S Y . 1
5 L E 6 - M 5 B 9 0 - 0 0 x T R A Y A S S Y . 1
1
2
3
4
5

F R A M E A S S Y .
9 8 0 2 9 3 . R 0 0
S H T . 1 / 2
2 6
2 5 2 2
15
3 4
3 4
1 8
3
8
3 5
3 3
3 0
2 0
2 8
1 4
3 1
2
5
2 1
1 2
6
3 6
3 41 5
3 23 6
3 4
3 6
2 7
1 03 4
3 4
1 0
2 9 2 4
3 6
2 1
1 5
3 2
3 4
2 3
5
2 6
1 5
5
4
7
1 1
1 9
9
51 71 3 5
1 6
2 7

S H T . 2 / 2
P A R T N O . P A R T N A M E Q ’ T YN o .
F R A M E A S S Y .
9 8 0 2 9 3 . R 0 0
1 L C 1 - M 1 3 D 1 - 0 0 x S E A L , C H A R G E 1
2 L C 1 - M 1 3 D 2 - 0 0 x L A B E L , A L E R T 1
3 L C 1 - M 1 3 D 3 - 0 0 x L A B E L , A L E R T 1
4 L C 1 - M 1 3 F 2 - 0 0 x W A S H E R , P L A I N 2
5 L C 3 - M 7 6 1 3 - 0 0 x T H I N H E A D B O L T 3 1
6 L C 6 - M 6 6 9 V - 7 0 x H N S . S W I T C H S E T U P 1
7 L C 8 - M 7 2 1 5 - 5 1 x S P A C E R , B S F 4 0 8 E 2
8 L E 2 - M 1 3 H 1 - 0 0 x A C T U A T O R 1
9 L E 4 - M 5 B 1 M - 0 0 x H A N D L E 1
1 0 L E 4 - M 5 B 2 S - 0 0 x B R K T , C A T C H 2
1 1 L E 4 - M 5 B 2 T - 0 0 x B R K T , S W 1
1 2 L E 6 - M 5 B 1 1 - 0 0 x C O V E R , S I D E L 1
1 3 L E 6 - M 5 B 1 2 - 0 0 x C O V E R , S I D E R 1
1 4 L E 6 - M 5 B 1 3 - 0 0 x D O O R 1
1 5 L E 6 - M 5 B 1 4 - 0 0 x B R A C K E T , H I N G E 2
1 6 L E 6 - M 5 B 1 5 - 0 1 x C O V E R , F R O N T 1
1 7 L E 6 - M 5 B 1 6 - 0 0 x C O V E R , T O P 1
1 8 L E 6 - M 5 B 1 7 - 0 0 x C O V E R , U N D E R 1
1 9 L E 6 - M 5 B 2 0 - 0 0 x E L E B O X A S S Y 1
2 0 L E 6 - M 5 B A 1 - 0 0 x H A N D L E 1
2 1 L E 6 - M 5 B A 2 - 0 0 x H I N G E 2
2 2 L E 6 - M 5 B A 3 - 0 0 x H O O K 1
2 3 L E 6 - M 5 B D A - 0 1 x L A B E L , S E R I A L 1
2 4 L E 6 - M 6 5 N F - 0 0 x S A F E T Y S W A S S Y . 1
2 5 L E 6 - M 6 6 R G - 0 1 x H N S , C T F S H O R T 1
2 6 L E 6 - M 7 1 2 8 - 0 0 x S E A L , B 2
2 7 L G 8 - M 1 3 A 1 - 0 0 x M A G N E T 2
2 8 9 1 3 1 7 - 0 4 0 1 0 B O L T H E X . S O C K E T H E A D 2
2 9 9 1 3 1 7 - 0 4 0 3 5 B O L T H E X . S O C K E T H E A D 4
3 0 9 1 3 1 7 - 0 6 0 1 0 B O L T H E X . S O C K E T H E A D 2
3 1 9 1 3 1 7 - 0 6 0 1 6 B O L T H E X . S O C K E T H E A D 4
3 2 9 2 9 0 3 - 0 3 2 0 0 W A S H E R P L A I N 4
3 3 9 2 9 0 7 - 0 6 2 0 0 W A S H E R P L A I N 2
3 4 9 7 6 0 4 - 0 4 3 1 0 0 N 0 S C R E W , B I N . H E A D W / W . 2 4
3 5 9 8 7 0 7 - 0 3 0 0 6 S C R E W , F L A T H E A D ( + ) 4
3 6 9 8 9 0 4 - 0 3 0 0 6 S C R E W . B I N D I N G H E A D 8