M10_PartsList PDFA.pdf - 第80页
M 1 0 / M 2 0 9 7 0 2 1 8. R 0 0 9 8 0 0 1 8 . R 0 2 4 x 1 H E A D S E C P A R T S L I S T

5 _ H e a d S e cti o n
1 4 x 1 H E A D S E C.
4 x 1 H E A D A S S Y. ·······················································5- 1
M T C O V E R ( 4 x 1) ·······················································5- 2
4 x 1 H E A D S U B. A S S Y.··············································5- 3
C O M M O N 4 H E A D S E C. ············································5- 4
H E A D U NI T A S S Y.·····················································5- 5
H O L D E R, N O Z Z L E A S S Y.·········································5- 6
T- A XI S D RI V E A S S Y. 4- 1 ··········································5- 7
S P LI N E S H A F T A S S Y. ··············································5- 8
H E A D B O X A S S Y. ·····················································5- 9
2 4 x 4 H E A D S E C.
4 x 4 H E A D A S S Y. ·······················································4- 1
M T C O V E R A S S Y. ( 4 x 4)············································4- 2
M A G N E T A S S Y.·························································4- 3
4 x 4 H E A D S U B. A S S Y.··············································4- 4
C O M M O N 4 H E A D S E C. ············································4- 5
H E A D U NI T A S S Y.·····················································4- 6
H O L D E R, N O Z Z L E A S S Y.·········································4- 7
T- A XI S D RI V E A S S Y. 4- 4 ··········································4- 8
H E A D B O X A S S Y. ·····················································4- 9
3 6 x 2 H E A D S E C.
6 x 2 H E A D A S S Y. ·······················································3- 1
M T C O V E R ( 6 X) ·························································3- 2
6 x 2 H E A D S U B. A S S Y.··············································3- 3
C O M M O N 6 H E A D S E C. ············································3- 4
H E A D U NI T A S S Y.·····················································3- 5
H O L D E R, N O Z Z L E A S S Y.·········································3- 6
T- A XI S D RI V E A S S Y. 6- 2 ··········································3- 7
S P LI N E S H A F T A S S Y. ··············································3- 8
H E A D B O X A S S Y. ·····················································3- 9

M 1 0 / M 2 0
9 7 0 2 1 8. R 0 0
9 8 0 0 1 8. R 0 2
4 x 1 H E A D S E C
P A R T S L I S T

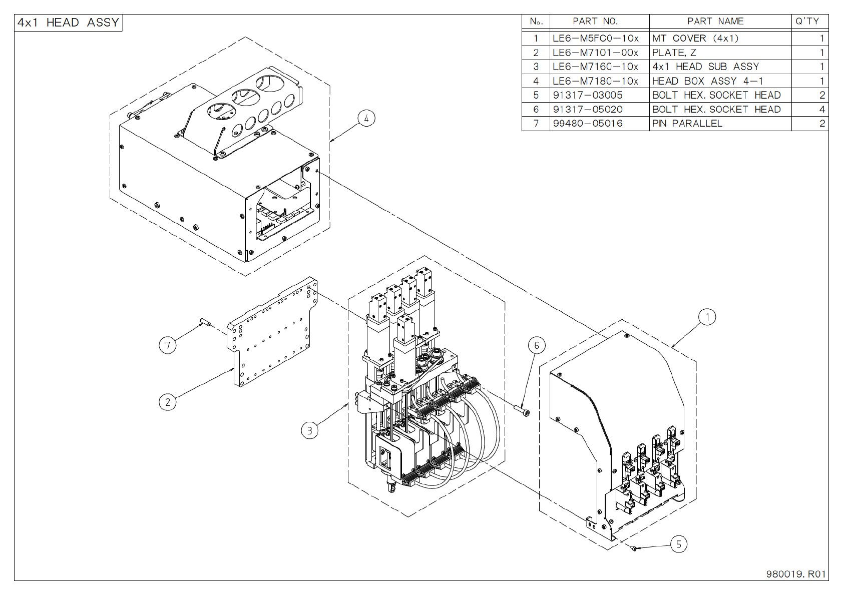
4 x 1 H E A D A S S Y
P A R T N O . P A R T N A M E. Q ’ T Y
O
N
1 L E 6 - M 5 F C 0 - 1 0 x M T C O V E R ( 4 x 1 ) 1
2 L E 6 - M 7 1 0 1 - 0 0 x P L A T E , Z 1
3 L E 6 - M 7 1 6 0 - 1 0 x 4 x 1 H E A D S U B A S S Y 1
4 1
5 9 1 3 1 7 - 0 3 0 0 5 B O L T H E X . S O C K E T H E A D 2
6 9 1 3 1 7 - 0 5 0 2 0 B O L T H E X . S O C K E T H E A D 4
7 9 9 4 8 0 - 0 5 0 1 6 P I N P A R A L L E L 2
L E 6 - M 7 1 8 0 - 1 0 x H E A D B O X A S S Y 4 - 1
9 8 0 0 1 9 . R 0 1