M10_PartsList PDFA.pdf - 第344页
S H T . 2 / 2 P A R T N O . P A R T N A M E Q ’ T Y N o . 9 8 0 3 2 4 . R 0 0 P A P E R F E E D A S S Y 1 L C 6 - M 5 U H 1 - 0 0 x B A S E , T I E 2 2 L E 6 - M 5 7 0 2 - 0 1 x B A S E , L 1 3 L E 6 - M 5 7 0 3 - 0 1 x …

S H T . 1 / 2
9 8 0 3 2 4 . R 0 0
P A P E R F E E D A S S Y
9
1 1 1 3 1 0
9
6
7
8
1 1
4
3
2
5
1 2
2 6
2 1 3 4
3 0
2 1
2 2
2 1
1 7
2 2
3 5
2 8
3 5
2 8
2 9
2 7
2 32 6
3 3 2 8
2 7
2 62 4
2 6
2 4
3 5
2 4
2 6
2 8
1 9
2 0
3 2
2 6
3 11 7 1 8
1 4 1 6
2 5
1 5

S H T . 2 / 2
P A R T N O . P A R T N A M E Q ’ T YN o .
9 8 0 3 2 4 . R 0 0
P A P E R F E E D A S S Y
1 L C 6 - M 5 U H 1 - 0 0 x B A S E , T I E 2
2 L E 6 - M 5 7 0 2 - 0 1 x B A S E , L 1
3 L E 6 - M 5 7 0 3 - 0 1 x B A S E , R 1
4 L E 6 - M 5 7 0 6 - 0 0 x C O V E R , C E N T E R 1
5 L E 6 - M 5 7 0 8 - 0 1 x C O V E R , U N D E R 1 1
6 L E 6 - M 5 7 0 9 - 0 0 x C O V E R , U N D E R 2 1
7 L E 6 - M 5 7 0 G - 0 1 x S T A Y 1
8 L E 6 - M 5 7 0 H - 0 0 x T E N S I O N E R 1
9 L E 6 - M 5 7 0 J - 0 1 x L E V E R 2
1 0 L E 6 - M 5 7 1 1 - 0 0 x B R A C K E T , S E N S O R 1
1 1 L E 6 - M 5 7 1 2 - 0 1 x B L O C K , T A B L E 1
1 2 L E 6 - M 5 7 1 7 - 0 0 x G U I D E 1
1 3 L E 6 - M 5 7 1 9 - 0 0 x R O L L E R 1
1 4 L E 6 - M 5 7 1 E - 0 0 x S H A F T 1
1 5 L E 6 - M 6 6 V 1 - 0 0 x H N S . P A P E R S E N S O R 1
1 6 L G 4 - M 1 A H D - 5 3 x B O A R D I T H B R E V . C 1
1 7 L G 9 - M 5 7 1 4 - 0 0 x S H A F T ( 1 ) 5
1 8 L G 9 - M 5 7 1 9 - 0 0 x R O L L E R ( 1 ) 1
1 9 L G 9 - M 5 7 1 B - 0 0 x R O L L E R ( 3 ) 1
2 0 L G 9 - M 5 7 1 T - 0 0 x H O L D E R 1
2 1 L G 9 - M 5 7 A 7 - 0 0 x B U S H ( 1 ) 3
2 2 L G 9 - M 5 7 A 9 - 0 0 x B U S H ( 3 ) 2
2 3 L G 9 - M 9 7 A 6 - 0 0 x B A L L B E A R I N G 2
2 4 9 0 1 1 5 - 2 A J 0 0 4 B O L T , H E X . S O C K E T H E A D 8
2 5 9 0 1 6 6 - 0 2 J 2 0 5 S C R E W , P A N H E A D 2
2 6 9 1 3 1 7 - 0 3 0 0 5 B O L T H E X . S O C K E T H E A D 1 8
2 7 9 1 3 1 7 - 0 3 0 0 6 B O L T H E X . S O C K E T H E A D 6
2 8 9 1 3 1 7 - 0 4 0 0 6 B O L T H E X . S O C K E T H E A D 1 0
2 9 9 1 3 1 7 - 0 8 0 2 5 B O L T H E X . S O C K E T H E A D 1
3 0 9 1 6 0 9 - 3 0 0 2 2 P I N . S P R I N G 1
3 1 9 2 9 0 7 - 0 8 6 0 0 W A S H E R , P L A I N 2
3 2 9 5 3 0 7 - 0 8 7 0 0 N U T , H E X A G O N 1
3 3 9 7 6 0 2 - 0 3 3 0 6 S C R E W , B I N D H E A D W / W 2
3 4 9 8 7 0 4 - 0 3 0 0 6 S C R E W , F L A T H E A D ( + ) 4
3 5 9 8 9 0 7 - 0 3 0 0 5 S C R E W , B I N D I N G H E A D 8

P A R T N O . P A R T N A M E Q ’ T YN o .
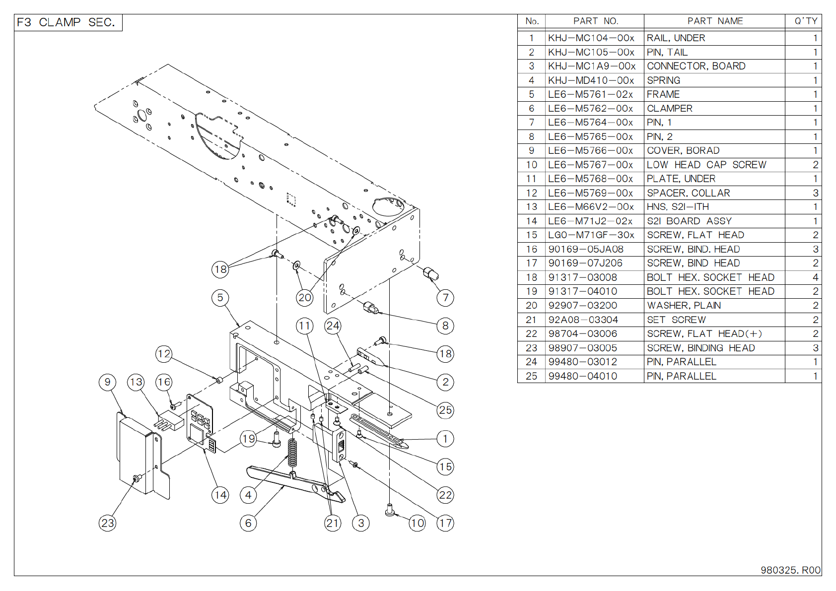
9 8 0 3 2 5 . R 0 0
1 K H J - M C 1 0 4 - 0 0 x R A I L , U N D E R 1
2 K H J - M C 1 0 5 - 0 0 x P I N , T A I L 1
3 K H J - M C 1 A 9 - 0 0 x C O N N E C T O R , B O A R D 1
4 K H J - M D 4 1 0 - 0 0 x S P R I N G 1
5 L E 6 - M 5 7 6 1 - 0 2 x F R A M E 1
6 L E 6 - M 5 7 6 2 - 0 0 x C L A M P E R 1
7 L E 6 - M 5 7 6 4 - 0 0 x P I N , 1 1
8 L E 6 - M 5 7 6 5 - 0 0 x P I N , 2 1
9 L E 6 - M 5 7 6 6 - 0 0 x C O V E R , B O R A D 1
1 0 L E 6 - M 5 7 6 7 - 0 0 x L O W H E A D C A P S C R E W 2
1 1 L E 6 - M 5 7 6 8 - 0 0 x P L A T E , U N D E R 1
1 2 L E 6 - M 5 7 6 9 - 0 0 x S P A C E R , C O L L A R 3
1 3 L E 6 - M 6 6 V 2 - 0 0 x H N S , S 2 I - I T H 1
1 4 L E 6 - M 7 1 J 2 - 0 2 x S 2 I B O A R D A S S Y 1
1 5 L G 0 - M 7 1 G F - 3 0 x S C R E W , F L A T H E A D 2
1 6 9 0 1 6 9 - 0 5 J A 0 8 S C R E W , B I N D . H E A D 3
1 7 9 0 1 6 9 - 0 7 J 2 0 6 S C R E W , B I N D H E A D 2
1 8 9 1 3 1 7 - 0 3 0 0 8 B O L T H E X . S O C K E T H E A D 4
1 9 9 1 3 1 7 - 0 4 0 1 0 B O L T H E X . S O C K E T H E A D 2
2 0 9 2 9 0 7 - 0 3 2 0 0 W A S H E R , P L A I N 2
2 1 9 2 A 0 8 - 0 3 3 0 4 S E T S C R E W 2
2 2 9 8 7 0 4 - 0 3 0 0 6 S C R E W , F L A T H E A D ( + ) 2
2 3 9 8 9 0 7 - 0 3 0 0 5 S C R E W , B I N D I N G H E A D 3
2 4 9 9 4 8 0 - 0 3 0 1 2 P I N , P A R A L L E L 1
2 5 9 9 4 8 0 - 0 4 0 1 0 P I N , P A R A L L E L 1
F 3 C L A M P S E C .
2 4
5
1 3 1 6
2 3
1 4
1 2
1 9
4
9
1 7
2 2
2 0
1 8
2 5
3 1 0
1 5
1
6 2 1
2
1 8
8
7
1 1