M10_PartsList PDFA.pdf - 第258页
P A R T N O . P A R T N A M E . Q ’ T Y O N C A M E R A S U B A S S Y 1 L E 4 - M 7 3 1 0 - 0 0 x L E N S 1 2 L E 6 - M 6 5 3 1 - 0 0 x C C D C A M E R A 1 3 L E 6 - M 6 6 K 2 - 0 0 x H N S , X I O - F I X C A M 1 4 L E …

P A R T N O . P A R T N A M E. Q ’ T Y
O
N
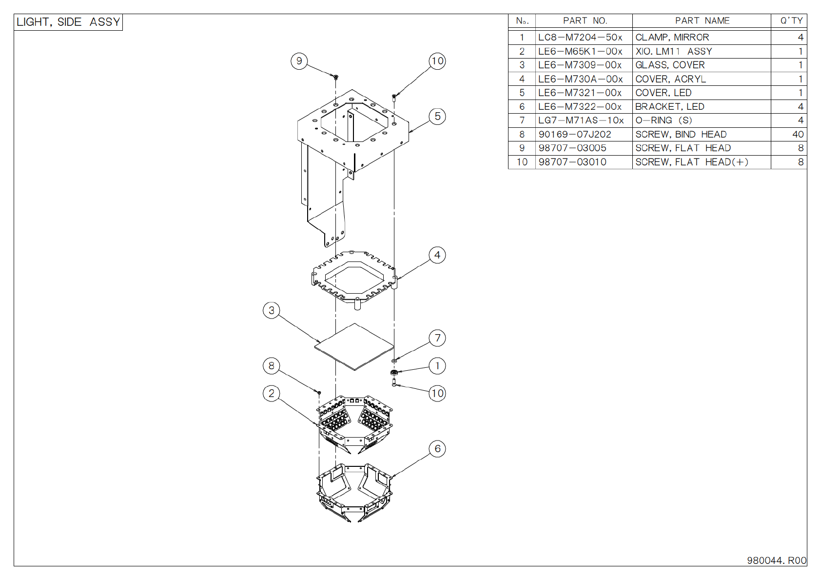
L I G H T , S I D E A S S Y
9 8 0 0 4 4 . R 0 0
1 L C 8 - M 7 2 0 4 - 5 0 x C L A M P , M I R R O R 4
2 L E 6 - M 6 5 K 1 - 0 0 x X I O . L M 1 1 A S S Y 1
3 L E 6 - M 7 3 0 9 - 0 0 x G L A S S , C O V E R 1
4 L E 6 - M 7 3 0 A - 0 0 x C O V E R , A C R Y L 1
5 L E 6 - M 7 3 2 1 - 0 0 x C O V E R , L E D 1
6 L E 6 - M 7 3 2 2 - 0 0 x B R A C K E T , L E D 4
7 L G 7 - M 7 1 A S - 1 0 x O - R I N G ( S ) 4
8 9 0 1 6 9 - 0 7 J 2 0 2 S C R E W , B I N D H E A D 4 0
9 9 8 7 0 7 - 0 3 0 0 5 S C R E W , F L A T H E A D 8
1 0 9 8 7 0 7 - 0 3 0 1 0 S C R E W , F L A T H E A D ( + ) 8
1 0
4
1 0
9
5
3
7
18
6
2

P A R T N O . P A R T N A M E. Q ’ T Y
O
N
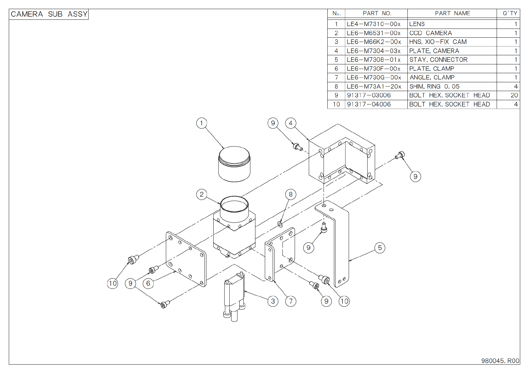
C A M E R A S U B A S S Y
1 L E 4 - M 7 3 1 0 - 0 0 x L E N S 1
2 L E 6 - M 6 5 3 1 - 0 0 x C C D C A M E R A 1
3 L E 6 - M 6 6 K 2 - 0 0 x H N S , X I O - F I X C A M 1
4 L E 6 - M 7 3 0 4 - 0 3 x P L A T E , C A M E R A 1
5 L E 6 - M 7 3 0 8 - 0 1 x S T A Y , C O N N E C T O R 1
6 L E 6 - M 7 3 0 F - 0 0 x P L A T E , C L A M P 1
7 L E 6 - M 7 3 0 G - 0 0 x A N G L E , C L A M P 1
8 L E 6 - M 7 3 A 1 - 2 0 x S H I M , R I N G 0 . 0 5 4
9 9 1 3 1 7 - 0 3 0 0 6 B O L T H E X . S O C K E T H E A D 2 0
1 0 9 1 3 1 7 - 0 4 0 0 6 B O L T H E X . S O C K E T H E A D 4
9 8 0 0 4 5 . R 0 0
91
1 0 69
7 9 1 0
82
9
4
9
5
3

M 1 0 / M 2 0
9 7 0 2 1 8. R 0 0
9 8 0 3 5 0. R 0 0
F I X E D C A M E R A S E C
N E W T Y P E
P A R T S L I S T