M10_PartsList PDFA.pdf - 第60页
P A R T N O . P A R T N A M E Q ’ T Y N o . 9 8 0 2 7 2 . R 0 0 C O N N E C T O R A S S Y 1 L C 6 - M 5 U H 1 - 0 0 x B A S E , T I E 1 2 L E 6 - M 3 7 0 H - 0 3 x B R A C K E T , P I N 1 3 L E 6 - M 3 7 0 L - 0 1 x C O …

S H T . 2 / 2
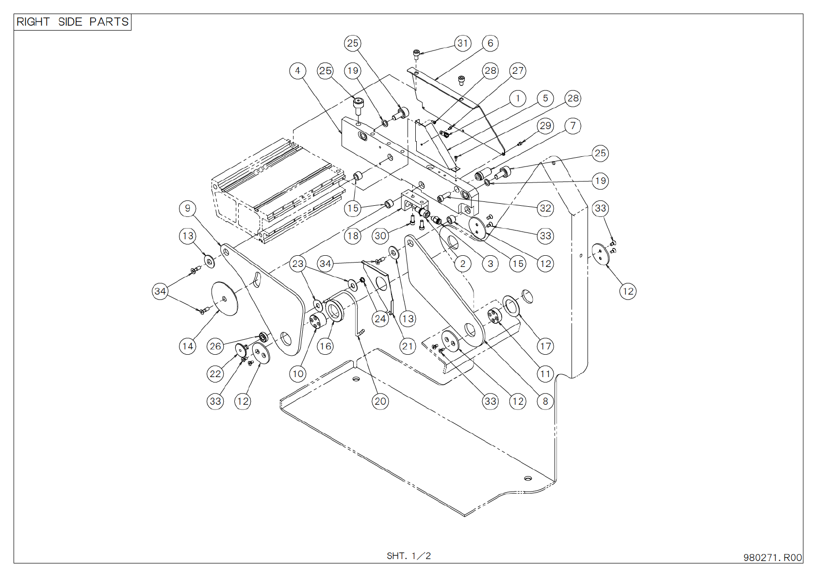
P A R T N O . P A R T N A M E Q ’ T YN o .
1 L C 6 - M 5 U H 1 - 0 0 x B A S E , T I E 1
2 L E 6 - M 3 7 0 1 - 0 5 x P L A T E , S I D E L 1
3 L E 6 - M 3 7 0 3 - 0 0 x C O V E R , C A B L E L 1
4 L E 6 - M 3 7 0 5 - 0 0 x C O V E R , S I D E L 1
5 L E 6 - M 3 7 0 7 - 1 0 x H O O K 1
6 L E 6 - M 3 7 0 8 - 0 0 x L I N K , 1 1
7 L E 6 - M 3 7 0 9 - 0 2 x L I N K , 2 1
8 L E 6 - M 3 7 0 A - 0 1 x C O L L A R , 1 1
9 L E 6 - M 3 7 0 B - 0 1 x C O L L A R , 2 1
1 0 L E 6 - M 3 7 0 C - 0 0 x W A S H E R 4
1 1 L E 6 - M 3 7 0 D - 0 0 x W A S H E R , S 2
1 2 L E 6 - M 3 7 0 D - 1 0 x W A S H E R , S 1
1 3 L E 6 - M 3 7 0 E - 0 0 x P I V O T 3
1 4 L E 6 - M 3 7 0 F - 0 1 x S P A C E R 1
1 5 L E 6 - M 3 7 0 G - 0 0 x W A S H E R 1
1 6 L E 6 - M 3 7 0 M - 0 0 x C O L L A R 2
1 7 L E 6 - M 3 7 1 4 - 0 1 x S P R I N G 1
1 8 L E 6 - M 3 7 1 5 - 2 0 x C O V E R , S P R I N G 1
1 9 L E 6 - M 3 7 1 9 - 0 1 x S H A F T , B R G . 1
2 0 L E 6 - M 3 7 1 A - 0 0 x W A S H E R , B R G . 2
2 1 L E 6 - M 3 7 8 0 - 0 0 x C O N N E C T O R A S S Y 1
2 2 L E 6 - M 3 7 A 2 - 0 0 x C I R C L I P 1
2 3 L G 0 - M 3 7 A 4 - 0 0 x F O L L O W E R , C A M 3
2 4 L G 0 - M 9 0 A 5 - 0 0 x B R G . 1
2 5 9 1 3 1 7 - 0 3 0 0 5 B O L T H E X . S O C K E T H E A D 1
2 6 9 1 3 1 7 - 0 3 0 0 6 B O L T H E X . S O C K E T H E A D 3
2 7 9 1 3 1 7 - 0 4 0 0 6 B O L T H E X . S O C K E T H E A D 3
2 8 9 1 3 1 7 - 0 8 0 1 2 B O L T H E X . S O C K E T H E A D 2
2 9 9 1 3 1 7 - 0 8 0 2 5 B O L T H E X . S O C K E T H E A D 1
3 0 9 8 7 0 7 - 0 5 0 1 0 S C R E W , F L A T H E A D 8
3 1 9 8 7 0 7 - 0 6 0 2 0 S C R E W , F L A T H E A D ( + ) 3
9 8 0 2 7 0 . R 0 0
L E F T S I D E P A R T S

P A R T N O . P A R T N A M E Q ’ T YN o .
9 8 0 2 7 2 . R 0 0
C O N N E C T O R A S S Y
1 L C 6 - M 5 U H 1 - 0 0 x B A S E , T I E 1
2 L E 6 - M 3 7 0 H - 0 3 x B R A C K E T , P I N 1
3 L E 6 - M 3 7 0 L - 0 1 x C O V E R , C O N N E C T O R 1 1
4 L E 6 - M 6 5 4 M - 0 0 x R E S I S T O R 1
5 L E 6 - M 6 6 E A - 0 0 x H N S , F I X 3 ( C F B ) 1
6 L E 6 - M 6 6 E E - 0 1 x H N S , F I X 1 ( C F B ) 1
7 9 0 1 6 9 - 0 2 J A 0 5 S C R E W , B I N D . H E A D 4
8 9 1 3 1 7 - 0 4 0 0 4 B O L T H E X . S O C K E T H E A D 1
9 9 1 3 1 7 - 0 6 0 1 6 B O L T H E X . S O C K E T H E A D 2
1 0 9 2 9 0 7 - 0 4 2 0 0 W A S H E R P L A I N 1
1 1 9 7 6 0 2 - 0 4 3 0 6 S C R E W , B I N . H E A D W / W . 1
1 2 9 8 9 0 7 - 0 3 0 0 5 S C R E W , B I N D I N G H E A D 2
2
4
1 0
8
1 1 1
7
1 2
3
5
69

9 8 0 2 7 1 . R 0 0
S H T . 1 / 2
R I G H T S I D E P A R T S
3 1
2 9
2 8 2 7
6
1 5 2 8
9 1 5
1 2
1 0
7
1 9
1 6
2 4
3 0
2 3 3 4
1 8
2 0
2 1
1 3
3 2
3 3
1 5 1 232
1 2
2 61 4
2 5
1 94
2 5
2 5
1 7
1 1
83 3 1 2
3 4
1 3
3 3
3 3
2 2