M10_PartsList PDFA.pdf - 第352页
P A R T N O . P A R T N A M E Q ’ T Y N o . D R I V E A S S Y 9 8 0 3 4 3 . R 0 0 1 K H 2 - M 9 1 0 5 - 1 1 x P U L L E Y , M O T O R : P 3 0 - 3 G T 1 2 L C 2 - M 9 1 3 0 - 0 0 x D C M O T O R C O M B . T Y P E 1 3 L E …

P A R T N O . P A R T N A M E Q ’ T YN o .
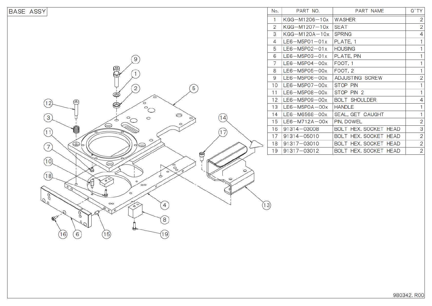
B A S E A S S Y
9 8 0 3 4 2 . R 0 0
1 K G G - M 1 2 0 6 - 1 0 x W A S H E R 2
2 K G G - M 1 2 0 7 - 1 0 x S E A T 2
3 K G G - M 1 2 0 A - 1 0 x S P R I N G 4
4 L E 6 - M 5 P 0 1 - 0 1 x P L A T E , 1 1
5 L E 6 - M 5 P 0 2 - 0 1 x H O U S I N G 1
6 L E 6 - M 5 P 0 3 - 0 1 x P L A T E , P I N 1
7 L E 6 - M 5 P 0 4 - 0 0 x F O O T , 1 1
8 L E 6 - M 5 P 0 5 - 0 0 x F O O T , 2 1
9 L E 6 - M 5 P 0 6 - 0 0 x A D J U S T I N G S C R E W 2
1 0 L E 6 - M 5 P 0 7 - 0 0 x S T O P P I N 1
1 1 L E 6 - M 5 P 0 8 - 0 0 x S T O P P I N 2 1
1 2 L E 6 - M 5 P 0 9 - 0 0 x B O L T S H O U L D E R 4
1 3 L E 6 - M 5 P 0 A - 0 0 x H A N D L E 1
1 4 L E 6 - M 6 5 6 8 - 0 0 x S E A L , G E T C A U G H T 1
1 5 L E 6 - M 7 1 2 A - 0 0 x P I N , D O W E L 2
1 6 9 1 3 1 4 - 0 3 0 0 8 B O L T H E X . S O C K E T H E A D 3
1 7 9 1 3 1 4 - 0 5 0 1 0 B O L T H E X . S O C K E T H E A D 2
1 8 9 1 3 1 7 - 0 3 0 1 0 B O L T H E X . S O C K E T H E A D 2
1 9 9 1 3 1 7 - 0 3 0 1 2 B O L T H E X . S O C K E T H E A D 2
9
1
2 5
4
1 1
7
8
1 0
1 2
3
6 1 51 6
1 8
1 9
1 4
1 7
1 3

P A R T N O . P A R T N A M E Q ’ T YN o .
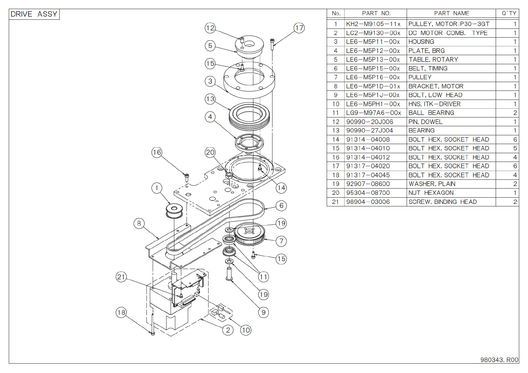
D R I V E A S S Y
9 8 0 3 4 3 . R 0 0
1 K H 2 - M 9 1 0 5 - 1 1 x P U L L E Y , M O T O R : P 3 0 - 3 G T 1
2 L C 2 - M 9 1 3 0 - 0 0 x D C M O T O R C O M B . T Y P E 1
3 L E 6 - M 5 P 1 1 - 0 0 x H O U S I N G 1
4 L E 6 - M 5 P 1 2 - 0 0 x P L A T E , B R G 1
5 L E 6 - M 5 P 1 3 - 0 0 x T A B L E , R O T A R Y 1
6 L E 6 - M 5 P 1 5 - 0 0 x B E L T , T I M I N G 1
7 L E 6 - M 5 P 1 6 - 0 0 x P U L L E Y 1
8 L E 6 - M 5 P 1 D - 0 1 x B R A C K E T , M O T O R 1
9 L E 6 - M 5 P 1 J - 0 0 x B O L T , L O W H E A D 1
1 0 L E 6 - M 5 P H 1 - 0 0 x H N S , I T K - D R I V E R 1
1 1 L G 9 - M 9 7 A 6 - 0 0 x B A L L B E A R I N G 2
1 2 9 0 9 9 0 - 2 0 J 0 0 6 P I N , D O W E L 1
1 3 9 0 9 9 0 - 2 7 J 0 0 4 B E A R I N G 1
1 4 9 1 3 1 4 - 0 4 0 0 8 B O L T H E X . S O C K E T H E A D 6
1 5 9 1 3 1 4 - 0 4 0 1 0 B O L T H E X . S O C K E T H E A D 5
1 6 9 1 3 1 4 - 0 4 0 1 2 B O L T H E X . S O C K E T H E A D 4
1 7 9 1 3 1 7 - 0 4 0 2 0 B O L T H E X . S O C K E T H E A D 6
1 8 9 1 3 1 7 - 0 4 0 4 5 B O L T H E X . S O C K E T H E A D 4
1 9 9 2 9 0 7 - 0 8 6 0 0 W A S H E R , P L A I N 2
2 0 9 5 3 0 4 - 0 8 7 0 0 N U T H E X A G O N 1
2 1 9 8 9 0 4 - 0 3 0 0 6 S C R E W . B I N D I N G H E A D 2
4
1
8
9
3
5
2
6
7
1 6
1 4
2 0
1 8
1 9
1 1
1 9
1 5
1 2
1 3
1 7
1 5
2 1
1 0

P A R T N O . P A R T N A M E Q ’ T YN o .
1 L E 6 - M 5 P 1 E - 0 0 x T A B L E 1
2 L E 6 - M 5 P 1 F - 0 0 x O U T E R R I N G 1
3 L E 6 - M 5 P 1 G - 0 0 x I N N E R R I N G 1
4 L E 6 - M 5 P 1 H - 0 0 x O - R I N G 1
5 9 0 2 0 0 - 3 1 J 3 3 5 O - R I N G 1
6 9 1 3 1 4 - 0 4 0 0 8 B O L T H E X . S O C K E T H E A D 4
7 9 1 3 1 7 - 0 3 0 1 0 B O L T H E X . S O C K E T H E A D 6
8 9 1 3 1 7 - 0 8 0 2 5 B O L T H E X . S O C K E T H E A D 1
P L A T E , R O T A T I O N
9 8 0 3 4 4 . R 0 0
8 6
3
5
2
1
7
4