M10_PartsList PDFA.pdf - 第261页
L I G H T A S S Y 9 8 0 3 5 2 . R 0 0 S H T . 1 / 2 1 3 1 4 1 1 3 1 2 1 0 1 1 5 9 1 8 6 2 1 4 4 7

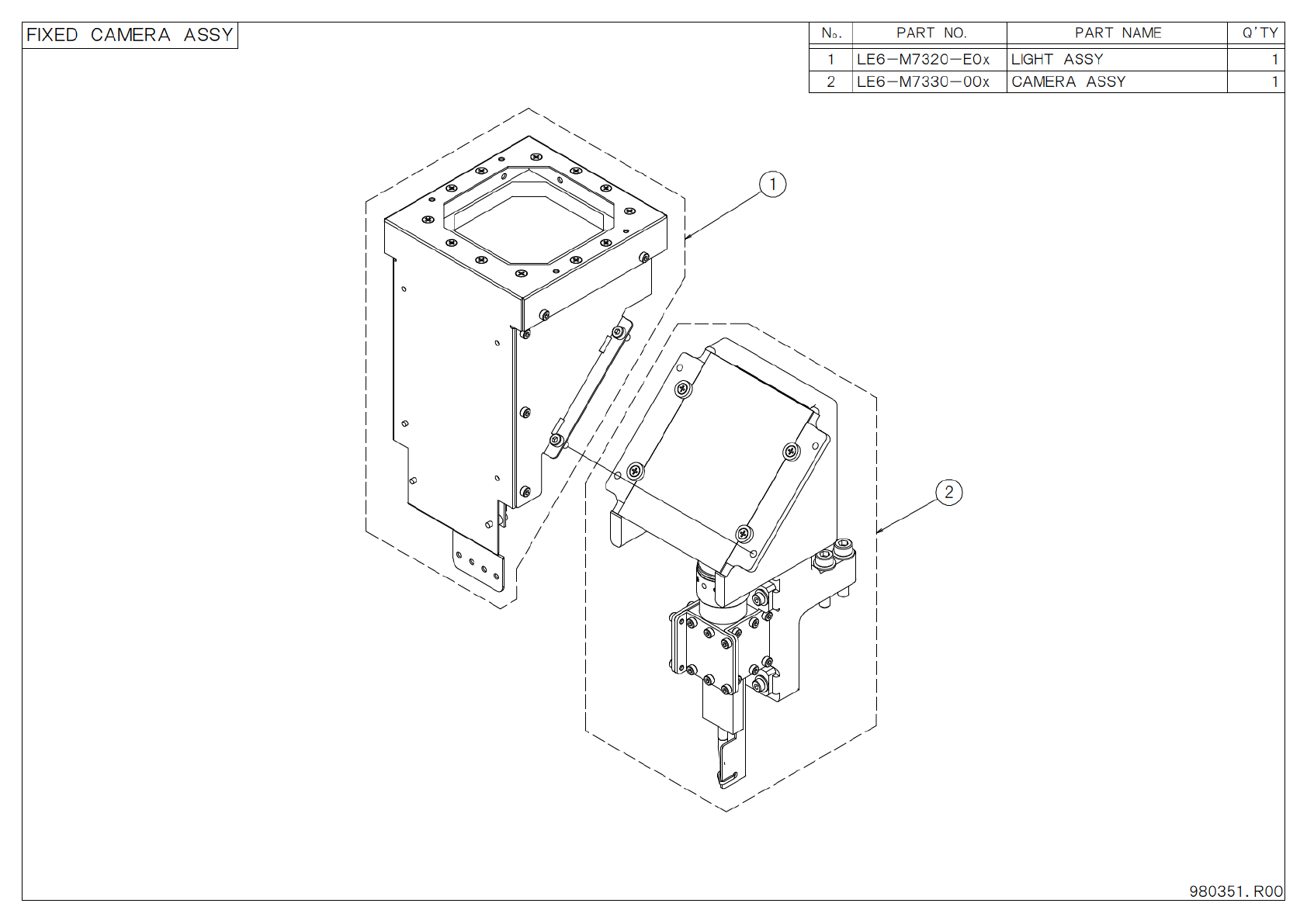
F I X E D C A M E R A A S S Y
P A R T N O . P A R T N A M E. Q ’ T Y
O
N
1 L E 6 - M 7 3 2 0 - E 0 x L I G H T A S S Y 1
2 L E 6 - M 7 3 3 0 - 0 0 x C A M E R A A S S Y 1
9 8 0 3 5 1 . R 0 0
1
2

L I G H T A S S Y
9 8 0 3 5 2 . R 0 0
S H T . 1 / 2
1 31 4 1 1
3
1 2
1 0
1 1
5
9
1
8
6
2
1 4 4
7

P A R T N O . P A R T N A M E Q ’ T Y
S H T . 2 / 2
N o .
L I G H T A S S Y
9 8 0 3 5 2 . R 0 0
1 L C 8 - M 7 2 0 4 - 5 0 x C L A M P , M I R R O R 4
2 L E 6 - M 6 5 K 1 - 0 0 x X I O . L M 1 1 A S S Y 1
3 L E 6 - M 7 3 0 3 - E 0 x C O V E R , L E D 1
4 L E 6 - M 7 3 0 9 - 0 0 x G L A S S , C O V E R 1
5 L E 6 - M 7 3 0 A - 0 0 x C O V E R , A C R Y L 1
6 L E 6 - M 7 3 1 0 - E 0 x L I G H T , C O A X I A L A S S Y 1
7 L E 6 - M 7 3 2 1 - E 0 x C O V E R , L E D 1
8 L E 6 - M 7 3 2 2 - 0 0 x B R A C K E T , L E D 4
9 L G 7 - M 7 1 A S - 1 0 x O - R I N G ( S ) 4
1 0 9 0 1 6 9 - 0 7 J 2 0 2 S C R E W , B I N D H E A D 4 0
1 1 9 1 3 1 7 - 0 3 0 0 5 B O L T H E X . S O C K E T H E A D 1 2
1 2 9 1 3 1 7 - 0 4 0 0 8 B O L T H E X . S O C K E T H E A D 4
1 3 9 8 7 0 7 - 0 3 0 0 5 S C R E W , F L A T H E A D 8
1 4 9 8 7 0 7 - 0 3 0 1 0 S C R E W , F L A T H E A D ( + ) 8