M10_PartsList PDFA.pdf - 第205页
S H T . 2 / 2 P A R T N O . P A R T N A M E Q ’ T Y N o . 9 8 0 2 3 7 . R 0 0 D R I V E S E C 1 K H 2 - M 9 1 0 5 - 1 1 x P U L L E Y , M O T O R : P 3 0 - 3 G T 2 2 K H 2 - M 9 1 2 1 - 0 0 x B E A R I N G 4 3 K H T - M …

S H T . 1 / 2
9 8 0 2 3 7 . R 0 0
D R I V E S E C
2 5
2
1 0
2 9
2 5
83 31 9
1 72 3
2 9
7
92 4
1 6 1 8 66
4
2 2
2 1
2 6
2 91 0
2
2 5
83 31 9
61 64
6
1 82 9
1 77
2 4
9
2 3
5
2 7
1 32 0
3 02 9
1 2
1
3 1
3 2 5
2 2 8
2 6 1 4
3 2
1 5
6
1 6 4
5 2 7
3 2
1 4
1 1
3
2 0
1
3 1
2 8
6
1 6 4
3 0
2 5 2 9
1 5
2 1 3

S H T . 2 / 2
P A R T N O . P A R T N A M E Q ’ T YN o .
9 8 0 2 3 7 . R 0 0
D R I V E S E C
1 K H 2 - M 9 1 0 5 - 1 1 x P U L L E Y , M O T O R : P 3 0 - 3 G T 2
2 K H 2 - M 9 1 2 1 - 0 0 x B E A R I N G 4
3 K H T - M 7 2 1 2 - 0 0 x P 4 8 - 3 G T - 9 - 3 3 F 2
4 K V 1 - M 9 1 4 0 - A 0 x P U L L E Y C O N V . A S S Y . 1 2
5 L C 2 - M 9 1 3 0 - 0 0 x D C M O T O R C O M B . T Y P E 2
6 L E 4 - M 1 3 5 3 - 1 0 x N U T 2 0
7 L E 6 - M 9 0 0 1 - 0 0 x C O L L A R , B R G 2
8 L E 6 - M 9 0 0 2 - 0 0 x H O L D E R , B R G 2
9 L E 6 - M 9 0 0 3 - 0 1 x P L A T E , D R I V E R 2
1 0 L E 6 - M 9 0 0 4 - 0 3 x P L A T E , P U L L E Y R 2
1 1 L E 6 - M 9 0 0 H - 0 0 x B R K T . M O T O R 1
1 2 L E 6 - M 9 0 0 H - 1 0 x B R K T . M O T O R 1
1 3 L E 6 - M 9 0 0 J - 0 1 x P L A T E , M O T O R 2
1 4 L E 6 - M 9 0 0 L - 0 0 x P U L L E Y , D R I V E F 2
1 5 L E 6 - M 9 0 0 M - 0 0 x S H A F T , D R I V E 2
1 6 L E 6 - M 9 0 0 N - 0 0 x C O L L A R 1 2
1 7 L E 6 - M 9 0 2 1 - 0 1 x P L A T E , B R G 2
1 8 L E 6 - M 9 0 2 2 - 0 0 x C O L L A R 4
1 9 L E 6 - M 9 0 A 2 - 0 0 x B E A R I N G 2
2 0 L E 6 - M 9 0 A 4 - 0 0 x B E L T , T I M I N G 2
2 1 L E 7 - M 9 0 A 3 - 3 0 x B E L T 2
2 2 L E 7 - M 9 0 A 3 - 4 0 x B E L T 2
2 3 L G 9 - M 9 0 0 K - 0 0 x P U L L E Y , D R I V E R 2
2 4 9 1 3 1 7 - 0 3 0 1 6 B O L T H E X . S O C K E T H E A D 8
2 5 9 1 3 1 7 - 0 4 0 0 6 B O L T H E X . S O C K E T H E A D 1 5
2 6 9 1 3 1 7 - 0 4 0 2 0 B O L T H E X . S O C K E T H E A D 2
2 7 9 1 3 1 7 - 0 4 0 4 5 B O L T H E X . S O C K E T H E A D 8
2 8 9 1 3 1 7 - 0 5 0 0 8 B O L T H E X . S O C K E T H E A D 4
2 9 9 1 3 1 7 - 0 5 0 1 0 B O L T H E X . S O C K E T H E A D 2 0
3 0 9 2 9 0 7 - 0 5 2 0 0 W A S H E R , P L A I N 8
3 1 9 2 9 0 7 - 1 0 6 0 0 W A S H E R , P L A I N 2
3 2 9 5 3 0 7 - 0 4 6 0 0 N U T H E X A G O N 2
3 3 9 9 0 0 9 - 2 2 4 0 0 C I R C L I P 2

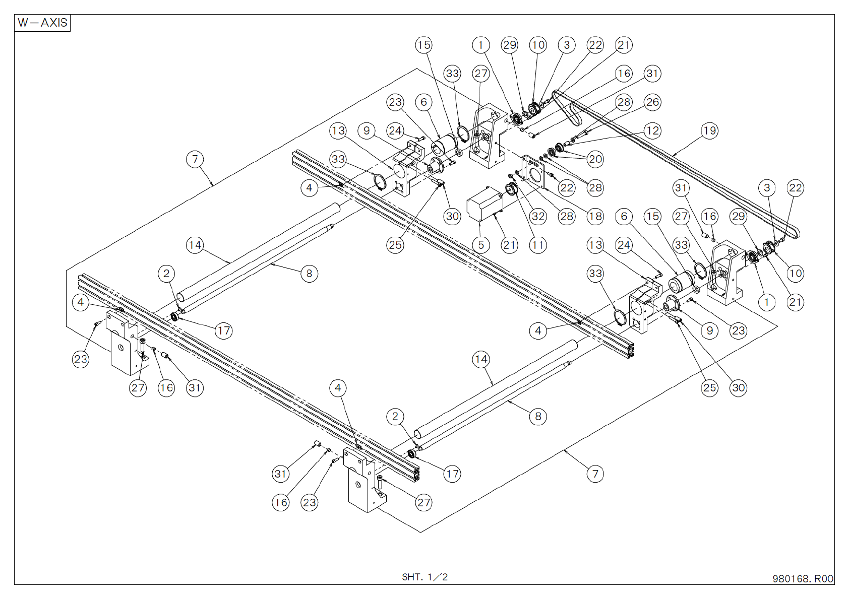
S H T . 1 / 2
9 8 0 1 6 8 . R 0 0
W - A X I S
8
1 4
4
1 7
2 31 6
3 1
4
2 7
3 3
2 5 3 0
9 2 3
7
3
1 0
2 11
2 9
2 2
1 6
1 3 2 4
6
3 3
1 5 2 7
3 1
5 2 1
2 2 2 8
2 0
1 1
3 2 1 82 8
2 62 8
3 11 6
2 3
4
2 7
1 7
8
1 4
2
7
4
3 0
2 5
6
31 0
3 3
1 3 9 2 4
2 3
1 5
1 6 3 1
2 2 2 12 91
2 73 3
2
1 91 2