M10_PartsList PDFA.pdf - 第24页
P A R T N O . P A R T N A M E Q ’ T Y N o . 1 L E 7 - M 1 3 2 J - 1 1 x P L A T E , B A L A N C E R 1 2 L E 7 - M 1 3 2 K - 0 0 x R I B 1 3 L E 7 - M 1 3 2 L - 0 0 x B A L A N C E R 1 4 L E 7 - M 1 3 2 M - 0 0 x G O M 1 …

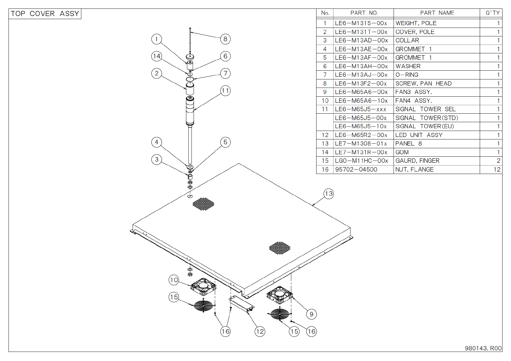
P A R T N O . P A R T N A M E Q ’ T YN o .
1 L E 6 - M 1 3 1 S - 0 0 x W E I G H T , P O L E 1
2 L E 6 - M 1 3 1 T - 0 0 x C O V E R , P O L E 1
3 L E 6 - M 1 3 A D - 0 0 x C O L L A R 1
4 L E 6 - M 1 3 A E - 0 0 x G R O M M E T 1 1
5 L E 6 - M 1 3 A F - 0 0 x G R O M M E T 1 1
6 L E 6 - M 1 3 A H - 0 0 x W A S H E R 1
7 L E 6 - M 1 3 A J - 0 0 x O - R I N G 1
8 L E 6 - M 1 3 F 2 - 0 0 x S C R E W , P A N H E A D 1
9 L E 6 - M 6 5 A 6 - 0 0 x F A N 3 A S S Y . 1
1 0 L E 6 - M 6 5 A 6 - 1 0 x F A N 4 A S S Y . 1
1 1 L E 6 - M 6 5 J 5 - x x x S I G N A L T O W E R S E L 1
1 2 L E 6 - M 6 5 R 2 - 0 0 x L E D U N I T A S S Y 1
1 3 L E 7 - M 1 3 0 8 - 0 1 x P A N E L 8 1
1 4 L E 7 - M 1 3 1 R - 0 0 x G O M 1
1 5 L G 0 - M 1 1 H C - 0 0 x G A U R D , F I N G E R 2
1 6 9 5 7 0 2 - 0 4 5 0 0 N U T , F L A N G E 1 2
T O P C O V E R A S S Y
9 8 0 1 4 3 . R 0 0
1 L E 6 - M 6 5 J 5 - 0 0 x S I G N A L T O W E R ( S T D )
1L E 6 - M 6 5 J 5 - 1 0 x S I G N A L T O W E R ( E U )
1 8
61 4
72
1 1
4
3
5
1 3
1 0
1 5
1 6 1 2 1 5 1 6
9

P A R T N O . P A R T N A M E Q ’ T YN o .
1 L E 7 - M 1 3 2 J - 1 1 x P L A T E , B A L A N C E R 1
2 L E 7 - M 1 3 2 K - 0 0 x R I B 1
3 L E 7 - M 1 3 2 L - 0 0 x B A L A N C E R 1
4 L E 7 - M 1 3 2 M - 0 0 x G O M 1
5 L E 7 - M 1 3 2 P - 0 0 x N U T , P L A T E 6
6 L E 7 - M 1 3 2 S - 0 0 x B O L T H E X . S O C K E T H E A D 6
7 9 1 3 1 7 - 0 4 0 0 6 B O L T H E X . S O C K E T H E A D 4
8 9 1 3 1 7 - 0 4 0 1 2 B O L T H E X . S O C K E T H E A D 2
9 9 5 3 0 7 - 0 6 6 0 0 N U T , H E X A G O N 2
C O V E R A B S O . F R A S S Y
9 8 0 0 6 1 . R 0 0
3
4
9
5
5
6
8
1
67
2

P A R T N O . P A R T N A M E Q ’ T YN o .
1 L E 7 - M 1 3 2 J - 2 1 x P L A T E , B A L A N C E R 1
2 L E 7 - M 1 3 2 K - 1 0 x R I B 1
3 L E 7 - M 1 3 2 L - 0 0 x B A L A N C E R 1
4 L E 7 - M 1 3 2 M - 0 0 x G O M 1
5 L E 7 - M 1 3 2 P - 0 0 x N U T , P L A T E 6
6 L E 7 - M 1 3 2 S - 0 0 x B O L T H E X . S O C K E T H E A D 6
7 9 1 3 1 7 - 0 4 0 0 6 B O L T H E X . S O C K E T H E A D 4
8 9 1 3 1 7 - 0 4 0 1 2 B O L T H E X . S O C K E T H E A D 2
9 9 5 3 0 7 - 0 6 6 0 0 N U T , H E X A G O N 2
C O V E R A B S O . F L A S S Y
9 8 0 0 6 2 . R 0 0
3
4
9 1
5
2
7
6
8
6
5