M10_PartsList PDFA.pdf - 第332页
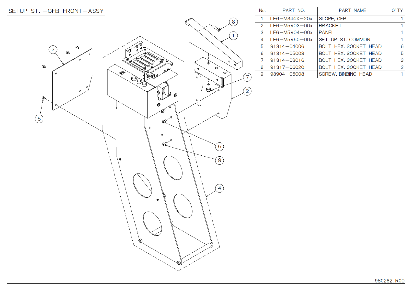
P A R T N O . P A R T N A M E Q ’ T Y N o . 1 L E 6 - M 3 4 4 X - 2 0 x S L O P E , C F B 1 2 L E 6 - M 5 V 0 3 - 0 0 x B R A C K E T 1 3 L E 6 - M 5 V 0 4 - 0 0 x P A N E L 1 4 L E 6 - M 5 V 5 0 - 0 0 x S E T U P S T . …

M 1 0 / M 2 0
9 7 0 2 1 8. R 0 0
9 8 0 2 8 1 . R 0 0
F 3 S E T U P S T A T I O N
C F B F R O N T
P A R T S L I S T

P A R T N O . P A R T N A M E Q ’ T YN o .
1 L E 6 - M 3 4 4 X - 2 0 x S L O P E , C F B 1
2 L E 6 - M 5 V 0 3 - 0 0 x B R A C K E T 1
3 L E 6 - M 5 V 0 4 - 0 0 x P A N E L 1
4 L E 6 - M 5 V 5 0 - 0 0 x S E T U P S T . C O M M O N 1
5 9 1 3 1 4 - 0 4 0 0 6 B O L T H E X . S O C K E T H E A D 6
6 9 1 3 1 4 - 0 5 0 0 8 B O L T H E X . S O C K E T H E A D 5
7 9 1 3 1 4 - 0 8 0 1 6 B O L T H E X . S O C K E T H E A D 3
8 9 1 3 1 7 - 0 6 0 2 0 B O L T H E X . S O C K E T H E A D 2
9 9 8 9 0 4 - 0 5 0 0 8 S C R E W , B I N B I N G H E A D 1
9 8 0 2 8 2 . R 0 0
S E T U P S T . - C F B F R O N T - A S S Y
4
6
9
5
3
8
1
7
2

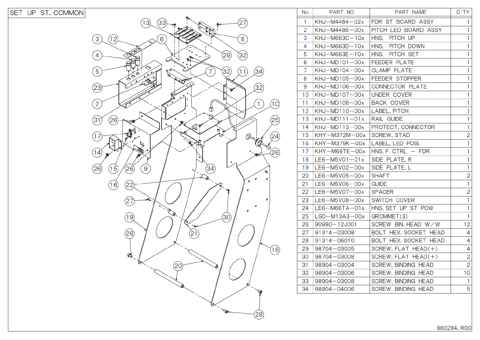
P A R T N O . P A R T N A M E Q ’ T YN o .
9 8 0 2 8 4 . R 0 0
S E T U P S T . C O M M O N
1 K H J - M 4 4 8 4 - 0 2 x F D R S T B O A R D A S S Y 1
2 K H J - M 4 4 8 6 - 0 0 x P I T C H L E D B O A R D A S S Y 1
3 K H J - M 6 6 3 C - 1 0 x H N S , P I T C H U P 1
4 K H J - M 6 6 3 D - 1 0 x H N S , P I T C H D O W N 1
5 K H J - M 6 6 3 E - 1 0 x H N S , P I T C H S E T 1
6 K H J - M D 1 0 1 - 0 0 x F E E D E R P L A T E 1
7 K H J - M D 1 0 4 - 0 0 x C L A M P P L A T E 1
8 K H J - M D 1 0 5 - 0 0 x F E E D E R S T O P P E R 1
9 K H J - M D 1 0 6 - 0 0 x C O N N E C T O R P L A T E 1
1 0 K H J - M D 1 0 7 - 0 0 x U N D E R C O V E R 1
1 1 K H J - M D 1 0 8 - 0 0 x B A C K C O V E R 1
1 2 K H J - M D 1 1 0 - 0 0 x L A B E L , P I T C H 1
1 3 K H J - M D 1 1 1 - 0 1 x R A I L G U I D E 1
1 4 K H J - M D 1 1 3 - 0 0 x P R O T E C T , C O N N E C T O R 1
1 5 K H Y - M 3 7 2 M - 0 0 x S C R E W , S T A D 2
1 6 K H Y - M 3 7 9 K - 0 0 x L A B E L , L E D P O S I . 1
1 7 K H Y - M 6 6 T E - 0 0 x H N S , F . C T R L - F D R 1
1 8 L E 6 - M 5 V 0 1 - 0 1 x S I D E P L A T E , R 1
1 9 L E 6 - M 5 V 0 2 - 0 0 x S I D E P L A T E , L 1
2 0 L E 6 - M 5 V 0 5 - 0 0 x S H A F T 2
2 1 L E 6 - M 5 V 0 6 - 0 0 x G U I D E 1
2 2 L E 6 - M 5 V 0 7 - 0 0 x S P A C E R 2
2 3 L E 6 - M 5 V 0 8 - 0 0 x S W I T C H C O V E R 1
2 4 L E 6 - M 6 6 T A - 0 1 x H N S , S E T U P S T P O W 1
2 5 L G 0 - M 1 3 A 3 - 0 0 x G R O M M E T ( 3 ) 1
2 6 9 0 9 9 0 - 1 2 J 0 0 1 S C R E W B I N . H E A D W / W 1 2
2 7 9 1 3 1 4 - 0 3 0 0 8 B O L T H E X . S O C K E T H E A D 4
2 8 9 1 3 1 4 - 0 6 0 1 0 B O L T H E X . S O C K E T H E A D 4
2 9 9 8 7 0 4 - 0 3 0 0 5 S C R E W , F L A T H E A D ( + ) 4
3 0 9 8 7 0 4 - 0 3 0 0 8 S C R E W , F L A T H E A D ( + ) 2
3 1 9 8 9 0 4 - 0 3 0 0 4 S C R E W , B I N D I N G H E A D 2
3 2 9 8 9 0 4 - 0 3 0 0 6 S C R E W . B I N D I N G H E A D 1 0
3 3 9 8 9 0 4 - 0 3 0 0 8 S C R E W . B I N D I N G H E A D 1
3 4 9 8 9 0 4 - 0 4 0 0 6 S C R E W . B I N D I N G H E A D 5
2 0
1 8
1 3
7
1 9
2 1
1 1 0
2 2
9
3
5
2
2 3
4
1 4
1 6
1 5
1 7
1 2 6 8
2 7
2 8
3 0
2 6
3 3
2 9 3 2
3 2
3 42 6
2 7
3 1
2 6
2 6
2 8
3 2 1 1 3 4
2 5
2 4