M10_PartsList PDFA.pdf - 第325页
M 1 0 / M 2 0 9 7 0 2 1 8. R 0 0 9 8 0 2 8 7 . R 0 0 F 3 S E T U P S T A T I O N F I X E D B A N K F R O N T P A R T S L I S T

S H T . 2 / 2
P A R T N O . P A R T N A M E Q ’ T YN o .
C O V E R A S S Y
9 8 0 3 4 6 . R 0 0
1 L E 5 - M 7 1 G U - 0 0 x T H I N H E A D B O L T 2 5
2 L E 6 - M 5 P 3 1 - 0 1 x C O V E R , E N D 1
3 L E 6 - M 5 P 3 2 - 0 0 x B O X , M O T O R 1
4 L E 6 - M 5 P 3 3 - 0 1 x C O V E R , L 1
5 L E 6 - M 5 P 3 4 - 0 1 x C O V E R , M O T O R 1
6 L E 6 - M 5 P 3 5 - 0 0 x C O V E R , P U L L E Y 1
7 L E 6 - M 5 P 3 6 - 0 1 x C O V E R , R 1
8 L E 6 - M 5 P 3 7 - 0 0 x A C R Y L 1
9 L E 6 - M 5 P 3 8 - 0 0 x B U T T O N . S W I T C H 1
1 0 L E 6 - M 5 P 3 9 - 0 0 x S P A C E R , A S F - 3 1 5 E 4
1 1 L E 6 - M 5 P 3 A - 0 0 x S E R I A L N O . S T I C K E R 1
1 2 L E 6 - M 5 P H 1 - 0 0 x H N S , I T K - D R I V E R 1
1 3 L E 6 - M 5 P H 2 - 0 0 x K E Y T O P 1
1 4 L G 1 - M 1 7 A L - 0 0 x T H I N H E A D B O L T 4
1 5 L G 4 - M 1 A A 2 - 5 1 x S P . C O N N E C T O R A S S Y 1
1 6 L G 4 - M 1 A A 3 - 1 1 x M I C R O S W I T C H A S S Y 1
1 7 L G 4 - M E A H 1 - 1 1 x I T K - 1 B O A R D A S S Y 1
1 8 9 2 9 0 3 - 0 3 2 0 0 W A S H E R , P L A I N 4
1 9 9 5 3 0 4 - 0 3 6 0 0 N U T , H E X A G O N 4
2 0 9 7 6 0 4 - 0 3 0 0 6 S C R E W , P A N H E A D W / W . 4
2 1 9 8 9 0 4 - 0 3 0 0 6 S C R E W . B I N D I N G H E A D 1 0

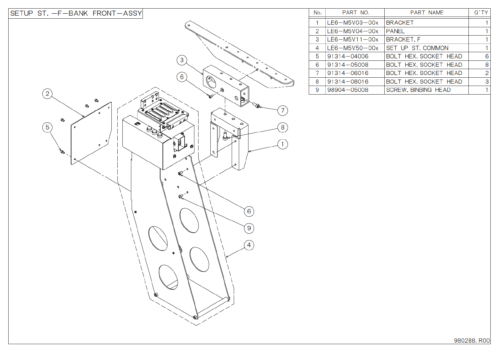
M 1 0 / M 2 0
9 7 0 2 1 8. R 0 0
9 8 0 2 8 7. R 0 0
F 3 S E T U P S T A T I O N
F I X E D B A N K F R O N T
P A R T S L I S T

P A R T N O . P A R T N A M E Q ’ T YN o .
1 L E 6 - M 5 V 0 3 - 0 0 x B R A C K E T 1
2 L E 6 - M 5 V 0 4 - 0 0 x P A N E L 1
3 L E 6 - M 5 V 1 1 - 0 0 x B R A C K E T , F 1
4 L E 6 - M 5 V 5 0 - 0 0 x S E T U P S T . C O M M O N 1
5 9 1 3 1 4 - 0 4 0 0 6 B O L T H E X . S O C K E T H E A D 6
6 9 1 3 1 4 - 0 5 0 0 8 B O L T H E X . S O C K E T H E A D 8
7 9 1 3 1 4 - 0 6 0 1 6 B O L T H E X . S O C K E T H E A D 2
8 9 1 3 1 4 - 0 8 0 1 6 B O L T H E X . S O C K E T H E A D 3
9 9 8 9 0 4 - 0 5 0 0 8 S C R E W , B I N B I N G H E A D 1
9 8 0 2 8 8 . R 0 0
S E T U P S T . - F - B A N K F R O N T - A S S Y
6
7
4
6
8
1
2
3
5
9