M10_PartsList PDFA.pdf - 第293页
9 8 0 3 1 0 . R 0 0 P A L L E T S T O P P E R A S S Y S H T . 1 / 2 1 1 7 4 2 9 3 1 2 1 0 1 0 1 2 1 3 1 1 1 1 8 1 8 5 6

P A R T N O . P A R T N A M E Q ’ T YN o .
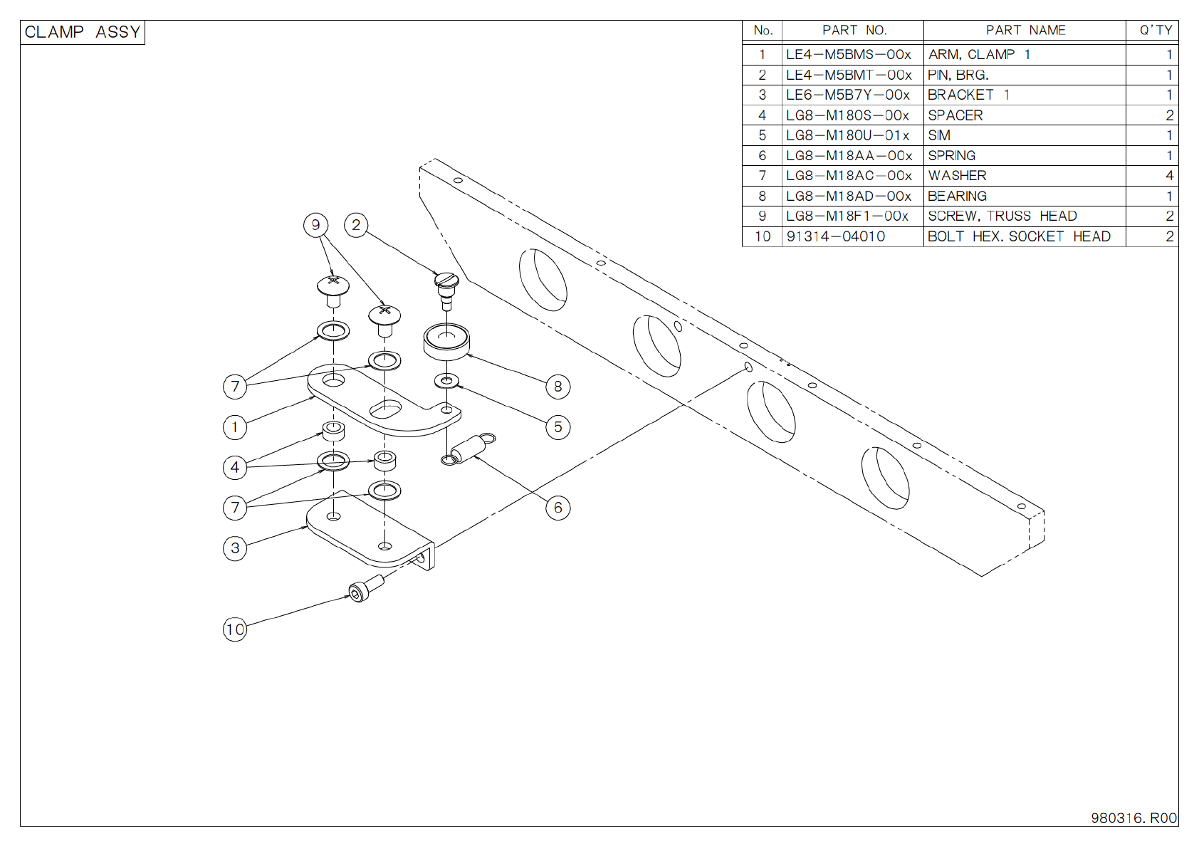
C L A M P A S S Y
9 8 0 3 1 6 . R 0 0
1 L E 4 - M 5 B M S - 0 0 x A R M , C L A M P 1 1
2 L E 4 - M 5 B M T - 0 0 x P I N , B R G . 1
3 L E 6 - M 5 B 7 Y - 0 0 x B R A C K E T 1 1
4 L G 8 - M 1 8 0 S - 0 0 x S P A C E R 2
5 L G 8 - M 1 8 0 U - 0 1 x S I M 1
6 L G 8 - M 1 8 A A - 0 0 x S P R I N G 1
7 L G 8 - M 1 8 A C - 0 0 x W A S H E R 4
8 L G 8 - M 1 8 A D - 0 0 x B E A R I N G 1
9 L G 8 - M 1 8 F 1 - 0 0 x S C R E W , T R U S S H E A D 2
1 0 9 1 3 1 4 - 0 4 0 1 0 B O L T H E X . S O C K E T H E A D 2
9
7
1
4
7
3
5
8
6
1 0
2

9 8 0 3 1 0 . R 0 0
P A L L E T S T O P P E R A S S Y
S H T . 1 / 2
1 1
7
4
2
9
3
1 21 0
1 0
1 2
1
3 1 1
1 1
8
1 8
5
6

S H T . 2 / 2
P A R T N O . P A R T N A M E Q ’ T YN o .
1 L E 4 - M 5 B B R - 0 0 x S P R I N G 2
2 L E 4 - M 5 B B W - 0 0 x B U S H , F L A N G E 2
3 L E 4 - M 5 B B X - 0 0 x W A S H E R 2
4 L E 6 - M 5 B 7 R - 0 0 x B R K T , F S T 2
5 L E 6 - M 5 B 7 V - 0 0 x A N G L E 1
6 L E 6 - M 5 B 7 X - 0 0 x S H A F T 6 2
7 L E 6 - M 5 B D 4 - 0 0 x S H E E T 2
8 L E 6 - M 5 B D 6 - 0 0 x C O L L A R 3 2
9 9 1 3 1 4 - 0 5 0 1 6 B O L T H E X . S O C K E T H E A D 4
1 0 9 1 3 1 7 - 0 3 0 0 8 B O L T H E X . S O C K E T H E A D 4
1 1 9 1 3 1 7 - 0 4 0 1 0 B O L T H E X . S O C K E T H E A D 4
1 2 9 2 9 0 7 - 0 8 2 0 0 W A S H E R , P L A I N 2
9 8 0 3 1 0 . R 0 0
P A L L E T S T O P P E R A S S Y