M10_PartsList PDFA.pdf - 第267页
M 1 0 / M 2 0 9 7 0 2 1 8. R 0 0 9 8 0 0 4 6 . R 0 0 A N C S E C P A R T S L I S T

9 _ A N C S e cti o n
1 A N C S E C.
A N C ············································································1- 1

M 1 0 / M 2 0
9 7 0 2 1 8. R 0 0
9 8 0 0 4 6. R 0 0
A N C S E C
P A R T S L I S T

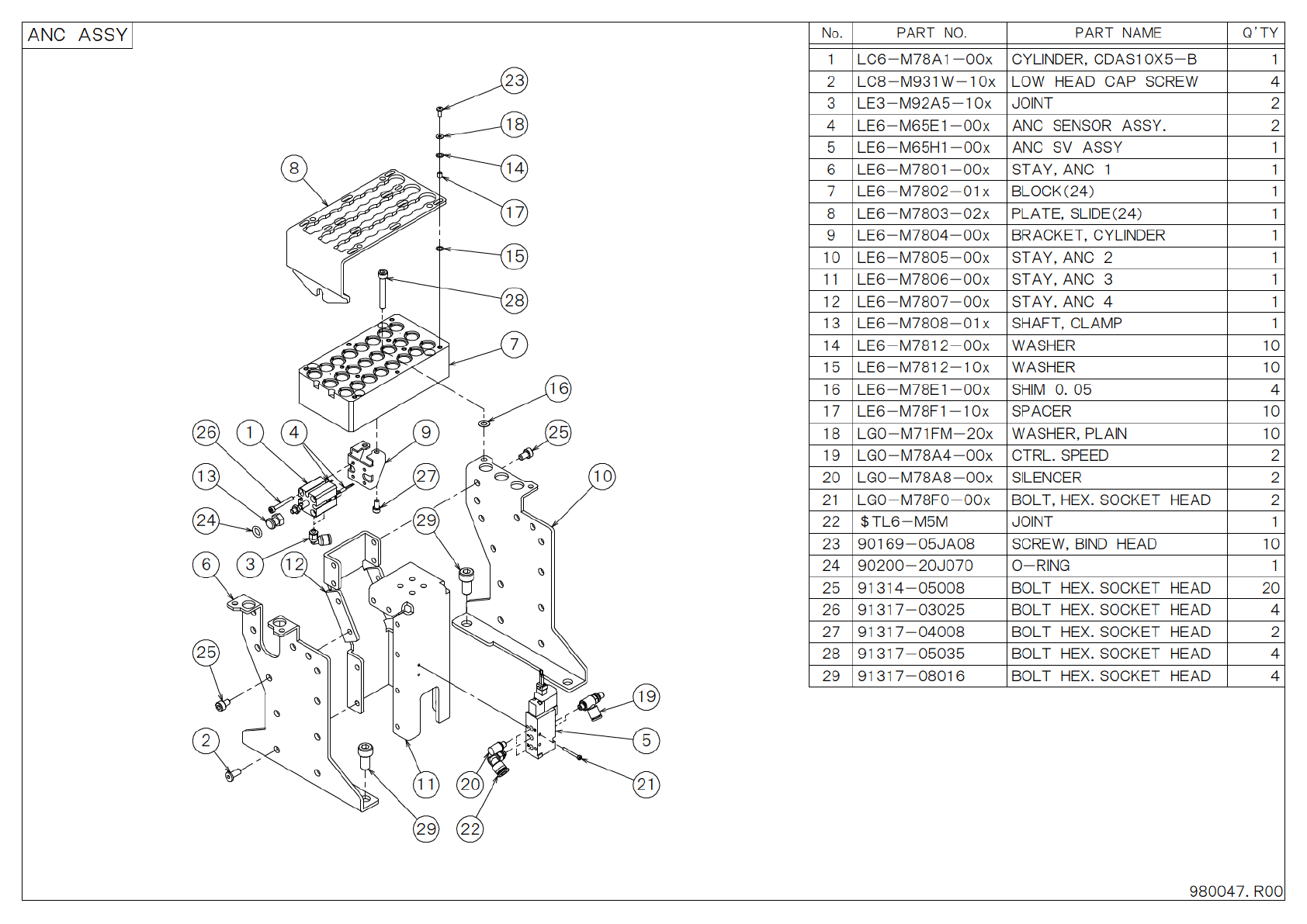
A N C A S S Y
9 8 0 0 4 7 . R 0 0
P A R T N O . P A R T N A M E Q ’ T Y
1 L C 6 - M 7 8 A 1 - 0 0 x C Y L I N D E R , C D A S 1 0 X 5 - B 1
2 L C 8 - M 9 3 1 W - 1 0 x L O W H E A D C A P S C R E W 4
3 L E 3 - M 9 2 A 5 - 1 0 x J O I N T 2
4 L E 6 - M 6 5 E 1 - 0 0 x A N C S E N S O R A S S Y . 2
5 L E 6 - M 6 5 H 1 - 0 0 x A N C S V A S S Y 1
6 L E 6 - M 7 8 0 1 - 0 0 x S T A Y , A N C 1 1
7 L E 6 - M 7 8 0 2 - 0 1 x B L O C K ( 2 4 ) 1
8 L E 6 - M 7 8 0 3 - 0 2 x P L A T E , S L I D E ( 2 4 ) 1
9 L E 6 - M 7 8 0 4 - 0 0 x B R A C K E T , C Y L I N D E R 1
1 0 L E 6 - M 7 8 0 5 - 0 0 x S T A Y , A N C 2 1
1 1 L E 6 - M 7 8 0 6 - 0 0 x S T A Y , A N C 3 1
1 2 L E 6 - M 7 8 0 7 - 0 0 x S T A Y , A N C 4 1
1 3 L E 6 - M 7 8 0 8 - 0 1 x S H A F T , C L A M P 1
1 4 L E 6 - M 7 8 1 2 - 0 0 x W A S H E R 1 0
1 5 L E 6 - M 7 8 1 2 - 1 0 x W A S H E R 1 0
1 6 L E 6 - M 7 8 E 1 - 0 0 x S H I M 0 . 0 5 4
1 7 L E 6 - M 7 8 F 1 - 1 0 x S P A C E R 1 0
1 8 L G 0 - M 7 1 F M - 2 0 x W A S H E R , P L A I N 1 0
1 9 L G 0 - M 7 8 A 4 - 0 0 x C T R L . S P E E D 2
2 0 L G 0 - M 7 8 A 8 - 0 0 x S I L E N C E R 2
2 1 L G 0 - M 7 8 F 0 - 0 0 x B O L T , H E X . S O C K E T H E A D 2
2 2 $ T L 6 - M 5 M J O I N T 1
2 3 9 0 1 6 9 - 0 5 J A 0 8 S C R E W , B I N D H E A D 1 0
2 4 9 0 2 0 0 - 2 0 J 0 7 0 O - R I N G 1
2 5 9 1 3 1 4 - 0 5 0 0 8 B O L T H E X . S O C K E T H E A D 2 0
2 6 9 1 3 1 7 - 0 3 0 2 5 B O L T H E X . S O C K E T H E A D 4
2 7 9 1 3 1 7 - 0 4 0 0 8 B O L T H E X . S O C K E T H E A D 2
2 8 9 1 3 1 7 - 0 5 0 3 5 B O L T H E X . S O C K E T H E A D 4
2 9 9 1 3 1 7 - 0 8 0 1 6 B O L T H E X . S O C K E T H E A D 4
N o .
2 3
1 8
1 4
1 7
1 5
8
2 8
7
1 6
2 5
2 71 3
2 4
1 26
2 5
1 0
2 11 1
2 9 2 2
2 0
2 9
92 6
1 9
1
3
2
4
5