M10_PartsList PDFA.pdf - 第304页
M 1 0 / M 2 0 9 7 0 2 1 8. R 0 0 9 8 0 3 1 7 . R 0 0 F 2 D O T S T A T I O N R D S - 1 P A R T S L I S T

P A R T N O . P A R T N A M E Q ’ T YN o .
P I N , S T A T I O N A S S Y
9 8 0 0 5 3 . R 0 0
1 L C 8 - M 9 0 1 C - 0 0 x L O W H E A D C A P S C R E W 4
2 L E 6 - M 5 1 2 1 - 0 1 x H O L D E R , B A C K U P P I N 1
3 L E 6 - M 5 1 2 2 - 0 1 x P L A T E 1 1
4 L E 6 - M 5 1 2 3 - 0 1 x B L O C K , H O L D E R 1
5 L E 6 - M 5 1 2 4 - 0 1 x P I N , H O L D E R 2
6 L E 6 - M 8 8 7 1 - 0 0 x P I N , C E N T E R A S S Y 1
7 L E 6 - M 8 8 7 3 - 0 0 x B L O C K , C E N T E R 1
8 L E 6 - M 9 9 0 1 - 1 1 x P I N , P U S H U P A S S Y .
9 9 1 3 1 7 - 0 3 0 1 2 B O L T H E X . S O C K E T H E A D 2
1 0 9 8 9 8 0 - 0 3 0 0 5 S C R E W , B I N D I N G H E A D 6
9
7
5
2
6
4
9
8 1 0
1
3

M 1 0 / M 2 0
9 7 0 2 1 8. R 0 0
9 8 0 3 1 7. R 0 0
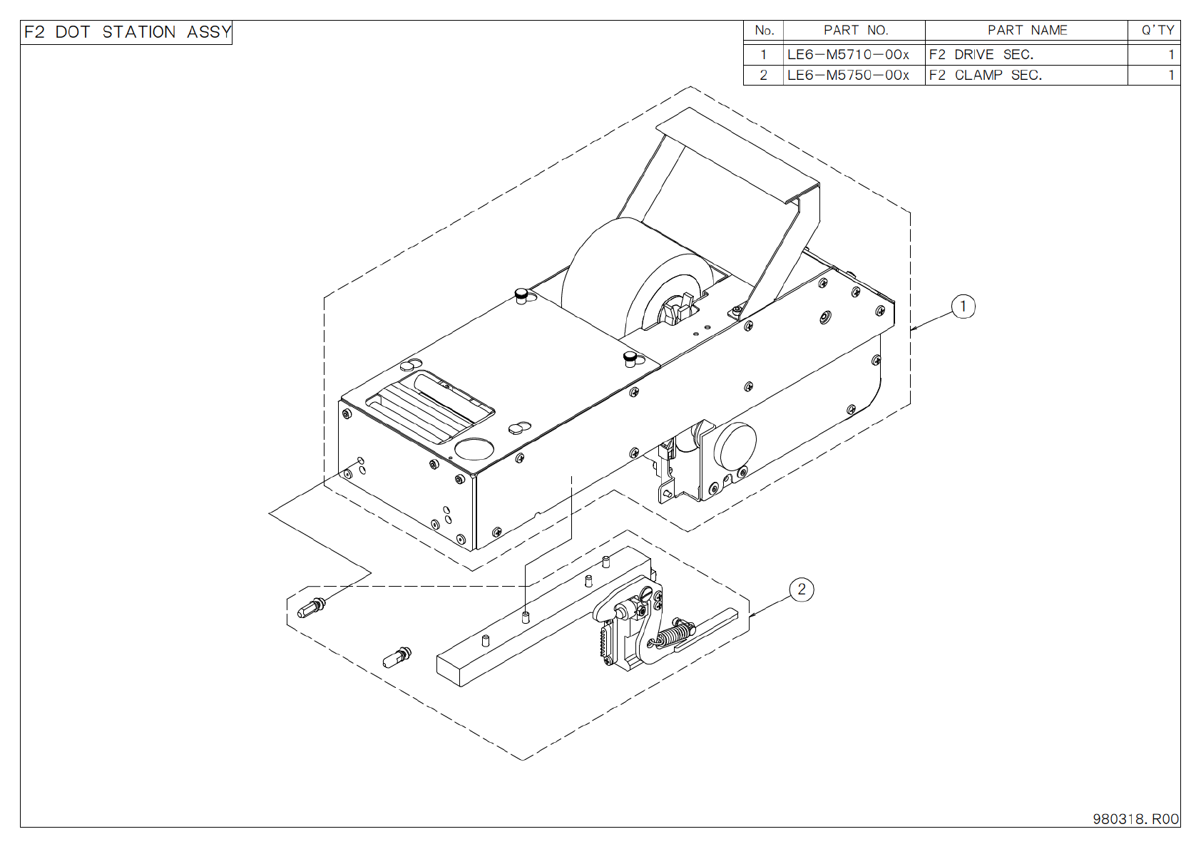
F 2 D O T S T A T I O N
R D S - 1
P A R T S L I S T

P A R T N O . P A R T N A M E Q ’ T YN o .
F 2 D O T S T A T I O N A S S Y
9 8 0 3 1 8 . R 0 0
1 L E 6 - M 5 7 1 0 - 0 0 x F 2 D R I V E S E C . 1
2 L E 6 - M 5 7 5 0 - 0 0 x F 2 C L A M P S E C . 1
2
1