M10_PartsList PDFA.pdf - 第295页
P A R T N O . P A R T N A M E Q ’ T Y N o . 1 L E 3 - M 9 7 A 4 - 0 0 x R I N G , S H I M 1 2 L E 6 - M 5 B 7 C - 0 0 x C O L L A R 1 1 3 L E 6 - M 5 B 7 D - 0 0 x S H A F T 5 1 4 L E 6 - M 5 B 8 4 - 0 0 x F R A N G E , …

S H T . 2 / 2
P A R T N O . P A R T N A M E Q ’ T YN o .
1 L E 4 - M 5 B B R - 0 0 x S P R I N G 2
2 L E 4 - M 5 B B W - 0 0 x B U S H , F L A N G E 2
3 L E 4 - M 5 B B X - 0 0 x W A S H E R 2
4 L E 6 - M 5 B 7 R - 0 0 x B R K T , F S T 2
5 L E 6 - M 5 B 7 V - 0 0 x A N G L E 1
6 L E 6 - M 5 B 7 X - 0 0 x S H A F T 6 2
7 L E 6 - M 5 B D 4 - 0 0 x S H E E T 2
8 L E 6 - M 5 B D 6 - 0 0 x C O L L A R 3 2
9 9 1 3 1 4 - 0 5 0 1 6 B O L T H E X . S O C K E T H E A D 4
1 0 9 1 3 1 7 - 0 3 0 0 8 B O L T H E X . S O C K E T H E A D 4
1 1 9 1 3 1 7 - 0 4 0 1 0 B O L T H E X . S O C K E T H E A D 4
1 2 9 2 9 0 7 - 0 8 2 0 0 W A S H E R , P L A I N 2
9 8 0 3 1 0 . R 0 0
P A L L E T S T O P P E R A S S Y

P A R T N O . P A R T N A M E Q ’ T YN o .
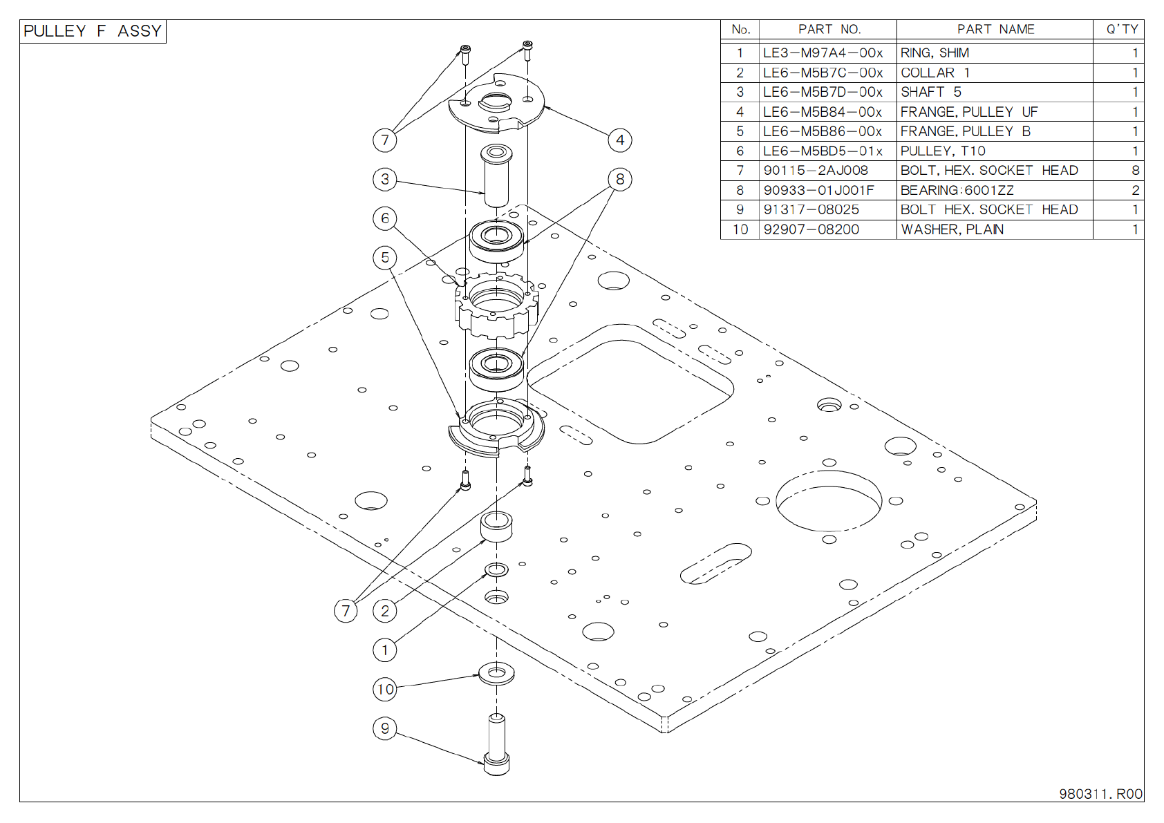
1 L E 3 - M 9 7 A 4 - 0 0 x R I N G , S H I M 1
2 L E 6 - M 5 B 7 C - 0 0 x C O L L A R 1 1
3 L E 6 - M 5 B 7 D - 0 0 x S H A F T 5 1
4 L E 6 - M 5 B 8 4 - 0 0 x F R A N G E , P U L L E Y U F 1
5 L E 6 - M 5 B 8 6 - 0 0 x F R A N G E , P U L L E Y B 1
6 L E 6 - M 5 B D 5 - 0 1 x P U L L E Y , T 1 0 1
7 9 0 1 1 5 - 2 A J 0 0 8 B O L T , H E X . S O C K E T H E A D 8
8 9 0 9 3 3 - 0 1 J 0 0 1 F B E A R I N G : 6 0 0 1 Z Z 2
9 9 1 3 1 7 - 0 8 0 2 5 B O L T H E X . S O C K E T H E A D 1
1 0 9 2 9 0 7 - 0 8 2 0 0 W A S H E R , P L A I N 1
P U L L E Y F A S S Y
9 8 0 3 1 1 . R 0 0
4
9
1 0
1
27
6
3
7
8
5

P A R T N O . P A R T N A M E Q ’ T YN o .
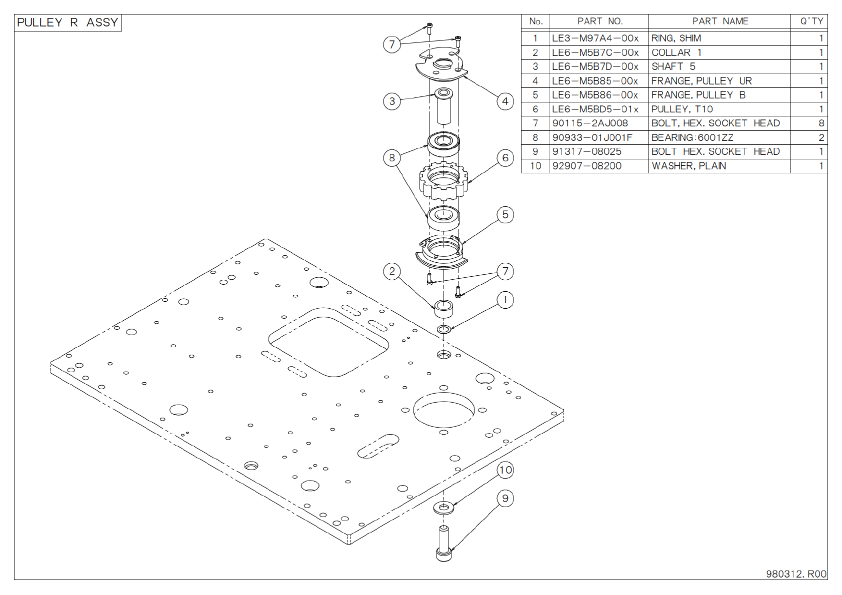
1 L E 3 - M 9 7 A 4 - 0 0 x R I N G , S H I M 1
2 L E 6 - M 5 B 7 C - 0 0 x C O L L A R 1 1
3 L E 6 - M 5 B 7 D - 0 0 x S H A F T 5 1
4 L E 6 - M 5 B 8 5 - 0 0 x F R A N G E , P U L L E Y U R 1
5 L E 6 - M 5 B 8 6 - 0 0 x F R A N G E , P U L L E Y B 1
6 L E 6 - M 5 B D 5 - 0 1 x P U L L E Y , T 1 0 1
7 9 0 1 1 5 - 2 A J 0 0 8 B O L T , H E X . S O C K E T H E A D 8
8 9 0 9 3 3 - 0 1 J 0 0 1 F B E A R I N G : 6 0 0 1 Z Z 2
9 9 1 3 1 7 - 0 8 0 2 5 B O L T H E X . S O C K E T H E A D 1
1 0 9 2 9 0 7 - 0 8 2 0 0 W A S H E R , P L A I N 1
P U L L E Y R A S S Y
9 8 0 3 1 2 . R 0 0
3
8
5
2
1
1 0
9
7
7
4
6