M10_PartsList PDFA.pdf - 第291页
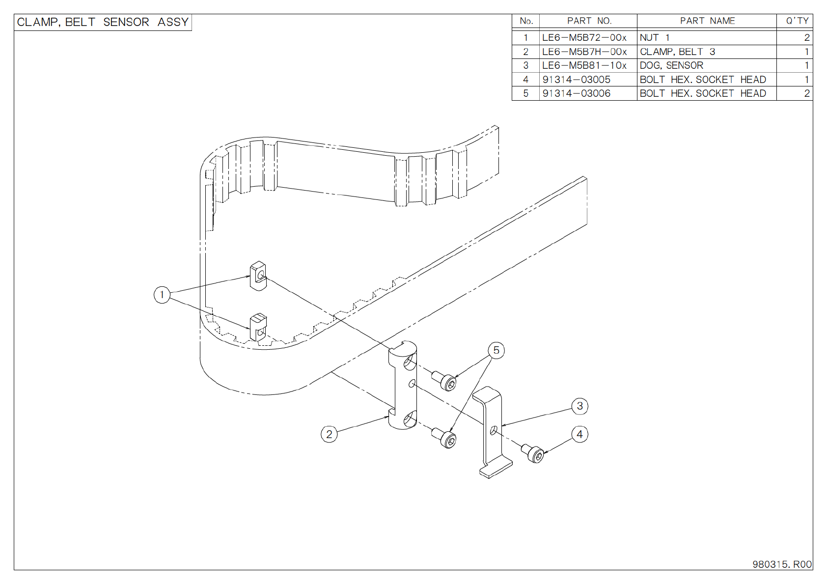
P A R T N O . P A R T N A M E Q ’ T Y N o . C L A M P , B E L T S E N S O R A S S Y 9 8 0 3 1 5 . R 0 0 1 L E 6 - M 5 B 7 2 - 0 0 x N U T 1 2 2 L E 6 - M 5 B 7 H - 0 0 x C L A M P , B E L T 3 1 3 L E 6 - M 5 B 8 1 - 1 0 …

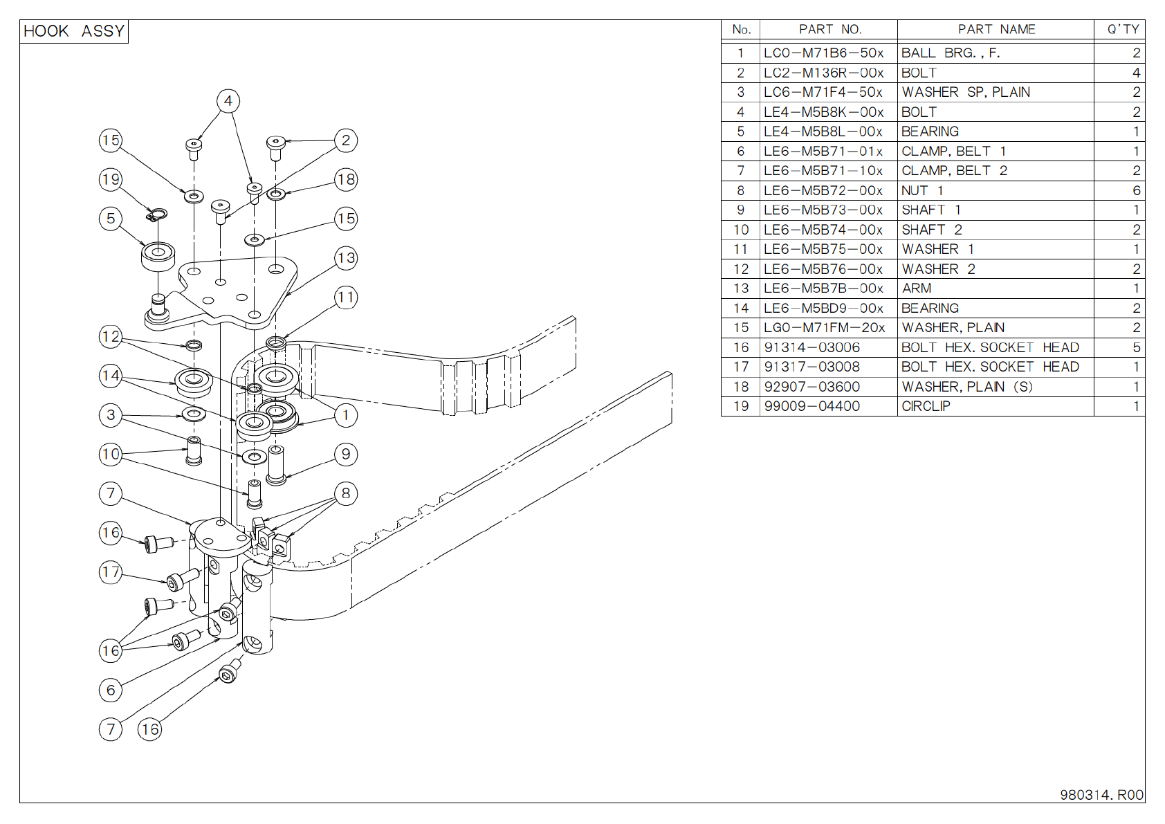
P A R T N O . P A R T N A M E Q ’ T YN o .
1 L C 0 - M 7 1 B 6 - 5 0 x B A L L B R G . , F . 2
2 L C 2 - M 1 3 6 R - 0 0 x B O L T 4
3 L C 6 - M 7 1 F 4 - 5 0 x W A S H E R S P , P L A I N 2
4 L E 4 - M 5 B 8 K - 0 0 x B O L T 2
5 L E 4 - M 5 B 8 L - 0 0 x B E A R I N G 1
6 L E 6 - M 5 B 7 1 - 0 1 x C L A M P , B E L T 1 1
7 L E 6 - M 5 B 7 1 - 1 0 x C L A M P , B E L T 2 2
8 L E 6 - M 5 B 7 2 - 0 0 x N U T 1 6
9 L E 6 - M 5 B 7 3 - 0 0 x S H A F T 1 1
1 0 L E 6 - M 5 B 7 4 - 0 0 x S H A F T 2 2
1 1 L E 6 - M 5 B 7 5 - 0 0 x W A S H E R 1 1
1 2 L E 6 - M 5 B 7 6 - 0 0 x W A S H E R 2 2
1 3 L E 6 - M 5 B 7 B - 0 0 x A R M 1
1 4 L E 6 - M 5 B D 9 - 0 0 x B E A R I N G 2
1 5 L G 0 - M 7 1 F M - 2 0 x W A S H E R , P L A I N 2
1 6 9 1 3 1 4 - 0 3 0 0 6 B O L T H E X . S O C K E T H E A D 5
1 7 9 1 3 1 7 - 0 3 0 0 8 B O L T H E X . S O C K E T H E A D 1
1 8 9 2 9 0 7 - 0 3 6 0 0 W A S H E R , P L A I N ( S ) 1
1 9 9 9 0 0 9 - 0 4 4 0 0 C I R C L I P 1
H O O K A S S Y
9 8 0 3 1 4 . R 0 0
4
2
1 8
1 5
1 9
5
1 3
9
1 1
1
1 0
1 2
1 6
8
3
1 4
1 5
1 7
7
6
1 67
1 6

P A R T N O . P A R T N A M E Q ’ T YN o .
C L A M P , B E L T S E N S O R A S S Y
9 8 0 3 1 5 . R 0 0
1 L E 6 - M 5 B 7 2 - 0 0 x N U T 1 2
2 L E 6 - M 5 B 7 H - 0 0 x C L A M P , B E L T 3 1
3 L E 6 - M 5 B 8 1 - 1 0 x D O G , S E N S O R 1
4 9 1 3 1 4 - 0 3 0 0 5 B O L T H E X . S O C K E T H E A D 1
5 9 1 3 1 4 - 0 3 0 0 6 B O L T H E X . S O C K E T H E A D 2
1
2 4
3
5

P A R T N O . P A R T N A M E Q ’ T YN o .
C L A M P A S S Y
9 8 0 3 1 6 . R 0 0
1 L E 4 - M 5 B M S - 0 0 x A R M , C L A M P 1 1
2 L E 4 - M 5 B M T - 0 0 x P I N , B R G . 1
3 L E 6 - M 5 B 7 Y - 0 0 x B R A C K E T 1 1
4 L G 8 - M 1 8 0 S - 0 0 x S P A C E R 2
5 L G 8 - M 1 8 0 U - 0 1 x S I M 1
6 L G 8 - M 1 8 A A - 0 0 x S P R I N G 1
7 L G 8 - M 1 8 A C - 0 0 x W A S H E R 4
8 L G 8 - M 1 8 A D - 0 0 x B E A R I N G 1
9 L G 8 - M 1 8 F 1 - 0 0 x S C R E W , T R U S S H E A D 2
1 0 9 1 3 1 4 - 0 4 0 1 0 B O L T H E X . S O C K E T H E A D 2
9
7
1
4
7
3
5
8
6
1 0
2