M10_PartsList PDFA.pdf - 第285页
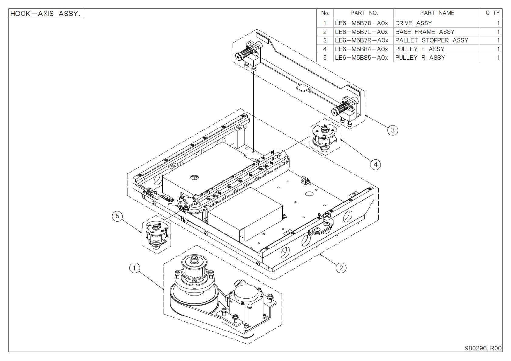
P A R T N O . P A R T N A M E Q ’ T Y N o . H O O K - A X I S A S S Y . 9 8 0 2 9 6 . R 0 0 1 L E 6 - M 5 B 7 8 - A 0 x D R I V E A S S Y 1 2 L E 6 - M 5 B 7 L - A 0 x B A S E F R A M E A S S Y 1 3 L E 6 - M 5 B 7 R - A …

P A R T N O . P A R T N A M E Q ’ T YN o .
1 L E 6 - M 6 5 N E - 0 0 x S O L E N O I D A S S Y . 1
2 L G 0 - M 7 8 A 7 - 0 0 x J O I N T 2
3 L G 9 - M 1 2 A 8 - 0 0 x J O I N T , E L B O W 1
V A L V E A S S Y
9 8 0 3 0 7 . R 0 0
1
3 2

P A R T N O . P A R T N A M E Q ’ T YN o .
H O O K - A X I S A S S Y .
9 8 0 2 9 6 . R 0 0
1 L E 6 - M 5 B 7 8 - A 0 x D R I V E A S S Y 1
2 L E 6 - M 5 B 7 L - A 0 x B A S E F R A M E A S S Y 1
3 L E 6 - M 5 B 7 R - A 0 x P A L L E T S T O P P E R A S S Y 1
4 L E 6 - M 5 B 8 4 - A 0 x P U L L E Y F A S S Y 1
5 L E 6 - M 5 B 8 5 - A 0 x P U L L E Y R A S S Y 1
1 2
3
4
5

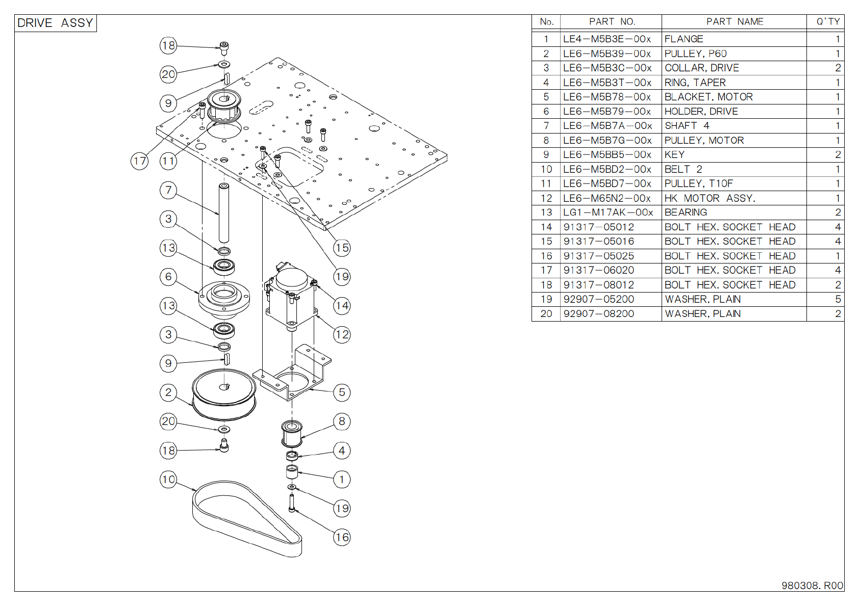
P A R T N O . P A R T N A M E Q ’ T YN o .
D R I V E A S S Y
9 8 0 3 0 8 . R 0 0
1 L E 4 - M 5 B 3 E - 0 0 x F L A N G E 1
2 L E 6 - M 5 B 3 9 - 0 0 x P U L L E Y , P 6 0 1
3 L E 6 - M 5 B 3 C - 0 0 x C O L L A R , D R I V E 2
4 L E 6 - M 5 B 3 T - 0 0 x R I N G , T A P E R 1
5 L E 6 - M 5 B 7 8 - 0 0 x B L A C K E T , M O T O R 1
6 L E 6 - M 5 B 7 9 - 0 0 x H O L D E R , D R I V E 1
7 L E 6 - M 5 B 7 A - 0 0 x S H A F T 4 1
8 L E 6 - M 5 B 7 G - 0 0 x P U L L E Y , M O T O R 1
9 L E 6 - M 5 B B 5 - 0 0 x K E Y 2
1 0 L E 6 - M 5 B D 2 - 0 0 x B E L T 2 1
1 1 L E 6 - M 5 B D 7 - 0 0 x P U L L E Y , T 1 0 F 1
1 2 L E 6 - M 6 5 N 2 - 0 0 x H K M O T O R A S S Y . 1
1 3 L G 1 - M 1 7 A K - 0 0 x B E A R I N G 2
1 4 9 1 3 1 7 - 0 5 0 1 2 B O L T H E X . S O C K E T H E A D 4
1 5 9 1 3 1 7 - 0 5 0 1 6 B O L T H E X . S O C K E T H E A D 4
1 6 9 1 3 1 7 - 0 5 0 2 5 B O L T H E X . S O C K E T H E A D 1
1 7 9 1 3 1 7 - 0 6 0 2 0 B O L T H E X . S O C K E T H E A D 4
1 8 9 1 3 1 7 - 0 8 0 1 2 B O L T H E X . S O C K E T H E A D 2
1 9 9 2 9 0 7 - 0 5 2 0 0 W A S H E R , P L A I N 5
2 0 9 2 9 0 7 - 0 8 2 0 0 W A S H E R , P L A I N 2
1 8
2 0
9
1 11 7
7
3
1 3
1 3
3
9
2
2 0
1 8
1 5
1 9
1 4
1 2
5
8
4
1
1 9
1 6
1 0
6