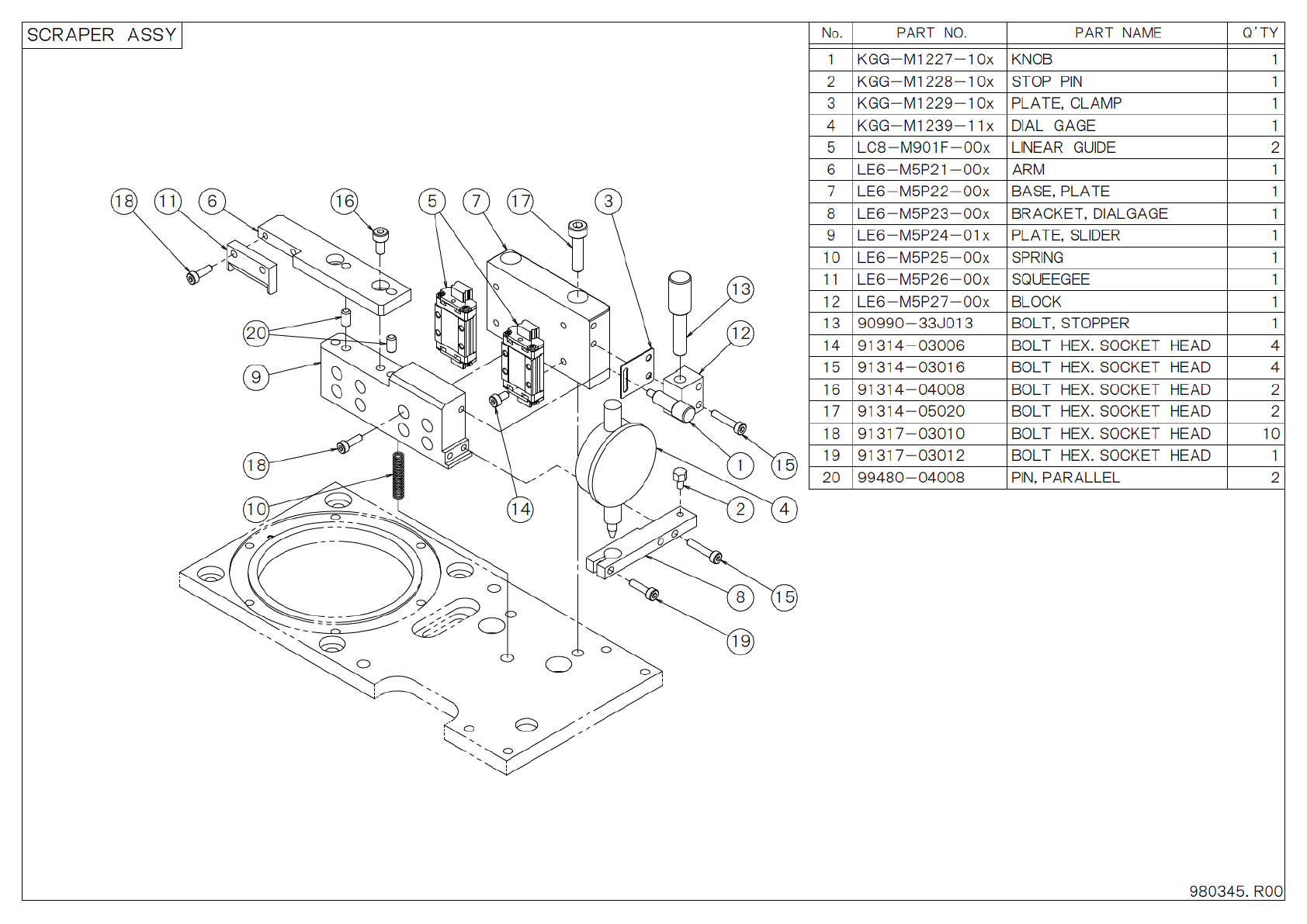
M10_PartsList PDFA.pdf - 第355页
C O V E R A S S Y S H T . 1 / 2 9 8 0 3 4 9 . R 0 0 1 1 1 5 6 3 7 2 4 1 9 1 0 1 8 1 1 1 2 1 1 7 2 1 2 1 2 0 1 6 1 9 1 8 1 3 1 5 1 4

P A R T N O . P A R T N A M E Q ’ T YN o .
1 K G G - M 1 2 2 7 - 1 0 x K N O B 1
2 K G G - M 1 2 2 8 - 1 0 x S T O P P I N 1
3 K G G - M 1 2 2 9 - 1 0 x P L A T E , C L A M P 1
4 K G G - M 1 2 3 9 - 1 1 x D I A L G A G E 1
5 L C 8 - M 9 0 1 F - 0 0 x L I N E A R G U I D E 2
6 L E 6 - M 5 P 2 1 - 0 0 x A R M 1
7 L E 6 - M 5 P 2 2 - 0 0 x B A S E , P L A T E 1
8 L E 6 - M 5 P 2 3 - 0 0 x B R A C K E T , D I A L G A G E 1
9 L E 6 - M 5 P 2 4 - 0 1 x P L A T E , S L I D E R 1
1 0 L E 6 - M 5 P 2 5 - 0 0 x S P R I N G 1
1 1 L E 6 - M 5 P 2 6 - 0 0 x S Q U E E G E E 1
1 2 L E 6 - M 5 P 2 7 - 0 0 x B L O C K 1
1 3 9 0 9 9 0 - 3 3 J 0 1 3 B O L T , S T O P P E R 1
1 4 9 1 3 1 4 - 0 3 0 0 6 B O L T H E X . S O C K E T H E A D 4
1 5 9 1 3 1 4 - 0 3 0 1 6 B O L T H E X . S O C K E T H E A D 4
1 6 9 1 3 1 4 - 0 4 0 0 8 B O L T H E X . S O C K E T H E A D 2
1 7 9 1 3 1 4 - 0 5 0 2 0 B O L T H E X . S O C K E T H E A D 2
1 8 9 1 3 1 7 - 0 3 0 1 0 B O L T H E X . S O C K E T H E A D 1 0
1 9 9 1 3 1 7 - 0 3 0 1 2 B O L T H E X . S O C K E T H E A D 1
2 0 9 9 4 8 0 - 0 4 0 0 8 P I N , P A R A L L E L 2
S C R A P E R A S S Y
9 8 0 3 4 5 . R 0 0
1 2
5 1 71 61 1
9
2 0
1 8
1 0
3
1 4
1 5
1 51
2 4
1 9
8
1 3
61 8 7

C O V E R A S S Y
S H T . 1 / 2
9 8 0 3 4 9 . R 0 0
1 1
1
5
6
3
7
2
4
1
9
1 0
1
8
1
1
1 2
1
1 7
2 1
2 1
2 0
1 61 9
1 8
1 3
1 5
1 4

S H T . 2 / 2
P A R T N O . P A R T N A M E Q ’ T YN o .
C O V E R A S S Y
9 8 0 3 4 9 . R 0 0
1 L E 5 - M 7 1 G U - 0 0 x T H I N H E A D B O L T 2 5
2 L E 6 - M 5 P 3 1 - 0 1 x C O V E R , E N D 1
3 L E 6 - M 5 P 3 2 - 0 0 x B O X , M O T O R 1
4 L E 6 - M 5 P 3 3 - 0 1 x C O V E R , L 1
5 L E 6 - M 5 P 3 4 - 0 1 x C O V E R , M O T O R 1
6 L E 6 - M 5 P 3 5 - 0 0 x C O V E R , P U L L E Y 1
7 L E 6 - M 5 P 3 6 - 0 1 x C O V E R , R 1
8 L E 6 - M 5 P 3 7 - 0 0 x A C R Y L 1
9 L E 6 - M 5 P 3 8 - 0 0 x B U T T O N . S W I T C H 1
1 0 L E 6 - M 5 P 3 9 - 0 0 x S P A C E R , A S F - 3 1 5 E 4
1 1 L E 6 - M 5 P 3 A - 1 0 x S E R I A L N O . S T I C K E R 1
1 2 L E 6 - M 5 P H 1 - 0 0 x H N S , I T K - D R I V E R 1
1 3 L E 6 - M 5 P H 2 - 0 0 x K E Y T O P 1
1 4 L E 6 - M 6 6 V 2 - 0 0 x H N S , S 2 I - I T H 1
1 5 L E 6 - M 6 6 V 3 - 2 0 x H N S , P W S H O R T 1
1 6 L G 1 - M 1 7 A L - 0 0 x T H I N H E A D B O L T 4
1 7 L G 4 - M E A H 1 - 1 1 x I T K - 1 B O A R D A S S Y 1
1 8 9 2 9 0 3 - 0 3 2 0 0 W A S H E R , P L A I N 4
1 9 9 5 3 0 4 - 0 3 6 0 0 N U T , H E X A G O N 4
2 0 9 7 6 0 4 - 0 3 0 0 6 S C R E W , P A N H E A D W / W . 4
2 1 9 8 9 0 4 - 0 3 0 0 6 S C R E W . B I N D I N G H E A D 1 0