M10_PartsList PDFA.pdf - 第199页
P A R T N O . P A R T N A M E Q ’ T Y N o . P U S H U P S E C 9 8 0 2 4 1 . R 0 0 1 L E 4 - M 3 2 A V - 0 0 x J O I N T 6 2 2 L E 6 - M 6 5 E 3 - 2 0 x P U S H U P S E N S . A S S Y 1 3 L E 6 - M 9 8 0 K - 1 0 x C O L L …

P A R T N O . P A R T N A M E Q ’ T YN o .
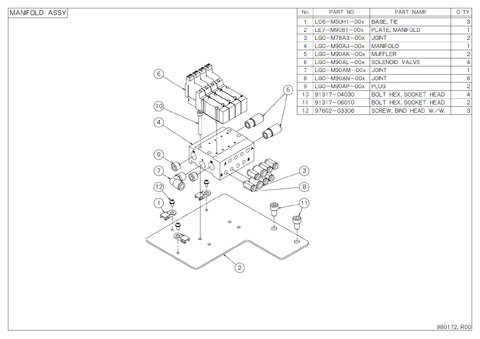
M A N I F O L D A S S Y
9 8 0 1 7 2 . R 0 0
1 L C 6 - M 5 U H 1 - 0 0 x B A S E , T I E 3
2 L E 7 - M 9 0 8 1 - 0 0 x P L A T E , M A N I F O L D 1
3 L G 0 - M 7 8 A 3 - 0 0 x J O I N T 2
4 L G 0 - M 9 0 A J - 0 0 x M A N I F O L D 1
5 L G 0 - M 9 0 A K - 0 0 x M U F F L E R 2
6 L G 0 - M 9 0 A L - 0 0 x S O L E N O I D V A L V E 4
7 L G 0 - M 9 0 A M - 0 0 x J O I N T 1
8 L G 0 - M 9 0 A N - 0 0 x J O I N T 6
9 L G 0 - M 9 0 A P - 0 0 x P L U G 2
1 0 9 1 3 1 7 - 0 4 0 3 0 B O L T H E X . S O C K E T H E A D 4
1 1 9 1 3 1 7 - 0 6 0 1 0 B O L T H E X . S O C K E T H E A D 2
1 2 9 7 6 0 2 - 0 3 3 0 6 S C R E W , B I N D H E A D W / W . 3
6
1 0
9
7
5
4
3
81 2
1 1 1
2

P A R T N O . P A R T N A M E Q ’ T YN o .
P U S H U P S E C
9 8 0 2 4 1 . R 0 0
1 L E 4 - M 3 2 A V - 0 0 x J O I N T 6 2
2 L E 6 - M 6 5 E 3 - 2 0 x P U S H U P S E N S . A S S Y 1
3 L E 6 - M 9 8 0 K - 1 0 x C O L L A R 1
4 L E 6 - M 9 8 0 M - 0 0 x L I N E A R S H A F T 4
5 L E 6 - M 9 8 0 N - 0 0 x W A S H E R 4
6 L E 6 - M 9 8 0 R - 0 0 x C O L L A R , P U S H U P 4
7 L E 6 - M 9 8 A 5 - 1 0 x S P R I N G 4
8 L E 7 - M 9 8 0 L - 3 0 x B R K T . C Y L 1
9 L E 7 - M 9 8 9 0 - 1 0 x P L A T E , P U S H U P A S S Y 1
1 0 L G 8 - M 1 8 A 2 - 0 0 x L I N E R , B U S H 4
1 1 9 1 3 1 7 - 0 4 0 1 2 B O L T H E X . S O C K E T H E A D 1 6
1 2 9 1 3 1 7 - 0 8 0 1 2 B O L T H E X . S O C K E T H E A D 4
1 3 9 1 3 1 7 - 0 8 0 1 6 B O L T H E X . S O C K E T H E A D 4
1 4 9 1 3 1 7 - 0 8 0 2 0 B O L T H E X . S O C K E T H E A D 4
1 5 9 2 9 0 7 - 1 6 6 0 0 W A S H E R , P L A I N 4
1 6 9 5 3 1 7 - 1 8 7 0 0 N U T , H E X A G O N 1
1
9
1 3
1 5
1 1
1 0
1 31 3
1 0
1 1
1 5
1 3
1 4
1 6
1 2
8
7
6
4
55
4
6
7
3
2

M 1 0
9 7 0 2 1 8. R 0 0
9 8 0 2 3 5. R 0 0
2 D R I V E C O N V S E C
E xit b uff e r - Fl o w R t o L
P A R T S L I S T