M10_PartsList PDFA.pdf - 第106页
P A R T N O . P A R T N A M E . Q ’ T Y O N H O L D E R , N O Z Z L E A S S Y 1 L C 1 - M 7 1 G N - 3 0 x S C R E W , P A N H E A D 2 2 L C 6 - M 7 1 4 R - 0 0 x L E A F S P R I N G 1 1 3 L C 6 - M 7 1 4 S - 0 0 x L E A …

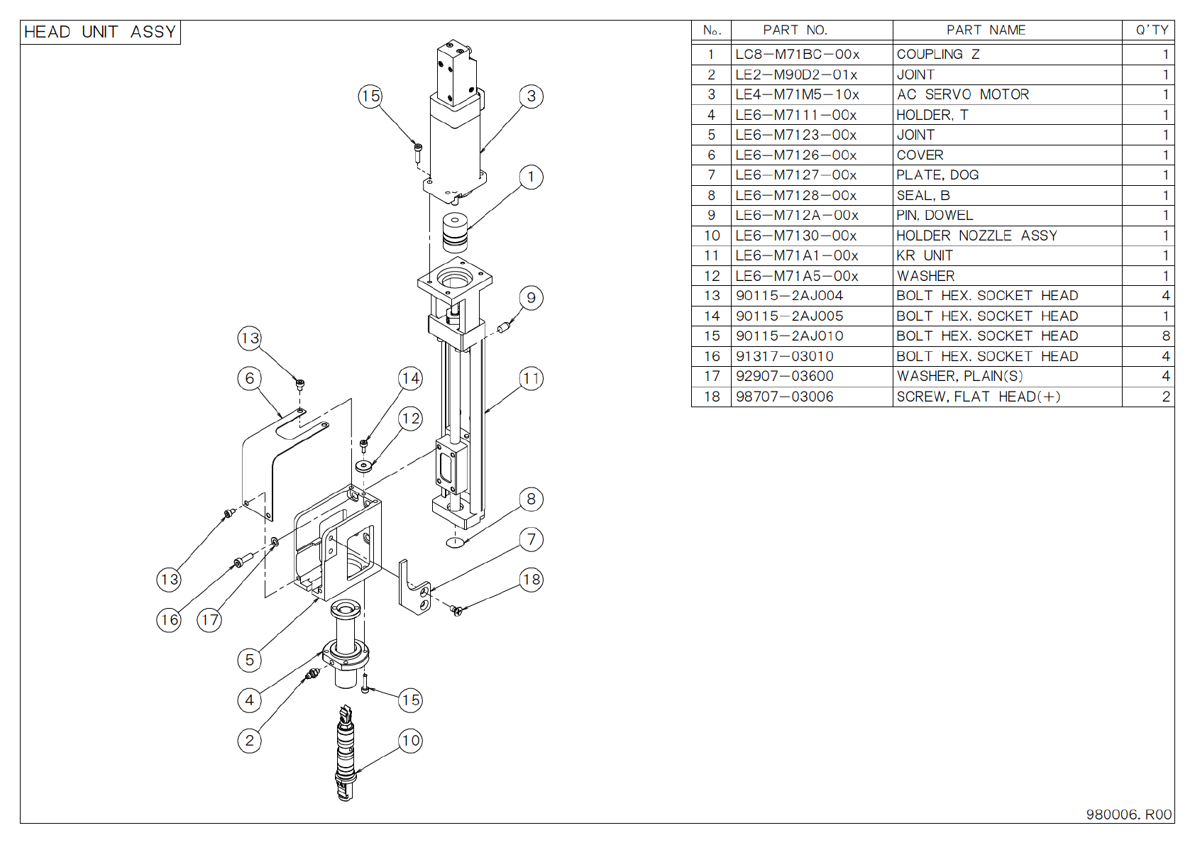
H E A D U N I T A S S Y
P A R T N O . P A R T N A M E. Q ’ T Y
O
N
1 L C 8 - M 7 1 B C - 0 0 x C O U P L I N G Z 1
2 L E 2 - M 9 0 D 2 - 0 1 x J O I N T 1
3 L E 4 - M 7 1 M 5 - 1 0 x A C S E R V O M O T O R 1
4 L E 6 - M 7 1 1 1 - 0 0 x H O L D E R , T 1
5 L E 6 - M 7 1 2 3 - 0 0 x J O I N T 1
6 L E 6 - M 7 1 2 6 - 0 0 x C O V E R 1
7 L E 6 - M 7 1 2 7 - 0 0 x P L A T E , D O G 1
8 L E 6 - M 7 1 2 8 - 0 0 x S E A L , B 1
9 L E 6 - M 7 1 2 A - 0 0 x P I N , D O W E L 1
1 0 L E 6 - M 7 1 3 0 - 0 0 x H O L D E R N O Z Z L E A S S Y 1
1 1 L E 6 - M 7 1 A 1 - 0 0 x K R U N I T 1
1 2 L E 6 - M 7 1 A 5 - 0 0 x W A S H E R 1
1 3 9 0 1 1 5 - 2 A J 0 0 4 B O L T H E X . S O C K E T H E A D 4
1 4 9 0 1 1 5 - 2 A J 0 0 5 B O L T H E X . S O C K E T H E A D 1
1 5 9 0 1 1 5 - 2 A J 0 1 0 B O L T H E X . S O C K E T H E A D 8
1 6 9 1 3 1 7 - 0 3 0 1 0 B O L T H E X . S O C K E T H E A D 4
1 7 9 2 9 0 7 - 0 3 6 0 0 W A S H E R , P L A I N ( S )
1 8 S C R E W , F L A T H E A D ( + ) 29 8 7 0 7 - 0 3 0 0 6
4
9 8 0 0 0 6 . R 0 0
1 0
1 5
1 4
1 2
2
4
5
1 5
1 3
1 6 1 7
1 8
8
7
1 1
9
1
3
1 3
6

P A R T N O . P A R T N A M E. Q ’ T Y
O
N
H O L D E R , N O Z Z L E A S S Y
1 L C 1 - M 7 1 G N - 3 0 x S C R E W , P A N H E A D 2
2 L C 6 - M 7 1 4 R - 0 0 x L E A F S P R I N G 1 1
3 L C 6 - M 7 1 4 S - 0 0 x L E A F S P R I N G 2 1
4 L C 6 - M 7 1 4 T - 0 0 x L E A F S P R I N G 3 1
5 L C 6 - M 7 1 4 U - 0 0 x L E A F S P R I N G 4 1
6 L C 6 - M 7 1 A Y - 0 0 x P I N , P A R A L L E L 1
7 L E 6 - M 7 1 4 M - 0 0 x H O L D E R , N O Z Z L E I 1
8 L E 6 - M 7 1 4 N - 0 1 x C O L L A R 1
9 L E 6 - M 7 1 6 E - 0 1 x F L A N G E 1
1 0 L E 6 - M 7 1 6 J - 0 0 x P L A T E , J O I N T 2 2
1 1 L E 6 - M 7 1 6 K - 0 0 x P L A T E , J O I N T 1 2
1 2 L E 6 - M 7 1 A 4 - 0 0 x B R G . 3
1 3 L E 6 - M 7 1 F 2 - 0 0 x N U T , H E X A G O N ( M 1 . 6 ) 1
1 4 9 0 9 9 0 - 2 2 J 0 1 0 P A C K I N G 2
1 5 9 2 D 1 8 - 1 G 0 0 6 B O L T H E X . S O C K E T H E A D 1
1 6 9 5 6 0 4 - 0 4 1 0 0 N U T , U 1
9 8 0 0 0 7 . R 0 0
1 2
1 4
1 0
1 2
1 1
1 0
1 4 2 6
5
3
7
1 5 1 1 1 3
9
8
1 6

T - A X I S D R I V E A S S Y 6 - 2
P A R T N O . P A R T N A M E. Q ’ T Y
O
N
A C S E R V O M O T O R1 L E 4 - M 7 1 M 5 - 1 0 x 2
H O L D E R , S P L I N E2 1L E 6 - M 7 1 1 A - 3 1 x
S T A Y , M O T O R R3 1L E 6 - M 7 1 1 B - 3 1 x
4 1L E 6 - M 7 1 1 B - 4 0 x
5 2L E 6 - M 7 1 1 C - 1 0 x
B R A C K E T6 2L E 6 - M 7 1 1 D - 0 0 x
P U L L E Y M O T O R7 L E 6 - M 7 1 1 E - 0 0 x 2
S H A F T8 L E 6 - M 7 1 1 F - 0 0 x 4
S E A L , C9 L E 6 - M 7 1 2 9 - 0 0 x 2
S P L I N E S H A F T A S S Y1 0 L E 6 - M 7 1 5 0 - 0 0 x 6
B E L T , R1 1 L E 6 - M 7 1 A 6 - 3 1 x 2
B E A R I N G1 2 L G 0 - M 9 0 B G - 0 0 x 8
B O L T H E X . S O C K E T H E A D1 3 9 0 1 1 5 - 2 A J 0 0 6 1 2
B O L T H E X . S O C K E T H E A D1 4 9 0 1 1 5 - 2 A J 0 1 0 8
B O L T H E X . S O C K E T H E A D1 5 9 1 3 1 7 - 0 3 0 1 6 4
B O L T H E X . S O C K E T H E A D1 6 9 1 3 1 7 - 0 4 0 1 2 4
B O L T H E X . S O C K E T H E A D1 7 9 1 3 1 7 - 0 4 0 1 6 8
1 8 9 2 9 0 7 - 0 4 6 0 0 4
S E T S C R E W1 9 9 2 A 0 8 - 0 3 3 0 4 4
P I N P A R A L L E L2 0 9 9 4 8 0 - 0 5 0 1 6 2
W A S H E R , P L A I N ( S )
P L A T E , M O T O R
S T A Y , M O T O R L
9 8 0 0 0 8 . R 0 0
1 4
1
1 6
1 8
5
1 7
1 3
62 0
1 0
1 9
4
1 7
9
2
3
8
1 2
1 5 1 1 7 1 9
6