M10_PartsList PDFA.pdf - 第95页
P A R T N O . P A R T N A M E . Q ’ T Y O N C O M M O N 4 H E A D S E C 1 L E 6 - M 7 1 4 0 - 0 0 x H E A D U N I T A S S Y 4 9 8 0 0 1 6 . R 0 0 1

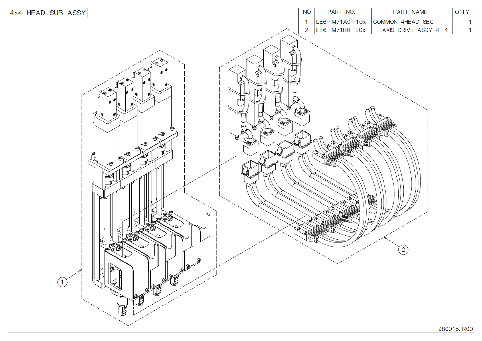
4 x 4 H E A D S U B A S S Y
P A R T N O . P A R T N A M E. Q ’ T Y
O
N
1 L E 6 - M 7 1 A 0 - 1 0 x C O M M O N 4 H E A D S E C 1
2 L E 6 - M 7 1 B 0 - 2 0 x T - A X I S D R I V E A S S Y 4 - 4 1
9 8 0 0 1 5 . R 0 0
1
2

P A R T N O . P A R T N A M E. Q ’ T Y
O
N
C O M M O N 4 H E A D S E C
1 L E 6 - M 7 1 4 0 - 0 0 x H E A D U N I T A S S Y 4
9 8 0 0 1 6 . R 0 0
1

H E A D U N I T A S S Y
P A R T N O . P A R T N A M E. Q ’ T Y
O
N
1 L C 8 - M 7 1 B C - 0 0 x C O U P L I N G Z 1
2 L E 2 - M 9 0 D 2 - 0 1 x J O I N T 1
3 L E 4 - M 7 1 M 5 - 1 0 x A C S E R V O M O T O R 1
4 L E 6 - M 7 1 1 1 - 0 0 x H O L D E R , T 1
5 L E 6 - M 7 1 2 3 - 0 0 x J O I N T 1
6 L E 6 - M 7 1 2 6 - 0 0 x C O V E R 1
7 L E 6 - M 7 1 2 7 - 0 0 x P L A T E , D O G 1
8 L E 6 - M 7 1 2 8 - 0 0 x S E A L , B 1
9 L E 6 - M 7 1 2 A - 0 0 x P I N , D O W E L 1
1 0 L E 6 - M 7 1 3 0 - 0 0 x H O L D E R N O Z Z L E A S S Y 1
1 1 L E 6 - M 7 1 A 1 - 0 0 x K R U N I T 1
1 2 L E 6 - M 7 1 A 5 - 0 0 x W A S H E R 1
1 3 9 0 1 1 5 - 2 A J 0 0 4 B O L T H E X . S O C K E T H E A D 4
1 4 9 0 1 1 5 - 2 A J 0 0 5 B O L T H E X . S O C K E T H E A D 1
1 5 9 0 1 1 5 - 2 A J 0 1 0 B O L T H E X . S O C K E T H E A D 8
1 6 9 1 3 1 7 - 0 3 0 1 0 B O L T H E X . S O C K E T H E A D 4
1 7 9 2 9 0 7 - 0 3 6 0 0 W A S H E R , P L A I N ( S )
1 8 S C R E W , F L A T H E A D ( + ) 29 8 7 0 7 - 0 3 0 0 6
4
9 8 0 0 0 6 . R 0 0
1 0
1 5
1 4
1 2
2
4
5
1 5
1 3
1 6 1 7
1 8
8
7
1 1
9
1
3
1 3
6