M10_PartsList PDFA.pdf - 第361页
S H T . 2 / 2 P A R T N O . P A R T N A M E Q ’ T Y N o . 1 L E 6 - M 4 0 D 1 - 0 0 x S E A L , W A R N I N G ( H O T ) 1 2 L E 6 - M 5 F 2 4 - 0 0 x S O C K E T 1 3 L E 6 - M 5 J 1 1 - A 0 x M O T O R A S S Y 1 4 L E 6 …

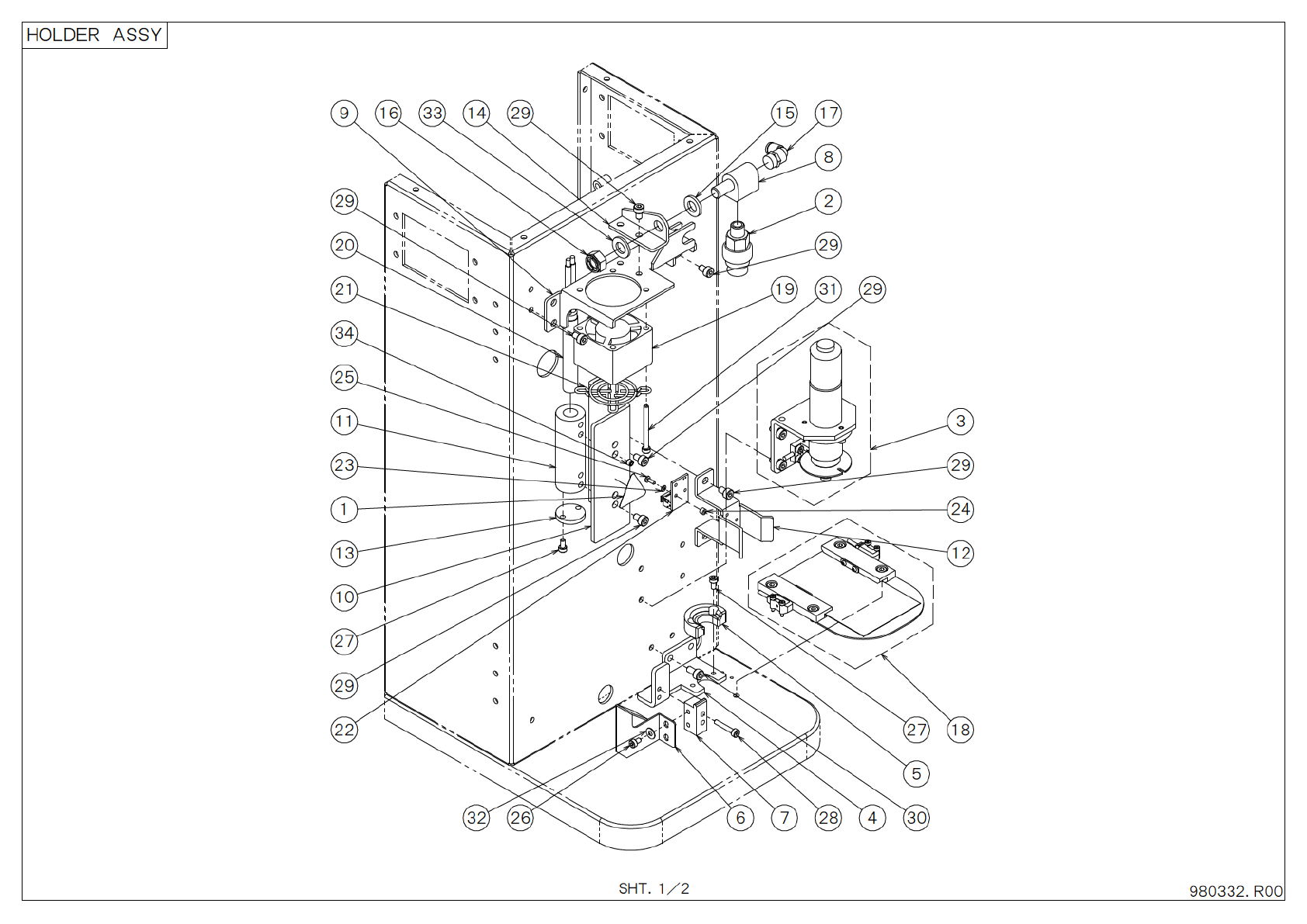
H O L D E R A S S Y
9 8 0 3 3 2 . R 0 0
S H T . 1 / 2
2 8762 63 2 4
1 71 5
1 2
2 91 43 31 6
8
2 4
2 9
9
2 9
2 0
2 1
2 7 1 8
2
3 0
5
1 9
2 9
2 7
1 3
3 4
2 5
1
2 3
1 1
2 93 1
1 0
2 2
3
2 9

S H T . 2 / 2
P A R T N O . P A R T N A M E Q ’ T YN o .
1 L E 6 - M 4 0 D 1 - 0 0 x S E A L , W A R N I N G ( H O T ) 1
2 L E 6 - M 5 F 2 4 - 0 0 x S O C K E T 1
3 L E 6 - M 5 J 1 1 - A 0 x M O T O R A S S Y 1
4 L E 6 - M 5 J 1 9 - 0 0 x B R A C K E T , N O Z Z L E 1
5 L E 6 - M 5 J 1 A - 0 0 x H O L D E R , N O Z Z L E 1
6 L E 6 - M 5 J 1 E - 0 1 x S T A Y , G U I D E 1
7 L E 6 - M 5 J 1 F - 0 0 x B L O C K , G U I D E 1
8 L E 6 - M 5 J 3 1 - 0 0 x M A N I F O L D 1
9 L E 6 - M 5 J 3 2 - 0 0 x A N G L E 1
1 0 L E 6 - M 5 J 3 3 - 0 0 x B R A C K E T , H E A T E R 1
1 1 L E 6 - M 5 J 3 4 - 0 0 x H O L D E R , H E A T E R 1
1 2 L E 6 - M 5 J 3 5 - 0 0 x A N G L E , G U I D E 1
1 3 L E 6 - M 5 J 3 9 - 0 0 x P L A T E , C A P 1
1 4 L E 6 - M 5 J 3 C - 0 0 x B R A C K E T , S Y R I N G E 1
1 5 L E 6 - M 5 J 3 E - 0 0 x W A S H E R 1
1 6 L E 6 - M 5 J 3 F - 0 0 x U - N U T 1
1 7 L E 6 - M 5 J 3 H - 0 0 x J O I N T 1
1 8 L E 6 - M 5 J H 5 - A 0 x A R E A S E N S O R A S S Y 1
1 9 L E 6 - M 5 J H A - 0 0 x F A N A S S Y 1
2 0 L E 6 - M 5 J J 2 - 0 0 x H N S . H E A T E R 4 0 W 1
2 1 L E 6 - M 5 J J 4 - 0 0 x G U A R D , F I N G E R 1
2 2 L E 6 - M 7 1 H Y - 0 0 x X I O . D P H B O A R D A S S Y 1
2 3 L G 0 - M 7 1 F P - 4 0 x W A S H E R , P L A I N 3
2 4 L G 0 - M 7 3 C 9 - 4 0 x S P A C E R ( 0 4 ) 3
2 5 9 0 1 6 9 - 0 7 J 2 0 6 S C R E W , B I N D H E A D 3
2 6 9 1 3 1 4 - 0 3 0 0 5 B O L T H E X . S O C K E T H E A D 2
2 7 9 1 3 1 4 - 0 3 0 0 6 B O L T H E X . S O C K E T H E A D 4
2 8 9 1 3 1 4 - 0 3 0 1 8 B O L T H E X . S O C K E T H E A D 2
2 9 9 1 3 1 4 - 0 4 0 0 6 B O L T H E X . S O C K E T H E A D 1 2
3 0 9 1 3 1 4 - 0 4 0 0 8 B O L T H E X . S O C K E T H E A D 2
3 1 9 1 3 1 7 - 0 3 0 3 5 B O L T H E X . S O C K E T H E A D 4
3 2 9 2 9 0 3 - 0 3 2 0 0 W A S H E R , P L A I N 2
3 3 9 2 9 0 7 - 0 8 6 0 0 W A S H E R , P L A I N 1
3 4 9 2 A 0 8 - 0 4 3 0 4 S E T S C R E W M 4 X 4 2
H O L D E R A S S Y
9 8 0 3 3 2 . R 0 0

P A R T N O . P A R T N A M E Q ’ T YN o .
M O T O R A S S Y
9 8 0 3 3 4 . R 0 0
1 L C 2 - M 8 8 0 6 - 0 0 x N E E D L E P I N 1
2 L E 6 - M 5 J 1 1 - 0 0 x B R C K E T , M O T O R 1
3 L E 6 - M 5 J 1 2 - 0 0 x B O L C K , J O I N T 1
4 L E 6 - M 5 J 1 3 - 0 0 x C O U P U L I N G 1
5 L E 6 - M 5 J 1 6 - 0 0 x B E A R I N G 1
6 L E 6 - M 5 J 1 7 - 0 0 x P L A T E , D O G 1
7 L E 6 - M 5 J 1 8 - 0 0 x H O L D E R , C O U P U L I N G 1
8 L E 6 - M 5 J 1 C - 0 0 x S P R I N G , W I R E 1
9 L E 6 - M 5 J H 6 - 0 0 x P O S I T I O N S E N S . A S S Y 1
1 0 L E 6 - M 5 J H 7 - 0 0 x D C M O T O R A S S Y 1
1 1 9 1 3 1 4 - 0 3 0 0 6 B O L T H E X . S O C K E T H E A D 2
1 2 9 1 3 1 4 - 0 4 0 0 8 B O L T H E X . S O C K E T H E A D 4
1 3 9 1 3 1 7 - 0 3 0 0 8 B O L T H E X . S O C K E T H E A D 3
1 4 9 2 A 0 8 - 0 3 3 0 3 S E T S C R E W M 3 X 3 4
1 5 9 8 7 0 4 - 0 3 0 0 6 S C R E W , F L A T H E A D ( + ) 3
1 0
1 4
1 2
1 1
6
1 3
3 4
1
8
1 4
7
9
1 5
2
5