M10_PartsList PDFA.pdf - 第103页
P A R T N O . P A R T N A M E . Q ’ T Y O N 6 x 2 H E A D S U B A S S Y 1 C O M M O N 6 H E A D S E C 1 2 T - A X I S D R I V E A S S Y 6 - 2 1 L E 6 - M 7 1 A 0 - 3 0 x L E 6 - M 7 1 B 0 - 3 0 x 9 8 0 0 0 4 . R 0 0 1 2

M T C O V E R ( 6 X )
Q ’ T YP A R T N O . P A R T N A M E.
O
N
Z 1 - 4 O T S E N S O R A S S Y .1 L E 6 - M 6 5 E A - 1 0 x 1
Z 5 - 6 O T S E N S O R A S S Y .2 L E 6 - M 6 5 E A - 2 0 x 1
B R K T , V A L V E3 L E 6 - M 7 1 0 4 - 3 2 x 1
S T A Y , C O V E R R4 L E 6 - M 7 1 0 K - 3 0 x 1
S T A Y , C O V E R L5 L E 6 - M 7 1 0 L - 3 0 x 1
C O V E R , H E A D6 L E 6 - M 7 1 0 M - 3 0 x 1
G R O M M E T7 L E 6 - M 7 1 2 E - 0 0 x 1 2
S O L . V A L V E A S S Y .8 L E 6 - M 7 1 A 2 - 3 0 x 1
B O L T H E X . S O C K E T H E A D9 9 1 3 1 7 - 0 3 0 0 5 1 0
B O L T H E X . S O C K E T H E A D1 0 9 1 3 1 7 - 0 3 0 1 6 3
S C R E W , B I N D I N G H E A D1 1 9 8 9 0 7 - 0 3 0 0 5 6
9 8 0 0 0 3 . R 0 0
4
9
3
7
1 1
6
8 1 02
9
5
1

P A R T N O . P A R T N A M E. Q ’ T Y
O
N
6 x 2 H E A D S U B A S S Y
1 C O M M O N 6 H E A D S E C 1
2 T - A X I S D R I V E A S S Y 6 - 2 1
L E 6 - M 7 1 A 0 - 3 0 x
L E 6 - M 7 1 B 0 - 3 0 x
9 8 0 0 0 4 . R 0 0
1 2

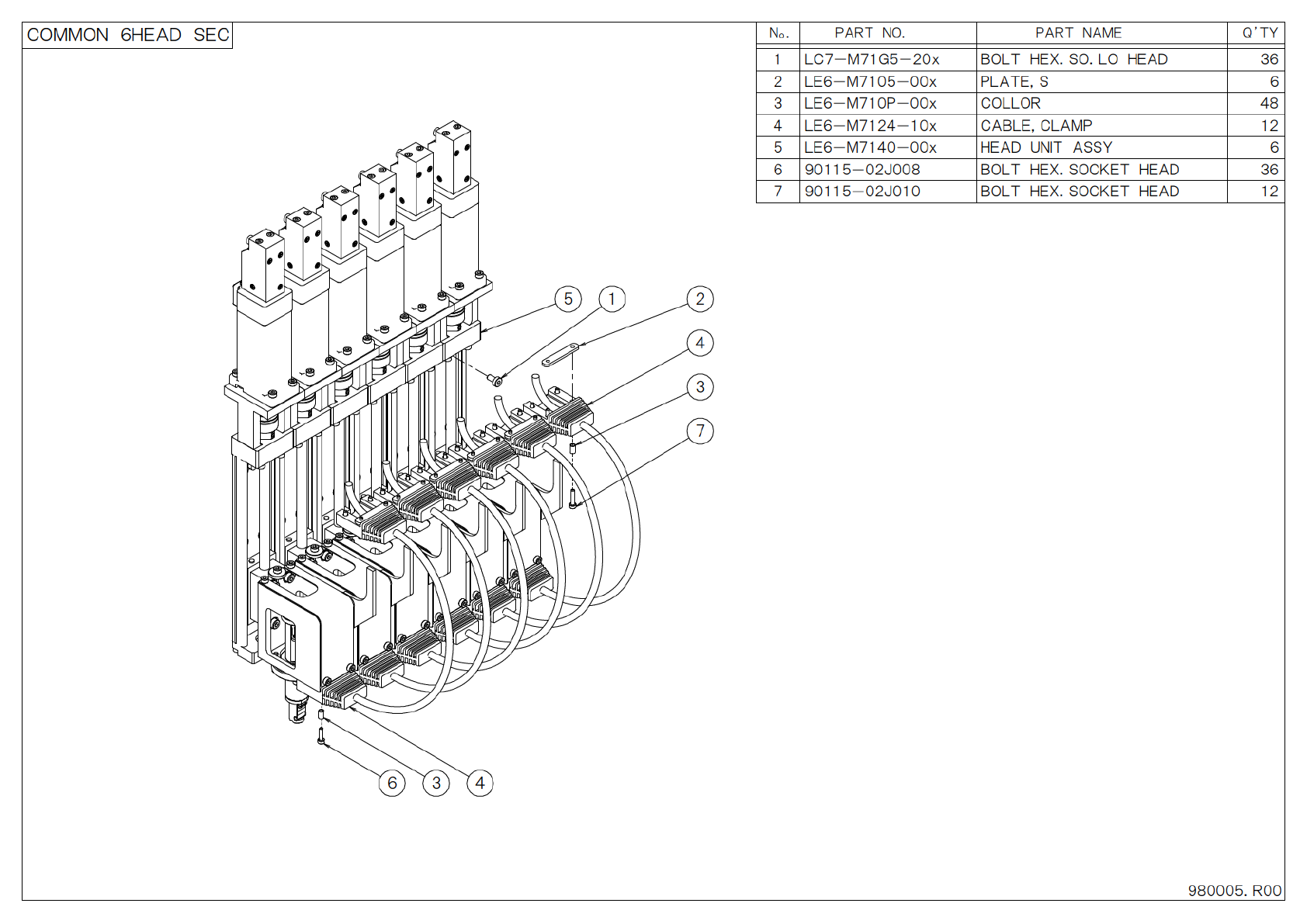
P A R T N O . P A R T N A M E. Q ’ T Y
O
N
C O M M O N 6 H E A D S E C
1 L C 7 - M 7 1 G 5 - 2 0 x B O L T H E X . S O . L O H E A D 3 6
2 L E 6 - M 7 1 0 5 - 0 0 x P L A T E , S 6
3 L E 6 - M 7 1 0 P - 0 0 x C O L L O R 4 8
4 L E 6 - M 7 1 2 4 - 1 0 x C A B L E , C L A M P 1 2
5 L E 6 - M 7 1 4 0 - 0 0 x H E A D U N I T A S S Y 6
6 9 0 1 1 5 - 0 2 J 0 0 8 B O L T H E X . S O C K E T H E A D 3 6
7 9 0 1 1 5 - 0 2 J 0 1 0 B O L T H E X . S O C K E T H E A D 1 2
9 8 0 0 0 5 . R 0 0
4
3
7
5 1
36
2
4