M10_PartsList PDFA.pdf - 第317页
S H T . 2 / 2 P A R T N O . P A R T N A M E Q ’ T Y N o . F 2 C L A M P S E C . 9 8 0 3 4 0 . R 0 0 1 L C 6 - M 5 U H 1 - 0 0 x B A S E , T I E 1 2 L E 6 - M 5 7 5 1 - 0 1 x F R A M E 1 3 L E 6 - M 5 7 5 2 - 0 1 x L E V …

F 2 C L A M P S E C .
9 8 0 3 4 0 . R 0 0
S H T . 1 / 2
5
1 6 1 4
1 6 1 46
1 5
1 9
1 3
1 0
2 2
73
2
9 2 04
1 71 88
2 1
1 1
2 3
1
1 2

S H T . 2 / 2
P A R T N O . P A R T N A M E Q ’ T YN o .
F 2 C L A M P S E C .
9 8 0 3 4 0 . R 0 0
1 L C 6 - M 5 U H 1 - 0 0 x B A S E , T I E 1
2 L E 6 - M 5 7 5 1 - 0 1 x F R A M E 1
3 L E 6 - M 5 7 5 2 - 0 1 x L E V E R , C L A M P 1
4 L E 6 - M 5 7 5 3 - 0 0 x D O G 1
5 L E 6 - M 5 7 5 4 - 0 1 x P I N , 1 1
6 L E 6 - M 5 7 5 5 - 0 1 x P I N , 2 1
7 L E 6 - M 5 7 5 C - 0 0 x S P R I N G 1
8 L E 6 - M 5 7 5 E - 0 0 x P I N , G U I D E 1
9 L G 0 - M 5 C 0 9 - 0 0 x P I N , C L A M P E R 1
1 0 L G 2 - M 1 A 0 6 - 0 0 x H O O K 1
1 1 L G 4 - M 1 A A 2 - 5 1 x S P . C O N N E C T O R A S S Y 1
1 2 L G 4 - M 1 A A 3 - 1 1 x M I C R O S W I T C H A S S Y 1
1 3 9 1 3 1 7 - 0 3 0 0 6 B O L T H E X . S O C K E T H E A D 1
1 4 9 1 3 1 7 - 0 3 0 0 8 B O L T H E X . S O C K E T H E A D 2
1 5 9 1 3 1 7 - 0 4 0 1 0 B O L T H E X . S O C K E T H E A D 4
1 6 9 2 9 0 3 - 0 3 2 0 0 W A S H E R , P L A I N 2
1 7 9 2 A 0 8 - 0 3 1 0 6 S C R E W , S E T 1
1 8 9 5 3 0 7 - 0 3 6 0 0 N U T H E X A G O N 1
1 9 9 5 3 0 7 - 0 4 7 0 0 N U T , H E X A G O N 1
2 0 9 8 9 0 7 - 0 3 0 0 5 S C R E W , B I N D I N G H E A D 2
2 1 9 8 9 0 7 - 0 3 0 0 6 S C R E W , B I N D I N G H E A D 2
2 2 9 8 9 0 7 - 0 3 0 0 8 S C R E W , B I N D I N G H E A D 1
2 3 9 8 9 0 7 - 0 4 0 0 6 S C R E W , B I N D I N G H E A D 1

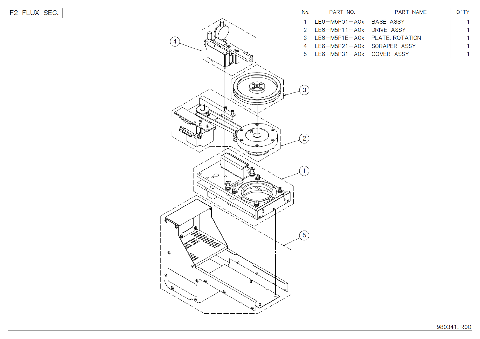
P A R T N O . P A R T N A M E Q ’ T YN o .
1 L E 6 - M 5 P 0 1 - A 0 x B A S E A S S Y 1
2 L E 6 - M 5 P 1 1 - A 0 x D R I V E A S S Y 1
3 L E 6 - M 5 P 1 E - A 0 x P L A T E , R O T A T I O N 1
4 L E 6 - M 5 P 2 1 - A 0 x S C R A P E R A S S Y 1
5 L E 6 - M 5 P 3 1 - A 0 x C O V E R A S S Y 1
9 8 0 3 4 1 . R 0 0
F 2 F L U X S E C .
3
4
1
5
2