M10_PartsList PDFA.pdf - 第89页
P A R T N O . P A R T N A M E . Q ’ T Y O N 1 L C 1 - M 7 2 A 1 - 0 0 x S P A C E R 6 2 L E 6 - M 6 5 4 8 - 0 0 x D C F A N 1 3 L E 6 - M 6 5 5 1 - 0 0 x S E R V O A M P 1 4 L E 6 - M 7 1 0 6 - 0 1 x B R K T . , C A B L …

P A R T N O . P A R T N A M E. Q ’ T Y
O
N
S P L I N E S H A F T A S S Y
1 L E 6 - M 7 1 1 8 - 0 0 x P U L L E Y 1
2 L E 6 - M 7 1 1 9 - 0 0 x H O L D E R , S P L I N E 1
3 L E 6 - M 7 1 1 G - 0 0 x 1
4 L E 6 - M 7 1 A 7 - 0 0 x B R G . 1
5 L E 7 - M 7 1 A 3 - 0 0 x B A L L S P L I N E 1
6 L G 1 - M 2 6 A D - 0 0 x B R G . 1
7 L G 7 - M 7 1 B 1 - 0 0 x B A L L B E A R I N G 1
8 9 2 A 0 8 - 0 2 3 0 3 S E T S C R E W M 2 X 3 1
9 9 2 A 0 8 - 0 3 3 0 3 S E T S C R E W M 3 X 3 2
1 0 9 9 0 0 1 - 0 3 6 0 0 C I R C L I P 2
H O L D E R , B R G
9 8 0 0 0 9 . R 0 0
9
1
2
5
8
1 0 3
4
6
7

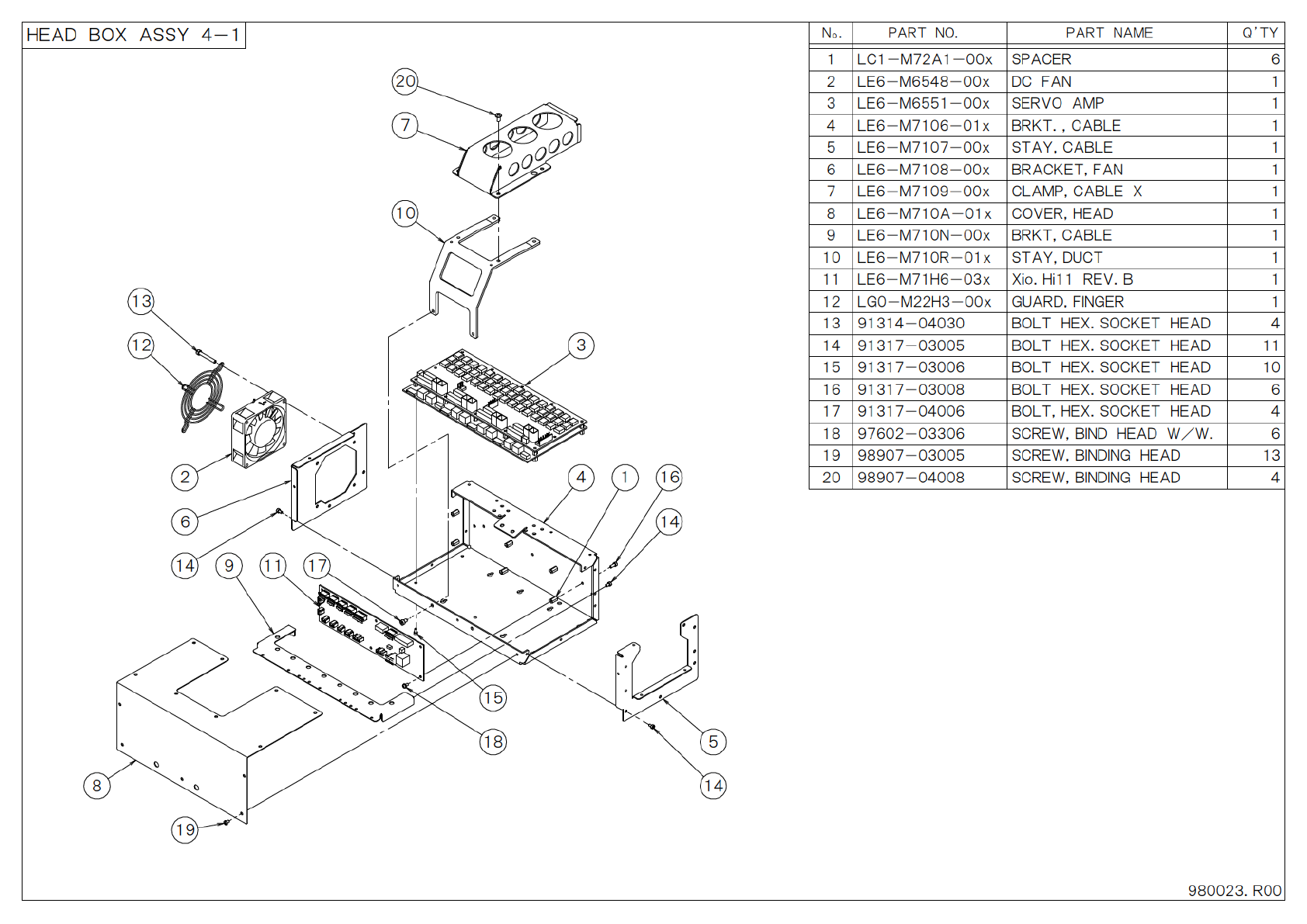
P A R T N O . P A R T N A M E. Q ’ T Y
O
N
1 L C 1 - M 7 2 A 1 - 0 0 x S P A C E R 6
2 L E 6 - M 6 5 4 8 - 0 0 x D C F A N 1
3 L E 6 - M 6 5 5 1 - 0 0 x S E R V O A M P 1
4 L E 6 - M 7 1 0 6 - 0 1 x B R K T . , C A B L E 1
5 L E 6 - M 7 1 0 7 - 0 0 x S T A Y , C A B L E 1
6 L E 6 - M 7 1 0 8 - 0 0 x B R A C K E T , F A N 1
7 L E 6 - M 7 1 0 9 - 0 0 x C L A M P , C A B L E X 1
8 L E 6 - M 7 1 0 A - 0 1 x C O V E R , H E A D 1
9 L E 6 - M 7 1 0 N - 0 0 x B R K T , C A B L E 1
1 0 L E 6 - M 7 1 0 R - 0 1 x S T A Y , D U C T 1
1 1 L E 6 - M 7 1 H 6 - 0 3 x X i o . H i 1 1 R E V . B 1
1 2 L G 0 - M 2 2 H 3 - 0 0 x G U A R D , F I N G E R 1
1 3 9 1 3 1 4 - 0 4 0 3 0 B O L T H E X . S O C K E T H E A D 4
1 4 9 1 3 1 7 - 0 3 0 0 5 B O L T H E X . S O C K E T H E A D 1 1
1 5 9 1 3 1 7 - 0 3 0 0 6 B O L T H E X . S O C K E T H E A D 1 0
1 6 9 1 3 1 7 - 0 3 0 0 8 B O L T H E X . S O C K E T H E A D 6
1 7 9 1 3 1 7 - 0 4 0 0 6 B O L T , H E X . S O C K E T H E A D 4
1 8 9 7 6 0 2 - 0 3 3 0 6 S C R E W , B I N D H E A D W / W . 6
1 9 9 8 9 0 7 - 0 3 0 0 5 S C R E W , B I N D I N G H E A D 1 3
2 0 9 8 9 0 7 - 0 4 0 0 8 S C R E W , B I N D I N G H E A D 4
H E A D B O X A S S Y 4 - 1
9 8 0 0 2 3 . R 0 0
5
1 4
1 9
8
1 3
1 2
6
7
4
2 0
1 6
1 4
1 0
1 4
1
1 71 19
1 8
1 5
2
3

M 1 0 / M 2 0
9 7 0 2 1 8. R 0 0
9 8 0 0 1 1. R 0 1
4 x 4 H E A D S E C
P A R T S L I S T