M10_PartsList PDFA.pdf - 第275页
P A R T N O . P A R T N A M E Q ’ T Y N o . Z - A X I S A S S Y 9 8 0 2 9 4 . R 0 0 1 L C 2 - M 1 1 2 1 - 0 0 x P A R A L L E L P I N 4 2 L C 3 - M 2 2 A 1 - 0 0 x S T O P P E R 1 3 L E 4 - M 5 B 1 P - 1 0 x C A S T E R …

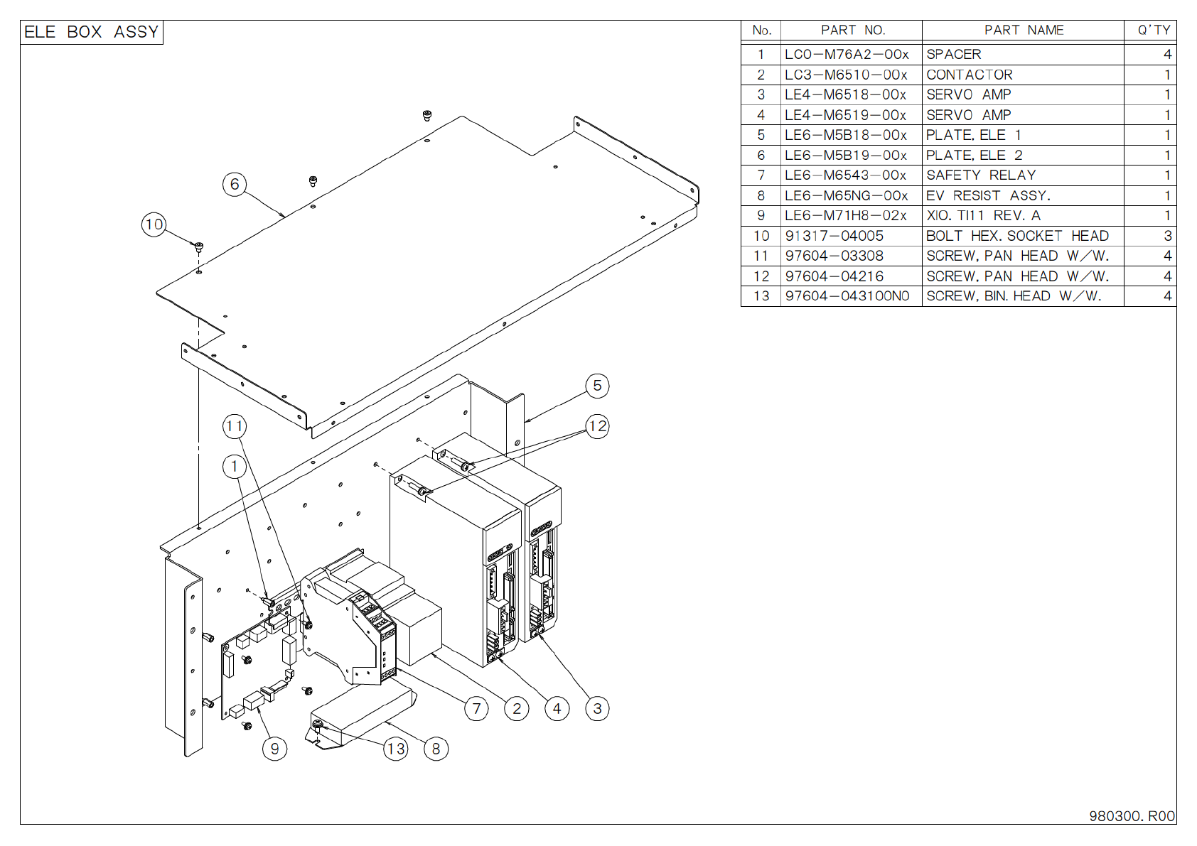
P A R T N O . P A R T N A M E Q ’ T YN o .
1 L C 0 - M 7 6 A 2 - 0 0 x S P A C E R 4
2 L C 3 - M 6 5 1 0 - 0 0 x C O N T A C T O R 1
3 L E 4 - M 6 5 1 8 - 0 0 x S E R V O A M P 1
4 L E 4 - M 6 5 1 9 - 0 0 x S E R V O A M P 1
5 L E 6 - M 5 B 1 8 - 0 0 x P L A T E , E L E 1 1
6 L E 6 - M 5 B 1 9 - 0 0 x P L A T E , E L E 2 1
7 L E 6 - M 6 5 4 3 - 0 0 x S A F E T Y R E L A Y 1
8 L E 6 - M 6 5 N G - 0 0 x E V R E S I S T A S S Y . 1
9 L E 6 - M 7 1 H 8 - 0 2 x X I O . T I 1 1 R E V . A 1
1 0 9 1 3 1 7 - 0 4 0 0 5 B O L T H E X . S O C K E T H E A D 3
1 1 9 7 6 0 4 - 0 3 3 0 8 S C R E W , P A N H E A D W / W . 4
1 2 9 7 6 0 4 - 0 4 2 1 6 S C R E W , P A N H E A D W / W . 4
1 3 9 7 6 0 4 - 0 4 3 1 0 0 N 0 S C R E W , B I N . H E A D W / W . 4
E L E B O X A S S Y
9 8 0 3 0 0 . R 0 0
8
1 0
6
1 2
1 39
1
1 1
5
3427

P A R T N O . P A R T N A M E Q ’ T YN o .
Z - A X I S A S S Y
9 8 0 2 9 4 . R 0 0
1 L C 2 - M 1 1 2 1 - 0 0 x P A R A L L E L P I N 4
2 L C 3 - M 2 2 A 1 - 0 0 x S T O P P E R 1
3 L E 4 - M 5 B 1 P - 1 0 x C A S T E R 2
4 L E 4 - M 5 B 1 R - 1 0 x C A S T E R 2
5 L E 6 - M 3 7 0 7 - 1 0 x H O O K 2
6 L E 6 - M 3 7 0 M - 0 0 x C O L L A R 4
7 L E 6 - M 5 B 3 0 - A 0 x Z - A X I S S U B A S S Y 1
8 L E 6 - M 5 B 3 1 - 0 0 x F R A M E , C A R T 1
9 L E 6 - M 5 B 3 2 - 0 0 x F R A M E , E V 1
1 0 L E 6 - M 5 B 3 3 - 0 3 x P L A T E , S I D E L 1
1 1 L E 6 - M 5 B 3 4 - 0 3 x P L A T E , S I D E R 1
1 2 L E 6 - M 5 B 3 M - 0 0 x B L O C K , S T O P P E R 1
1 3 L E 6 - M 6 5 N 6 - 0 1 x S E N S O R A S S Y . 1
1 4 L E 6 - M 6 5 N 7 - 0 1 x S E N S O R A S S Y . 1
1 5 L G 0 - M 3 7 A 4 - 0 0 x F O L L O W E R , C A M 6
1 6 9 0 1 8 9 - 0 7 J 1 2 6 N U T , H E X A G O N 4
1 7 9 1 3 1 7 - 0 3 0 0 8 B O L T H E X . S O C K E T H E A D 4
1 8 9 1 3 1 7 - 0 6 0 5 0 B O L T H E X . S O C K E T H E A D 2
1 9 9 1 3 1 7 - 0 8 0 1 6 B O L T H E X . S O C K E T H E A D 8
2 0 9 1 3 1 7 - 0 8 0 3 0 B O L T H E X . S O C K E T H E A D 1 4
2 1 9 5 3 0 4 - 0 8 7 0 0 N U T H E X A G O N 1
4
6
1 55
61 5
81 6
2 0
3
2 0
2 01
1
1 56
1 5
1 0
6
1 1 5
1 6
1 9
2 0
1 6
1 41 7
2
2 1
1 21 8
1 7
1 3
7
9

P A R T N O . P A R T N A M E Q ’ T YN o .
Z - A X I S S U B A S S Y
9 8 0 3 0 1 . R 0 0
1 L C 3 - M 2 2 0 2 - 0 0 x L M G U I D E 1
2 L E 6 - M 5 B 3 5 - A 0 x E L E V A T O R A S S Y 1
3 L E 6 - M 5 B 3 D - A 0 x E V M O T O R A S S Y 1
4 L E 6 - M 5 B 3 F - A 0 x T E N S I O N E R A S S Y 2
5 L E 6 - M 5 B 3 K - 0 0 x S T A Y , B E A R M 1
6 L E 6 - M 5 B 3 L - 0 0 x B R K T . C O N N E C T O R 1
7 L E 6 - M 5 B B 4 - 0 0 x C A B L E B E A R 1
8 L E 6 - M 6 6 R 3 - 1 0 x H N S , H K . A M P - M 1
9 L E 6 - M 6 6 R 4 - 1 0 x H N S , H K . A M P - P 1
1 0 L E 6 - M 6 6 R 6 - 0 0 x H N S , T I 1 1 . X 6 - S E N 1
1 1 9 1 3 1 4 - 0 3 0 0 6 B O L T H E X . S O C K E T H E A D 4
1 2 9 1 3 1 7 - 0 4 0 1 2 B O L T H E X . S O C K E T H E A D 2 4
1
2
3
4
5
1 2
1 1
6
8 9
1 0
7