SP1_TRM(Ver6.8_CS14.25).pdf - 第259页
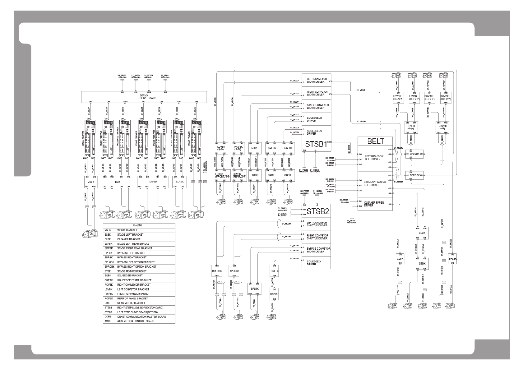
Page SAMSUNG TECHWIN 247 SP1 SP1 Wiring Diagram (2/3)

Page
SAMSUNG TECHWIN
246
SP1
SP1 Wiring Diagram (1/3)

Page
SAMSUNG TECHWIN
247
SP1
SP1 Wiring Diagram (2/3)

Page
SAMSUNG TECHWIN
248
SP1
SP1 Wiring Diagram (3/3)