SP1_TRM(Ver6.8_CS14.25).pdf - 第339页
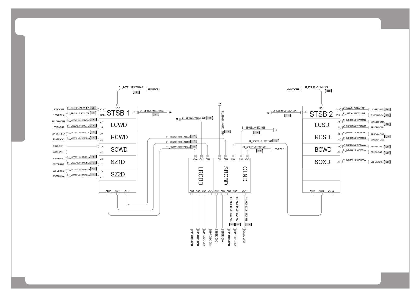
Page SAMSUNG TECHWIN 327 SP1 Step Slave Board Block Diagram NO. P ART NO. P ART NAME Q'TY Old N o. St oc k Apply Reference 1 J91672166A AMC B2_STSB1_SEDES _CABLE_ASS'Y S1_PC002 1 2 J9167214 9A L_IOSB_STSB1_IO_C…

Page
SAMSUNG TECHWIN
326
SP1
Step Slave Board Block Diagram

Page
SAMSUNG TECHWIN
327
SP1
Step Slave Board Block Diagram
NO. PART NO. PART NAME Q'TY Old No. Stock Apply Reference
1 J91672166A AMCB2_STSB1_SEDES_CABLE_ASS'Y S1_PC002 1
2 J91672149A L_IOSB_STSB1_IO_CABLE_ASS'Y S1_SB013 1
3 J91672150B R_IOSB_STSB1_IO_CABLE_ASS'Y 1 J91672150A
4 J91672470C LCV_BP_BELT_DRV_CABLE_ASSY 2 J91672470A SP1 OPTION
5 J91671977A LEFT_WIDTH_MOTOR_ENC_CABLE_ASSY S1_MD031 1
6 J91672471C RCV_BP_BELT_DRV_CABLE_ASSY 2 J91672471A SP1 OPTION
7 J91672005A RIGHT_WIDTH_MOTOR_ENC_CABLE_ASSY S1_MD03
8 J91671951A SQ_Z1_MOTOR_POWER_CABLE_ASSY S1_MD023 1
9 J91671952A SQ_Z1_MOTOR_ENCODER_CABLE_ASSY S1_MD024 1
10 J91671953A SQ_Z2_MOTOR_POWER_CABLE_ASSY S1_MD025 1
11 J91671954A SQ_Z2_MOTOR_ENCODER_CABLE_ASSY S1_MD026 1
12 J91672148A STSB1_PW_CABLE_ASS'Y S1_SB012 1
13 J91672160B RCBD_PW_CABLE_ASS'Y 1 J91672160A
14 J91672161B SCBD_PW_CABLE_ASS'Y 1 J91672161A
15 J91672157A STSB1_SCBD_COMMAND_CABLE_ASS'Y S1_SB017 1
16 J91672155B STSB1_RCBD_COMMAND_CABLE_ASS'Y 1 J91672155A
17 J91672154A STSB1_LCBD_COMMAND_CABLE_ASS'Y S1_SB015 1
18 J91672163B CLND_PW_CABLE_ASS'Y 1 J91672163A
19 J91672156A STSB2_BCBD_COMMAND_CABLE_ASS'Y S1_SB016 1
20 J91672158B CLND_R_IOSB_COMMAND_CABLE_ASSY 1 J91672158A
21 J91672046B CL_PAPER_MOTOR_DRV_CABLE_ASSY 1 J91672046A
22 J91672167A AMCB3_STSB2_SEDES_CABLE_ASS'Y S1_PC002O 1
23 J91672151A STSB2_POWER_CABLE_ASSY S1_SB024 1
24 J91672152B L_IOSB_STSB2_IO_CABLE_ASS'Y 1 J91672152A
25 J91672153B R_IOSB_STSB2_IO_CABLE_ASS'Y 1 J91672153A
26 J91672468B LEFT_SHUTTLE_DRV_CABLE_ASSY 2 J91672468A SP1 OPTION
27 J91672469C RIGHT_SHUTTLE_DRV_CABLE_ASSY 2 SP1 OPTION

Page
SAMSUNG TECHWIN
328
SP1
Step Slave Board Block Diagram
NO. PART NO. PART NAME Q'TY Old No. Stock Apply Reference
28 J91672020A BP_CV_WIDTH_MOTOR_PWR_CABLE_ASSY S1_MD04 1 SP1 OPTION
29 J91672021A BP_CV_WIDTH_MOTOR_ENC_CABLE_ASSY S1_MD04 1 SP1 OPTION
30 J91671955A SQUEEGEE_X_CABLE_ASSY S1_MD027 1