SE-350 450丝印SE-450II系列说明书.pdf - 第84页
SE 系列无铅波峰焊机用户手册 深圳市劲拓自动化设备股份有限公司 A . 0 - 84 - A 7 86 B 5 43 21 A B D C 7 8 6 C D 5 4 3 2 1 IT 1 2 2017 /05/22 设计 日期 审核 批准 材料 图号 比例 页码 未注公差按 执行 欧阳平圳 日期 日期 标记 ¢ ò ¢ ? ¢ ? ¢ ó ¢ ? 更改 单 号 处数 签字 日期 Sh en Zhen JT Au to ma tion…

深圳市劲拓自动化设备股份有限公司 SE系列无铅波峰焊机用户手册 A.0
- 83 -
A
786
B
5 4321
A
B
D
C
7
8 6
C
D
5
4 3 2 1
IT12
2017/05/22
设计 日期
审核
批准
材料
图号
比例
页码
未注公差按 执行
欧阳平圳
日期
日期
标记
¢ò
¢?
¢?
¢ó
¢?
更改单号处数 签字 日期
ShenZhen JT Automation Equipment CO.,LTD.
2
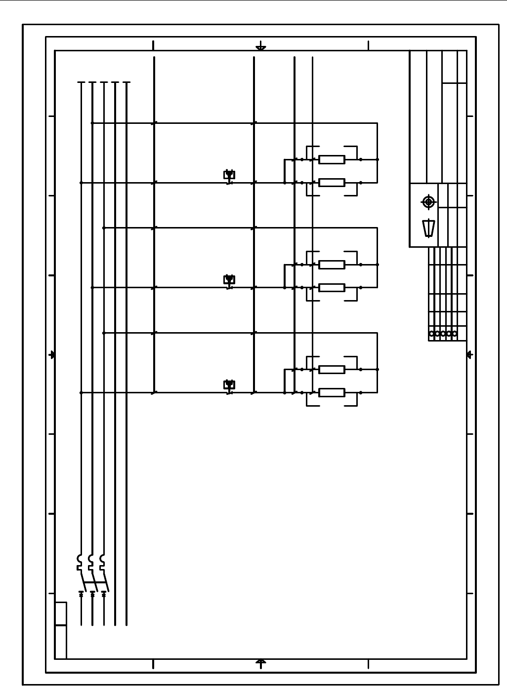
波峰焊电气原理图2
A
版本号
-SSR1 -SSR2 -SSR3
1BR
1BS
1BT
6mm
2
2.5mm
2
底部预热一 底部预热二 底部预热三
4mm
2
高温线
6mm
2
热补偿
2BR
N
-SSR4
BR
BS
BT
N
PE
-QF2 D40A
N
N
N
注: 底部热风 4.0KW *2;
底部红外 1.2KW *6;
热补偿红外 1.5KW *2;
2L1
2L2
2L3
N
PE
1/2D
1/2D
1/2D
1/2D
1/2D

SE 系列无铅波峰焊机用户手册 深圳市劲拓自动化设备股份有限公司 A.0
- 84 -
A
786
B
5 4321
A
B
D
C
7
8 6
C
D
5
4 3 2 1
IT12
2017/05/22
设计 日期
审核
批准
材料
图号
比例
页码
未注公差按 执行
欧阳平圳
日期
日期
标记
¢ò
¢?
¢?
¢ó
¢?
更改单号处数 签字 日期
ShenZhen JT Automation Equipment CO.,LTD.
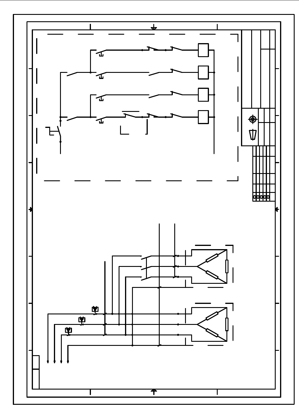
3
波峰焊电气原理图3
A
版本号
-QF6
-SSR11 -SSR12 -SSR13
1TR
2TS
2TR
4mm
2
2.5mm
2
4mm
2
高温线
4mm
2
TS
TT
N
PE
TR
顶部预热三顶部预热二顶部预热一
TT
TT
TS
注:
一个顶部预热 QF6 2P D20;
二个以上顶部预热 QF6 3P D40;
顶部热风 3.0KW *2;
顶部红外 1.2KW *5;
2L1
2L2
2L3
N
PE
1/2D
1/2D
1/2D
1/2D
1/2D

深圳市劲拓自动化设备股份有限公司 SE系列无铅波峰焊机用户手册 A.0
- 85 -
A
786
B
5 4321
A
B
D
C
7
8 6
C
D
5
4 3 2 1
IT12
设计 日期
审核
批准
材料
图号
比例
页码
未注公差按 执行
欧阳平圳
日期
日期
标记
¢ò
¢?
¢?
¢ó
¢?
更改单号处数 签字 日期
ShenZhen JT Automation Equipment CO.,LTD.
4
波峰焊电气原理图4
A
版本号
T
S
R
PE
1R
1S
1T
2R
2S
2T
2X 2X
2X
2X
2X
2X
1L+B
-KM10
A1
A2
-KM11
A1
A2
-KM12
A1
A2
-KM13
A1
A2
锡炉
上升
-SA1
1L+C
锡炉
下降
锡炉
进
锡炉
出
-SB1
-KM11
-SQ4
-K6
-K5
-KM10
-K4
-KM13
-SQ1
-KM12
-K4 -K5
1L+D
1L+E
2L+2L+A2L+B2L+C
3L+3L+A3L+B
4L+
5L+
4L+A
5L+A
4L+B
5L+B
2.5mm
2
4mm
2
-SSR20
-SSR21
-SSR22
2.5mm
2
-KM3 3P17A
电
动
调
宽
时
接
锡炉上层加热
1.5KW * 6
锡炉下层加热
1.5KW * 6
-SB2 -SB3 -SB4
1/2C
1/2C
1/2C
1/2C
1L-
2018/01/18
锡
炉
定
位
时
接