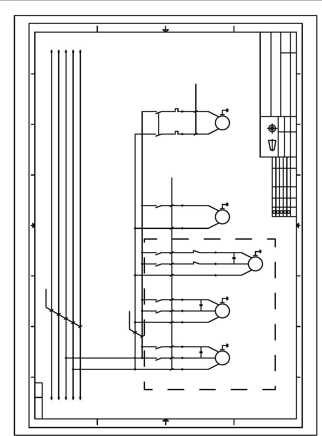
SE-350 450丝印SE-450II系列说明书.pdf - 第88页
SE 系列无铅波峰焊机用户手册 深圳市劲拓自动化设备股份有限公司 A . 0 - 88 - A 7 86 B 5 43 21 A B D C 7 8 6 C D 5 4 3 2 1 IT 1 2 设计 日期 审核 批准 材料 图号 比例 页码 未注公差按 执行 欧阳平圳 日期 日期 标记 ¢ ò ¢ ? ¢ ? ¢ ó ¢ ? 更改 单 号 处数 签字 日期 Sh en Zhen JT Au to ma tion Equip me nt…

深圳市劲拓自动化设备股份有限公司 SE系列无铅波峰焊机用户手册 A.0
- 87 -
A
786
B
5 4321
A
B
D
C
7
8 6
C
D
5
4 3 2 1
IT12
设计 日期
审核
批准
材料
图号
比例
页码
未注公差按 执行
欧阳平圳
日期
日期
标记
¢ò
¢?
¢?
¢ó
¢?
更改单号处数 签字 日期
ShenZhen JT Automation Equipment CO.,LTD.
6
波峰焊电气原理图6
A
版本号
4L1
4L2
4L3
N
PE
M
1~
M
1~
-M9
锡炉升降马达
90W
-M11
调宽马达
40W
M
1~
-M12
洗爪泵
10W
M
1~
-M10
锡炉进出马达
90W
4L3
N
4L3
N
4L3CA
4L3CB
4L3CD
4L3CC
4L3CF
4L3CE4L3CG
4L3CH
N
4L3CI
N
-KM10
-KM11
-KM13
-KM12
-K29
-K28
-K28
-K29
-K14
4mm
2
0.75mm
2
5/1D
5/1D
5/1D
5/1D
5/1D
7/8D
7/8D
7/8D
7/8D
7/8D
2018/01/18
M
1~
4L3CK
-M14
冷却风机 370W
4N
-KM8
1.5mm
2
1.5mm
2
-FR3

SE 系列无铅波峰焊机用户手册 深圳市劲拓自动化设备股份有限公司 A.0
- 88 -
A
786
B
5 4321
A
B
D
C
7
8 6
C
D
5
4 3 2 1
IT12
设计 日期
审核
批准
材料
图号
比例
页码
未注公差按 执行
欧阳平圳
日期
日期
标记
¢ò
¢?
¢?
¢ó
¢?
更改单号处数 签字 日期
ShenZhen JT Automation Equipment CO.,LTD.
7
波峰焊电气原理图7
A
版本号
4L1
4L2
4L3
N
PE
4mm
2
LN
L`N`
E
-EMI1
5N
5L2
31
42
-KM4 3P17A
5L2A
5AN
6/1D
6/1D
6/1D
6/1D
6/1D
8/8D
8/8D
2018/01/18
2.5mm
2
2.5mm
2
2*1.5mm
2

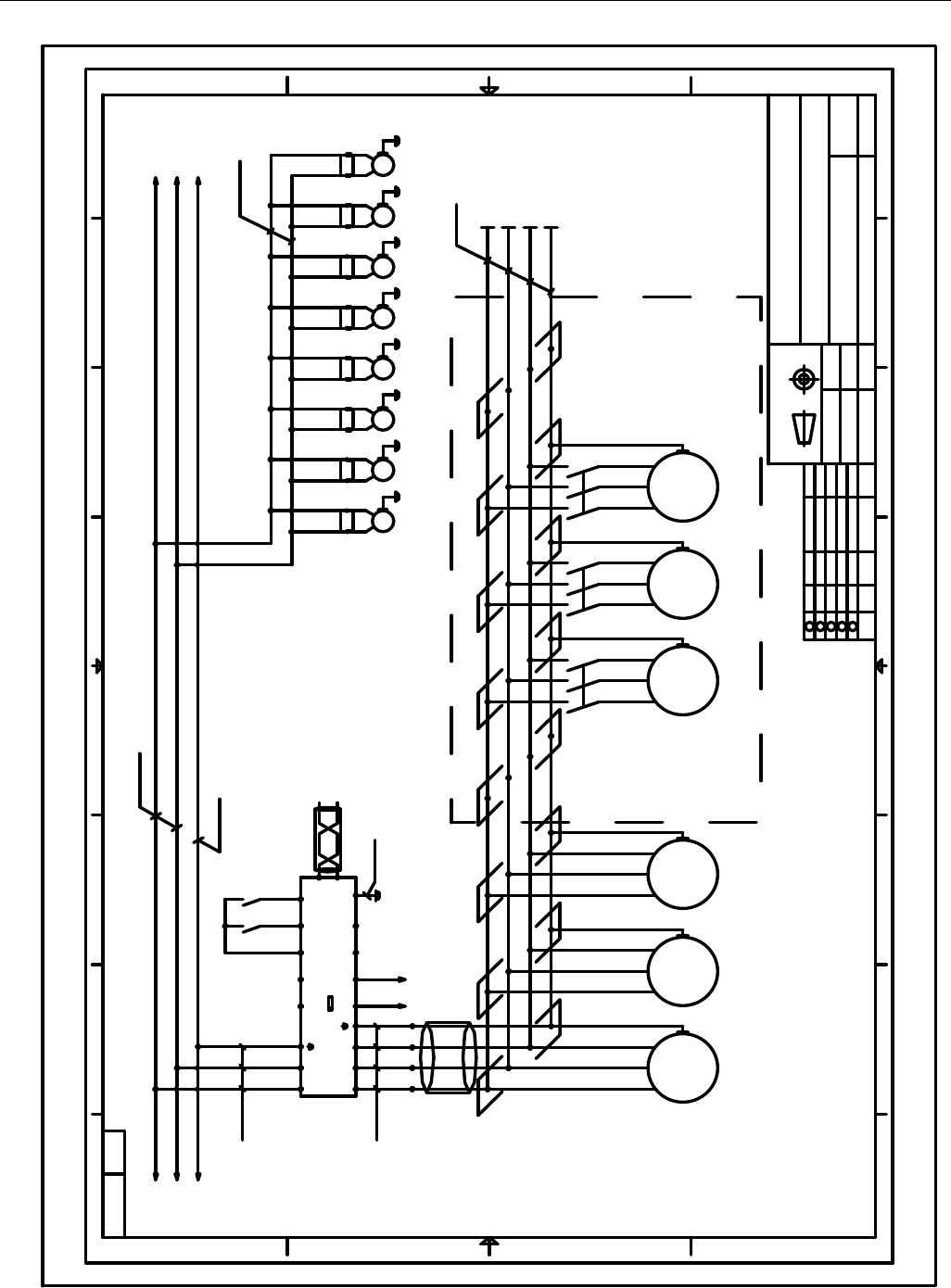
深圳市劲拓自动化设备股份有限公司 SE系列无铅波峰焊机用户手册 A.0
- 89 -
A
786
B
5 4321
A
B
D
C
7
8 6
C
D
5
4 3 2 1
IT12
设计 日期
审核
批准
材料
图号
比例
页码
未注公差按 执行
欧阳平圳
日期
日期
标记
¢ò
¢?
¢?
¢ó
¢?
更改单号处数 签字 日期
ShenZhen JT Automation Equipment CO.,LTD.
8
波峰焊电气原理图8
A
版本号
TA
+10V
U
VCI GND
VW
L1 L2
FWD
TC
OCGOC X1
4mm
2
1L-
X34
3~
M
M1-B M2-B
U1
V1
W1
PE
3~
M
3~
M
3~
M
3~
M
M1-T M2-TM3-B
1.5mm
2
1.5mm
2
3~
M
M3-T
5L2A
5AN
PE
M
1~
M
1~
M
1~
M
1~
M
1~
M
1~
M
1~
M
1~
485A
485B
DA+
DA-
5L2A
N
0.5mm
2
1.5mm
2
2.5mm
2
4mm
2
-U1
AC220V
-K43
-K44
-K45
LI1a
-K19
+24Va
-K23
LI3a
站地址:7
7/2B
7/2B
7/2B
9/8D
9/8D
9/8D
注:U1 变频器规格:
6段热风机以下 0.75KW;
6段热风1.5KW。
14/2C
2018/01/18
JP3
HL