SE-350 450丝印SE-450II系列说明书.pdf - 第90页
SE 系列无铅波峰焊机用户手册 深圳市劲拓自动化设备股份有限公司 A . 0 - 90 - A 7 86 B 5 43 21 A B D C 7 8 6 C D 5 4 3 2 1 IT 1 2 设计 日期 审核 批准 材料 图号 比例 页码 未注公差按 执行 欧阳平圳 日期 日期 标记 ¢ ò ¢ ? ¢ ? ¢ ó ¢ ? 更改 单 号 处数 签字 日期 Sh en Zhen JT Au to ma tion Equip me nt…

深圳市劲拓自动化设备股份有限公司 SE系列无铅波峰焊机用户手册 A.0
- 89 -
A
786
B
5 4321
A
B
D
C
7
8 6
C
D
5
4 3 2 1
IT12
设计 日期
审核
批准
材料
图号
比例
页码
未注公差按 执行
欧阳平圳
日期
日期
标记
¢ò
¢?
¢?
¢ó
¢?
更改单号处数 签字 日期
ShenZhen JT Automation Equipment CO.,LTD.
8
波峰焊电气原理图8
A
版本号
TA
+10V
U
VCI GND
VW
L1 L2
FWD
TC
OCGOC X1
4mm
2
1L-
X34
3~
M
M1-B M2-B
U1
V1
W1
PE
3~
M
3~
M
3~
M
3~
M
M1-T M2-TM3-B
1.5mm
2
1.5mm
2
3~
M
M3-T
5L2A
5AN
PE
M
1~
M
1~
M
1~
M
1~
M
1~
M
1~
M
1~
M
1~
485A
485B
DA+
DA-
5L2A
N
0.5mm
2
1.5mm
2
2.5mm
2
4mm
2
-U1
AC220V
-K43
-K44
-K45
LI1a
-K19
+24Va
-K23
LI3a
站地址:7
7/2B
7/2B
7/2B
9/8D
9/8D
9/8D
注:U1 变频器规格:
6段热风机以下 0.75KW;
6段热风1.5KW。
14/2C
2018/01/18
JP3
HL

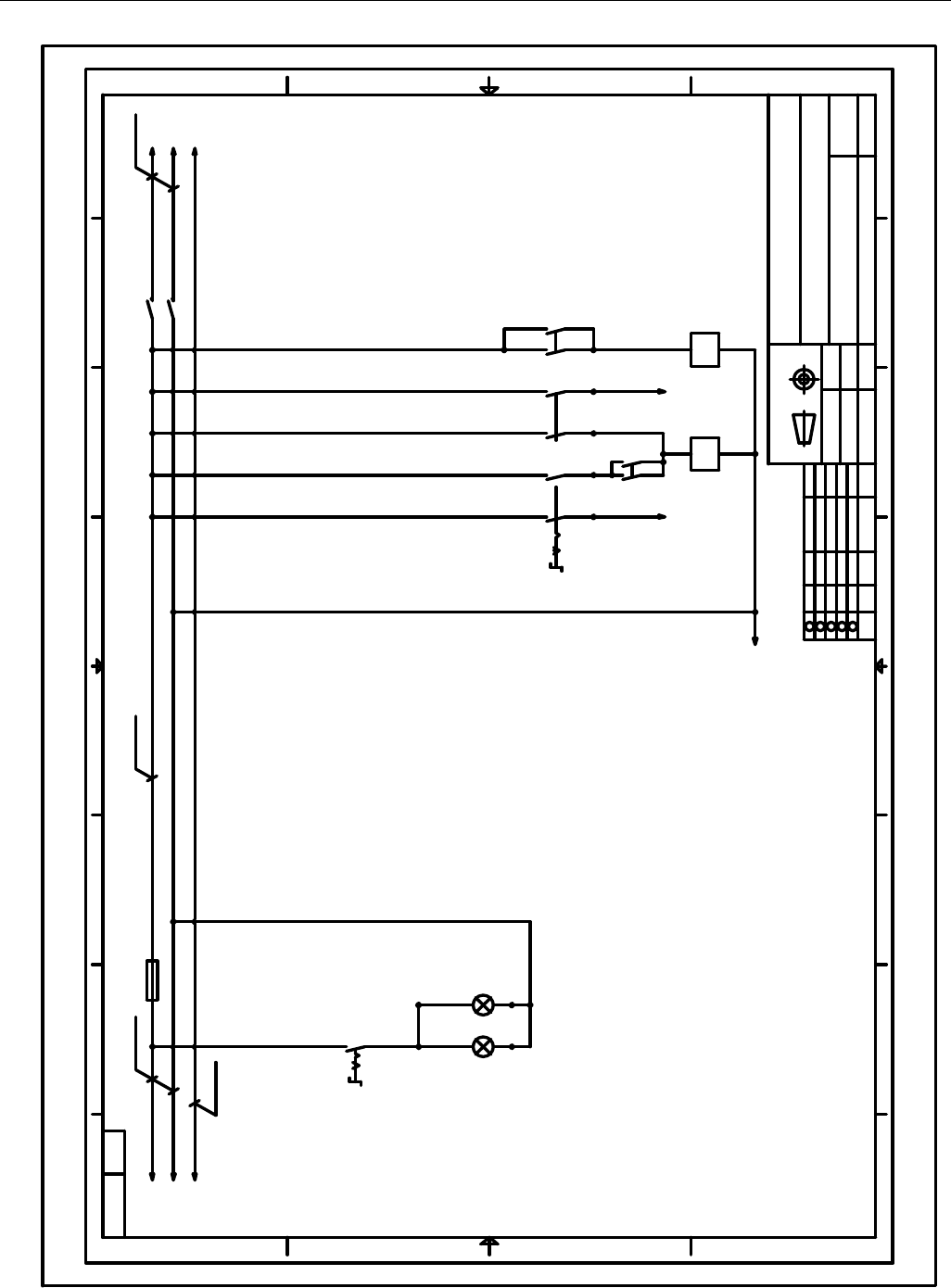
SE 系列无铅波峰焊机用户手册 深圳市劲拓自动化设备股份有限公司 A.0
- 90 -
A
786
B
5 4321
A
B
D
C
7
8 6
C
D
5
4 3 2 1
IT12
设计 日期
审核
批准
材料
图号
比例
页码
未注公差按 执行
欧阳平圳
日期
日期
标记
¢ò
¢?
¢?
¢ó
¢?
更改单号处数 签字 日期
ShenZhen JT Automation Equipment CO.,LTD.
9
波峰焊电气原理图9
A
版本号
TA
+10V
U VCI GNDVW
L1 L2
FWD
TC
M
3~
-M2
1#波峰马达
OCGOC X1
M
3~
-M3
2#波峰马达
4mm
2
4mm
2
1L-
X35
1L-
X36
U2
V2
W2
PE
U3
V3
W3
PE
5L2A
5AN
PE
485B
485A
DA+
DA-
DA+
DA-
-K20
-K26
X3
-K24
1.5mm
2
1.5mm
2
2.5mm
2
4mm
2
-U2
AC220V
350 370W
450 750W
610 750W
-K21
-K27
-K25
+24Vc
LI1c
LI2c
LI3c
LI2b
LI1b
+24Vb
LI3b
站地址:8
-U3
AC220V
350 370W
450 750W
610 1.5KW
8/1D
8/1D
8/1D
14/2C
14/2C
2018/01/18
JP3
HL
TA
+10V
U VCI GNDVW
L1 L2
FWD
TC
OCGOC X1
485B
485A
X3
站地址:9
JP3
HL

深圳市劲拓自动化设备股份有限公司 SE系列无铅波峰焊机用户手册 A.0
- 91 -
A
786
B
5 4321
A
B
D
C
7
8 6
C
D
5
4 3 2 1
IT12
设计 日期
审核
批准
材料
图号
比例
页码
未注公差按 执行
欧阳平圳
日期
日期
标记
¢ò
¢?
¢?
¢ó
¢?
更改单号处数 签字 日期
ShenZhen JT Automation Equipment CO.,LTD.
10
波峰焊电气原理图10
A
版本号
0 I
照
明
-SA2
-HL1 -HL2
6L3
6N
PE
-FU1
2.5mm
2
4mm
2
2.5mm
2
2.5mm
2
6L3F
6BN
PE
注:无UPS按此图接
6L3A
6L3C
I0II
-K2
A1
A2
-KM7
A1
A2
-K2
-SA3
-K1
I II
6L3CA6L3CB
6L3CB
6L3CE
III
6L3CC
6L3CC
1/2B
1/2B
1/2A
12/8D
12/8D
12/8D
14/8C
14/8C
-KM7
14/8C
2018/01/18