SE-350 450丝印SE-450II系列说明书.pdf - 第93页
深圳市劲拓自动化设备股份有限公司 S E 系列无铅波峰焊机用户手册 A . 0 - 93 - A 7 86 B 5 43 21 A B D C 7 8 6 C D 5 4 3 2 1 IT 1 2 设计 日期 审核 批准 材料 图号 比例 页码 未注公差按 执行 欧阳平圳 日期 日期 标记 ¢ ò ¢ ? ¢ ? ¢ ó ¢ ? 更改 单 号 处数 签字 日期 Sh en Zhen JT Au to ma tion Equip me n…

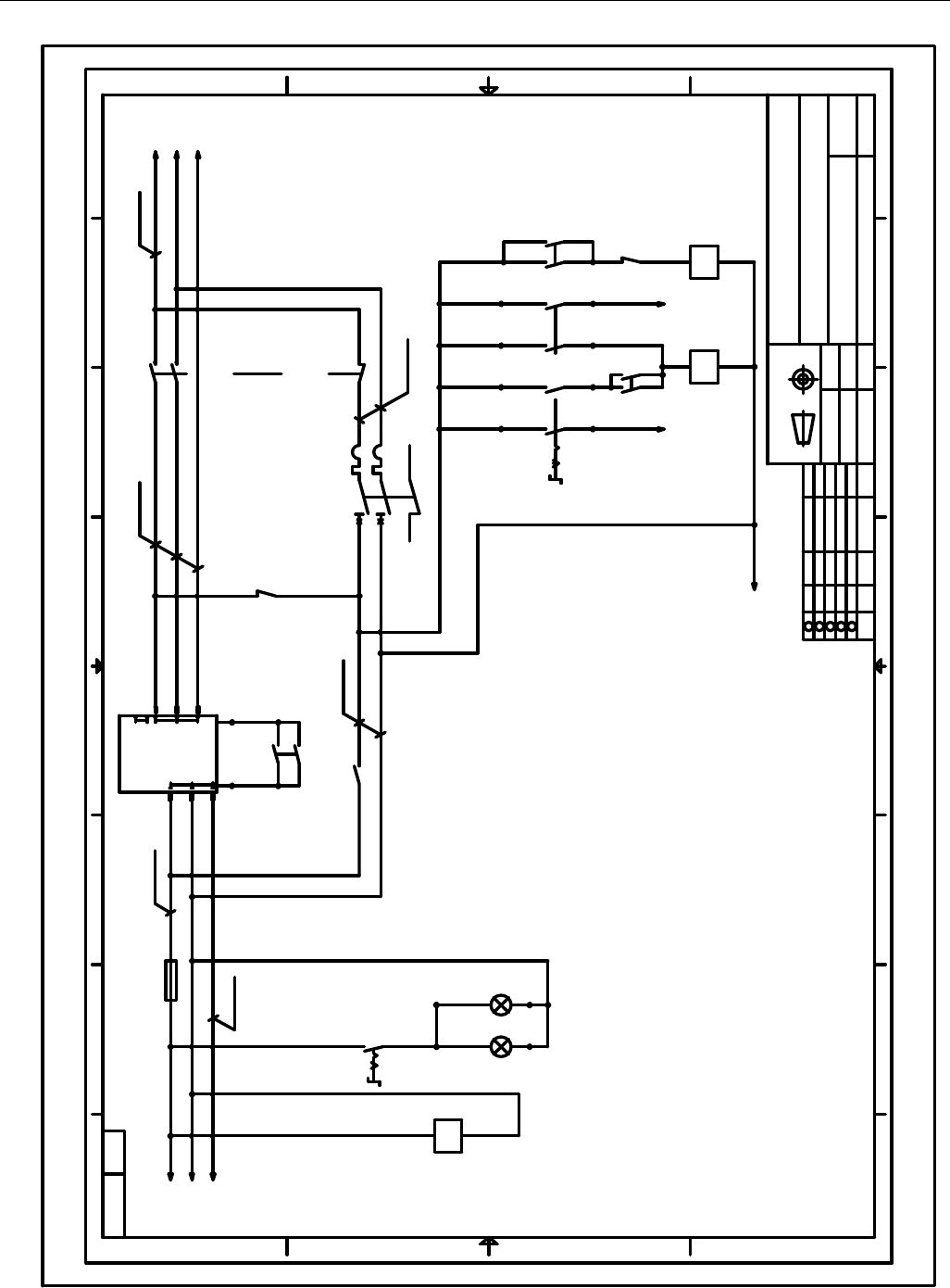
SE 系列无铅波峰焊机用户手册 深圳市劲拓自动化设备股份有限公司 A.0
- 92 -
A
786
B
5 4321
A
B
D
C
7
8 6
C
D
5
4 3 2 1
IT12
设计 日期
审核
批准
材料
图号
比例
页码
未注公差按 执行
欧阳平圳
日期
日期
标记
¢ò
¢?
¢?
¢ó
¢?
更改单号处数 签字 日期
ShenZhen JT Automation Equipment CO.,LTD.
11
波峰焊电气原理图11
A
版本号
I0II
-K2
A1
A2
-KM7
A1
A2
-K2
-UPS1
DC
24V
OUT1
INPUT
-K0
A1
A2
0 I
UA UB
市
电
检
测
照
明
-HL2-HL1
-SA2
-SA3
-FU1
-QF7 D10A
-K1
I II
-QF7
-KM7
-K0
-K0
-K2
6L3
6N
PE
2.5mm
2
4mm
2
2.5mm
2
2.5mm
2
2.5mm
2
2.5mm
2
6L3B
6L3A
6L3B
6N
6L3C
6L3C
6N
6L3CA6L3CB
6L3CB
6L3CD6L3CE
6L3E
6AN
PE
6L3D 6L3F
6L3F
注:有UPS按此图接
III
6L3CC
6L3CC
6BN
6BN
1/2B
1/2B
1/2A
12/8D
12/8D
12/8D
14/8C
14/8C
14/8C
2018/01/18

深圳市劲拓自动化设备股份有限公司 SE系列无铅波峰焊机用户手册 A.0
- 93 -
A
786
B
5 4321
A
B
D
C
7
8 6
C
D
5
4 3 2 1
IT12
设计 日期
审核
批准
材料
图号
比例
页码
未注公差按 执行
欧阳平圳
日期
日期
标记
¢ò
¢?
¢?
¢ó
¢?
更改单号处数 签字 日期
ShenZhen JT Automation Equipment CO.,LTD.
12
波峰焊电气原理图12
A
版本号
TA
U
VCI COM
VW
L1 L2
TC
M
3~
-M4
1#运输马达
90W
+10V
M0
AV0
1L-
X37
U4
V4
W4
PE
6L3F
6BN
PE
2.5mm
2
-U4
AC220V
180W
1.5mm
2
0.75mm
2
FWD X1 X3
+24Vd
LI1d
-K16
-K42
LI2d
-K42
LI3d
-K22
OCGOC
4mm
2
485B
485A
DA+
DA-
11/1D
11/1D
11/1D
13/8D
13/8D
13/8D
15/2C
21/7C
21/8C
2018/01/18
站地址:10

SE 系列无铅波峰焊机用户手册 深圳市劲拓自动化设备股份有限公司 A.0
- 94 -
A
786
B
5 4321
A
B
D
C
7
8 6
C
D
5
4 3 2 1
IT12
设计 日期
审核
批准
材料
图号
比例
页码
未注公差按 执行
欧阳平圳
日期
日期
标记
¢ò
¢?
¢?
¢ó
¢?
更改单号处数 签字 日期
ShenZhen JT Automation Equipment CO.,LTD.
13
波峰焊电气原理图13
A
版本号
LCD
monitor
Lenovo
Computer
1.5mm
2
1.5mm
2
L
-
220V AC
48V DC
NE
+
6L3F
6BN
PE
2.5mm
2
1.5mm
2
-DC2
48V+DRV+
DRV-
-FU3 8A
12/1D
12/1D
12/1D
24/8D
24/8B
24/3D
24/3D
28/7C
28/7C
28/4C
28/4C
20/3D
2018/01/18