神州视觉aleader阿立得ALD620-AOI编程手册1.pdf - 第101页
在线预览 神州视觉aleader阿立得ALD620-AOI编程手册1.pdf PDF 文档。

检测的电路板 通孔和混合技术的 SMT 锡膏印刷后及回焊炉前和回焊炉后电路板检查
检测方法 统计建模,全彩色图像比对,根据不同检测点自动设定其参数(如偏移、极性、短路等)
摄像头 全彩色 3CCD 高速智能数字相机
分辨率/视觉范围/速度
(standard)20µm/PixelFOV:27.84×20.8检测速度<210ms/FOV(标配)
(option)15µm/PixelFOV:20.88×15.6 检测速度<190ms/FOV(选配)
(option)10µm/PixelFOV:13.92X10.4检测速度<170ms/FOV(选配)
光源 高亮频闪 RGBB/RGBR 四色环形塔状 LED 光源(彩色光)
编程模式 手动编写、自动画框、CAD 数据导入自动对应元件库
远程控制 通过 TCP/IP 网络实现远程操作、随时随地查看、启动或停止机器运行、修改程序等操作
检测覆盖类型
锡膏印刷:有无、偏移、少锡、多锡、断路、连锡、污染等
零件缺陷:缺件、偏移、歪斜、立碑、侧立、翻件、错件,OCV、破损、反向等
焊点缺陷:锡多、锡少、虚焊、连锡、铜箔污染等
特别功能 多程序同时运行,支持自动调取程序;可查 0-359°旋转部件(单位为 1°)
最小零件测试 20µm:0201chip&0.3pitchICor10µm:01005chip&0.25pitchIC
SPC 和制程调控
全程记录测试数据并进行统计和分析,任何区域都可查看生产状况和品质分析,可输出
Excel、Txt 等文件格式
条码系统 相机自动识别与传输 Barcode(1 维或 2 维码),及多 Mark 功能(含 BadMark)
服务器模式 采用中心服务器,可将数台 AOI 数据集中统一管理
操作系统 支持系统的操作WindowsXPProfessional
检查结果输出 22 英寸液晶显示器,OK/NG 信号,向 Repairstation 发送数据文件(选项)
PCB 尺寸范围 50×50mm(Min)~430×330mm(Max)(可根据客户要求定制更大尺寸)
PCB 厚度范围 0.3to5mm(可根据客户要求定制更大尺寸)
PCB 夹紧系统边缘间隙 TOP:3.5mmBottom:3.5mm(可根据客户要求定制更大尺寸)
最大 PCB 重量 3KG
PCB 弯曲度 <5mm或PCB 对角线长度的 2%
PCB 上下净高 PCB 上面(TopSide):30mmPCB 底部(BottomSide):50mm
PCB 固定系统 自动张开和收起的双边夹具、自动补偿 PCB 弯曲变形
PCB 固定系统离地高度 850to920mm(可根据客户要求定制更大尺寸)
PCB 固定系统/时间 PCB 在 Y 方向移动进板/出板时间:2 秒
X/Y平台驱动 丝杆及 AC 伺服马达驱动,定位精度<10µm;PCB 固定,Camera 在 X 方向移动
电源 AC230V50/60Hz小于 1.8KVA
气压 不需要
设备重量 400KG
设备外形尺寸 1070×900×1310mm(L×W×H)
环境温湿度 10~35℃35~80%RH(无结露)
设备安规 符合 CE 安全标准
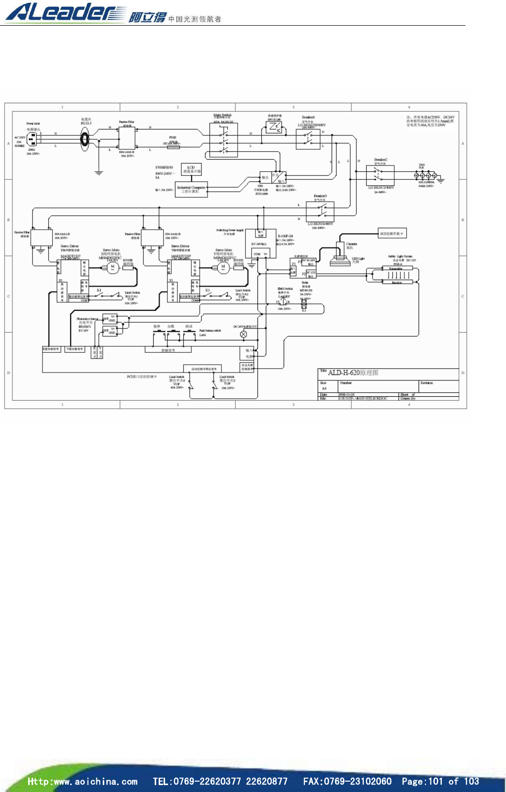
7.4 电路图


7.5 分解图