1OM-1321-005_w.pdf - 第153页
6-2 Tg1297-ID-GU 1.1 基板バックアップ治具 ( 基板幅 W “65<=W<=250”) 1.1 基板バックアップ治具(基板幅 W “65<=W<=250” ) 治具を製作する際は、次の図面をご使用ください。 1.1.1 組付け図 1.1.2 ブロック ( 品番 11-4) のバリアント図 1.1.3 位置決めピン ( 品番 11-5) のバリアント図 1.1.4 ブロック ( 品番 21-2)…

6-1
Tg1297-ID-GU
1. バックアップ治具製作仕様
1. バックアップ治具製作仕様
バックアップ治具を使用して印刷を行う場合に、基板幅のサイズや
基板の状態に合せて、基板バックアップ治具または基板バックアッ
プ吸着治具を製作します。
基板バックアップ治具
基板裏面全面を 1 つのブロックで基板を支持します。
基板裏面に突起などがない場合に有効です。
•
基板バックアップ治具(基板幅 W “65<=W<=250”)
詳細については、“1.1 基板バックアップ治具 ( 基板幅 W “65
<=W<=250”)”を参照してください。
•
基板バックアップ治具(基板幅 W “35<=W<=65”)
詳細については、“1.2 基板バックアップ治具 ( 基板幅 W “35
<=W<=65”)”を参照してください。
基板吸着治具
基板を吸着して固定します。
薄い基板や、そりが大きな基板にも対応できます。
ノート
スルーホールが多い基板は、吸着できない場合がありますので、日
立ハイテクノロジーズの営業部門または販売代理店にご相談くださ
い。
•
基板バックアップ吸着治具(基板幅 W “65<=W<=250”)
詳細については、“1.3 基板バックアップ吸着治具 ( 基板幅 W
“65<=W<=250”)”を参照してください。
•
基板バックアップ吸着治具(基板幅 W “35<=W<=65”)
詳細については、“1.4 基板バックアップ吸着治具 ( 基板幅 W
“35<=W<=65”)”を参照してください。
0607-001

6-2
Tg1297-ID-GU
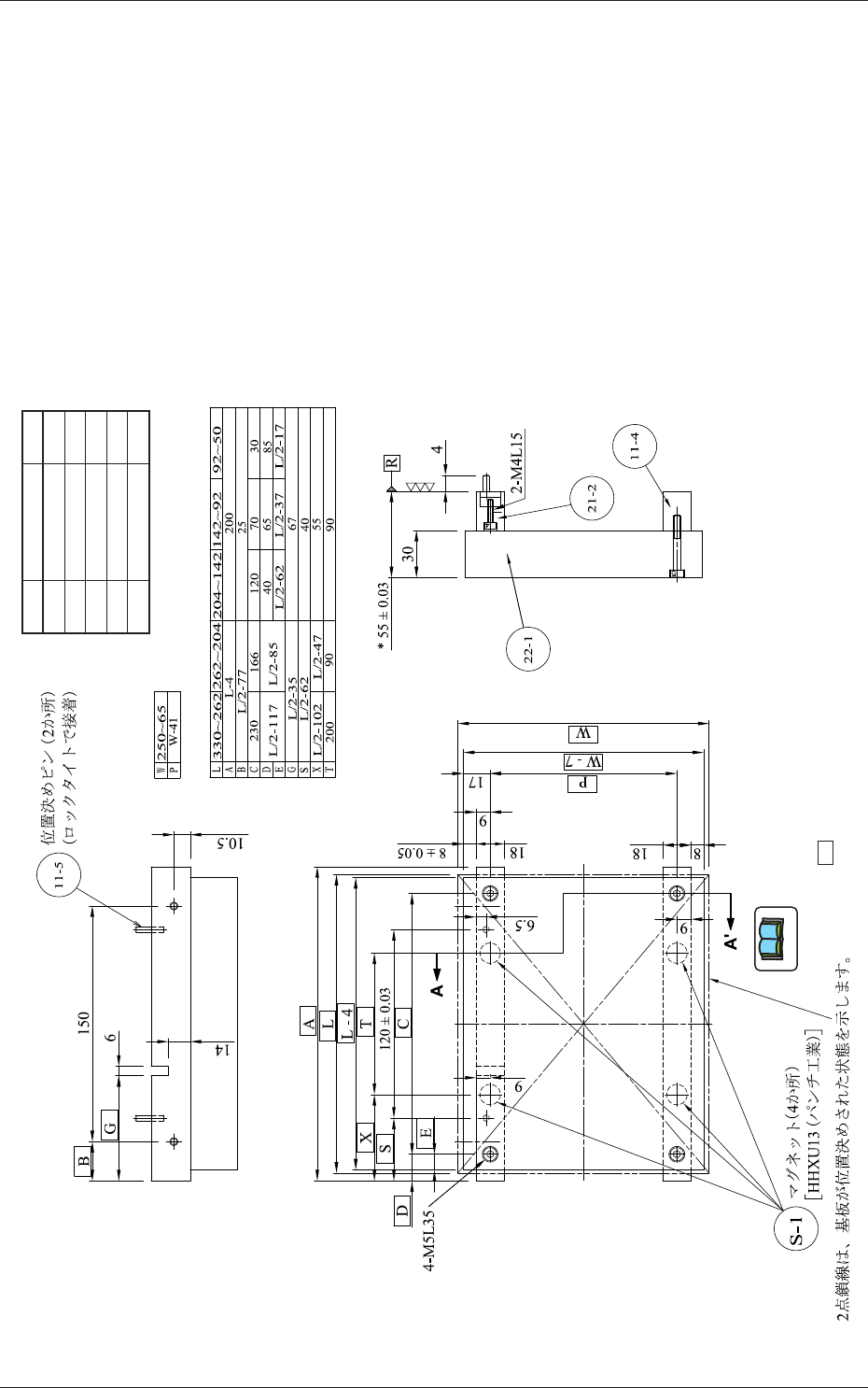
1.1 基板バックアップ治具 ( 基板幅 W “65<=W<=250”)
1.1 基板バックアップ治具(基板幅 W “65<=W<=250”)
治具を製作する際は、次の図面をご使用ください。
1.1.1 組付け図
1.1.2 ブロック ( 品番 11-4) のバリアント図
1.1.3 位置決めピン ( 品番 11-5) のバリアント図
1.1.4 ブロック ( 品番 21-2) のバリアント図
1.1.5 プレート ( 品番 22-1) のバリアント図
1.1.1 組付け図
(a) ○内の番号は、各部品の品番です。
(b) 各部品組付け後、R面を加工して、*印の寸法に仕上げてください。
品番“11-5”の位置決めピンは、R面加工後に取付けます。
(c) 内の寸法は、寸法一覧表にてお求めください。
寸法一覧表
ノート b
A-A' 断面図
11-4
11-5
21-2
22-1
S-1
品番 名 称 数量
ブロック
位置決めピン
ブロック
プレート
マグネット
1
2
1
1
4
W:基板幅
L:基板長さ
単位: mm
ノート
0607-001 A(M748AZI-0022)

6-3
Tg1297-ID-GU
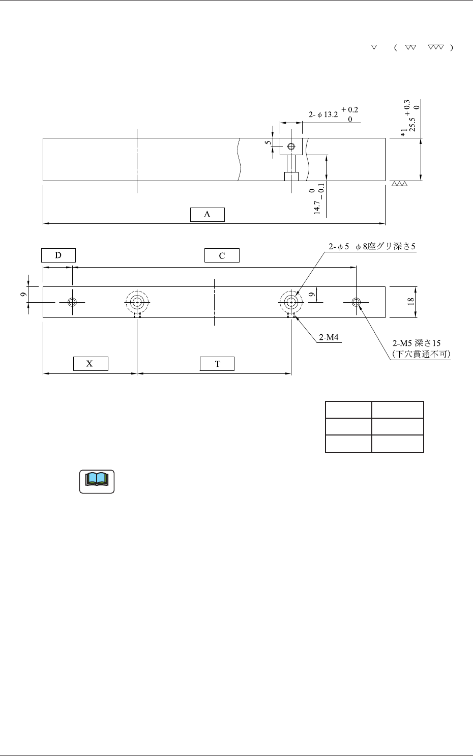
1.1 基板バックアップ治具 ( 基板幅 W “65<=W<=250”)
1.1.2 ブロック ( 品番 11-4) のバリアント図
単位 : mm
数量 1
材質 A5052
処理 なし
ノート
(a) 各コーナーは、面取り C1 とします。
(b) *1 は、仕上げ代を含んだ値です。
仕上げ寸法につきましては、組付け図を参照してください
0607-001 -(M748-ZI-1104)