1OM-1321-005_w.pdf - 第165页
6-14 Tg1297-ID-GU 1.3 基板バックアップ吸着治具 ( 基板幅 W “65<=W<=250”) 1.3.4 ブロック ( 品番 11-3) のバリアント図 単位 : mm 数量 1 材質 A5052 処理 なし ノート (a) 各コーナーは、面取り C1 とします。 (b) *1 は、仕上げ代を含んだ値です。 仕上げ寸法につきましては、組付け図を参照してください 0607-001 -(M748-ZI-1 1…

6-13
Tg1297-ID-GU
1.3.3 プレート ( 品番 11-2) のバリアント図
1.3 基板バックアップ吸着治具 ( 基板幅 W “65<=W<=250”)
0607-001 -(M748-ZI-1102)

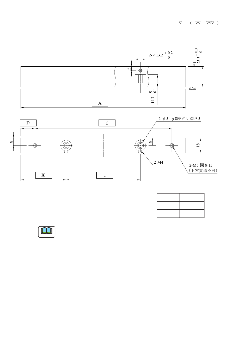
6-14
Tg1297-ID-GU
1.3 基板バックアップ吸着治具 ( 基板幅 W “65<=W<=250”)
1.3.4 ブロック ( 品番 11-3) のバリアント図
単位 : mm
数量 1
材質 A5052
処理 なし
ノート
(a) 各コーナーは、面取り C1 とします。
(b) *1 は、仕上げ代を含んだ値です。
仕上げ寸法につきましては、組付け図を参照してください
0607-001 -(M748-ZI-1103)

6-15
Tg1297-ID-GU
1.3 基板バックアップ吸着治具 ( 基板幅 W “65<=W<=250”)
1.3.5 ブロック ( 品番 11-4) のバリアント図
単位 : mm
数量 1
材質 A5052
処理 なし
ノート
(a) 各コーナーは、面取り C1 とします。
(b) *1 は、仕上げ代を含んだ値です。
仕上げ寸法につきましては、組付け図を参照してください
0607-001 -(M748-ZI-1104)