1OM-1321-005_w.pdf - 第160页
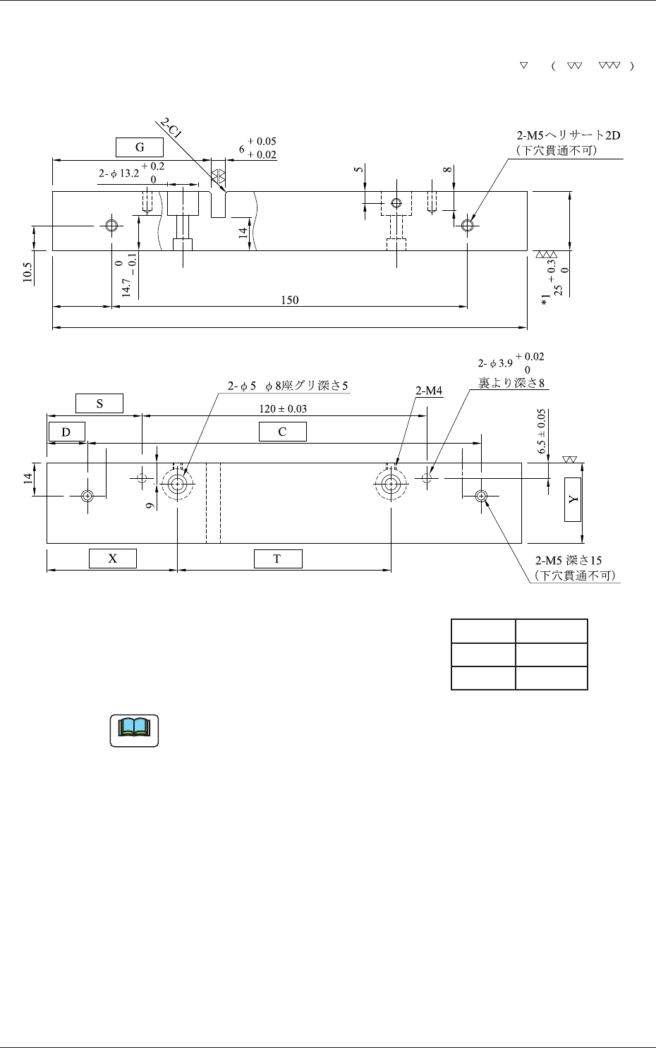
6-9 Tg1297-ID-GU 1.2 基板バックアップ治具 ( 基板幅 W “35<=W<=65”) 1.2.3 プレート ( 品番 23-1) のバリアント図 0607-001 -(M748-ZI-2301) 単位 : mm 数量 1 材質 A5052 処理 なし

6-8
Tg1297-ID-GU
1.2 基板バックアップ治具 ( 基板幅 W “35<=W<=65”)
1.2.2 位置決めピン ( 品番 11-5) のバリアント図
単位 : mm
数量 1
材質 SUS304
処理 なし
0607-001 -(M648-ZI-1105)

6-9
Tg1297-ID-GU
1.2 基板バックアップ治具 ( 基板幅 W “35<=W<=65”)
1.2.3 プレート ( 品番 23-1) のバリアント図
0607-001 -(M748-ZI-2301)
単位 : mm
数量 1
材質 A5052
処理 なし

6-10
Tg1297-ID-GU
1.2 基板バックアップ治具 ( 基板幅 W “35<=W<=65”)
1.2.4 ブロック ( 品番 23-2) のバリアント図
単位 : mm
数量 1
材質 A5052
処理 なし
ノート
(a) 各コーナーは、面取り C1 とします。
(b) *1 は、仕上げ代を含んだ値です。
仕上げ寸法につきましては、組付け図を参照してください
0607-001 -(M748-ZI-2302)