1OM-1321-005_w.pdf - 第164页
6-13 Tg1297-ID-GU 1.3.3 プレート ( 品番 11-2) のバリアント図 1.3 基板バックアップ吸着治具 ( 基板幅 W “65<=W<=250”) 0607-001 -(M748-ZI-1 102)

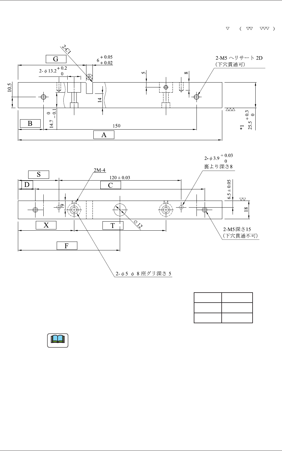
6-12
Tg1297-ID-GU
1.3 基板バックアップ吸着治具 ( 基板幅 W “65<=W<=250”)
1.3.2 プレート ( 品番 12-1) のバリアント図
数量 1
材質
処理
A5052
なし
A-A'断面図
単位: mm
基板形状にしたがって適宜吸着穴をあけてください。
ノート
0607-001 -(M748-ZI-1201)

6-13
Tg1297-ID-GU
1.3.3 プレート ( 品番 11-2) のバリアント図
1.3 基板バックアップ吸着治具 ( 基板幅 W “65<=W<=250”)
0607-001 -(M748-ZI-1102)

6-14
Tg1297-ID-GU
1.3 基板バックアップ吸着治具 ( 基板幅 W “65<=W<=250”)
1.3.4 ブロック ( 品番 11-3) のバリアント図
単位 : mm
数量 1
材質 A5052
処理 なし
ノート
(a) 各コーナーは、面取り C1 とします。
(b) *1 は、仕上げ代を含んだ値です。
仕上げ寸法につきましては、組付け図を参照してください
0607-001 -(M748-ZI-1103)